logo elektroda
logo elektroda
X
logo elektroda
REKLAMA
REKLAMA
Adblock/uBlockOrigin/AdGuard mogą powodować znikanie niektórych postów z powodu nowej reguły.

Pan international PC 50 AM/FM z niemiec odblokowanie AM

chriss666 12 Lis 2011 17:36 5836 6
REKLAMA
  • #1 10130630
    chriss666
    Poziom 11  
    Witam
    Posiadam radio jak w temacie pochodzące zza Odry i takie pytanko - jak rozblokować radio tak aby miało pełną 40 w am? Dodam że radi jest bardzo podobne pod względem modułów do Satcom Scan 4000 ( link do schematu - https://www.elektroda.pl/rtvforum/topic1045447.html ) może ktoś przerabiał takie radyjko i jest w stanie się podzielić wskazówkami na temat takiej modyfikacji?
    pozdrawiam
  • REKLAMA
  • #2 10131315
    abrzuzek
    Poziom 15  
    Witam

    Radyjko trzeba przestroić w tak zwane zera, polecam oddanie do serwisu lub kogoś kto ma o tym pojęcie oraz odpowiednie mierniki.

    Moderowany przez Olek II:

    3.1.11. (10.2, 10.7, 12) Publikowanie wpisów nie zawierających merytorycznej treści, zawierających szkodliwe porady, porady nie będące próbą rozwiązania problemu oraz publikowanie identycznych wpisów następujących po sobie lub powtarzających informacje ujęte w toku dyskusji.

  • REKLAMA
  • #3 10131876
    chriss666
    Poziom 11  
    Witam
    Wiem że trzeba przestroić w zera i to już zrobiłem, 30 zwojów na karkasie 7x7 w szeregu z kwarcem 10.240 no i oczywiście dostrojenie i sprawdzenie miernikiem częstotliwości , chodziło mi o odblokowanie 40 kanałów w AM bo aktualnie jest ich tylko 12
  • REKLAMA
  • #5 10134651
    chriss666
    Poziom 11  
    Witam
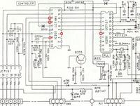
    Dziękuję za podpowiedż trop był poprawny odblokowanie całej 40 AM dokonuje się poprzez odlutowanie 15 nogi układu ic 205 lub przecięcie ścieżki pomiędzy kolektorem Q 204 a 15 nózką ic205 .Schemat od Satcoma jest troszkę inny ale znalazłem na necie oryginał do pc50 troszkę nieczytelny ale posługując się dwoma można co nieco odczytać ,poniżej zamieszczam schemat pan pc 50.
    Teraz zostało mi zlokalizować brak modulacji w tym radyjku ale to już nie dzisiaj.
    pozdrawiam i jeszcze raz dziękuję za trafną podpowiedż
  • REKLAMA
  • #6 14225011
    Konto nie istnieje
    Konto nie istnieje  
  • #7 14242438
    Konto nie istnieje
    Konto nie istnieje  
REKLAMA