#1 10187903 27 Lis 2011 11:52 Blazej85 Blazej85 Poziom 12 #1 10187903 27 Lis 2011 11:52 Witam, poszukuje schematu wiązki stacyjki, konkretnie interesuje mnie przewód który podaje zasilanie na rozrusznik po przekręceniu kluczyka.
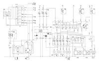
Pomocny post #2 10187985 27 Lis 2011 12:08 CameR CameR Konto firmowe Moderator Zabezpieczeń Pojazdów Pozytywne oceny Pomocny post? (+10) Pomocny post #2 10187985 27 Lis 2011 12:08 https://obrazki.elektroda.pl/2629025900_1322392124.jpg Pomogłem? Kup mi kawę.
#3 10188814 27 Lis 2011 14:55 decybel91 decybel91 Poziom 42 Pomocny post? (+5) #3 10188814 27 Lis 2011 14:55 Czerwono-czarny bezpośrednio z kostki stacyjki. Zacisk 50 się nazywa.
#4 10189600 27 Lis 2011 17:44 Blazej85 Blazej85 Poziom 12 Autor tematu Pomocny post? (0) #4 10189600 27 Lis 2011 17:44 Dzięki za schemacik i odpowiedź