logo elektroda
logo elektroda
X
logo elektroda
REKLAMA
REKLAMA
Adblock/uBlockOrigin/AdGuard mogą powodować znikanie niektórych postów z powodu nowej reguły.

Grand Vitara 2004 2.0 HDI pompka wstępna

autoas 27 Lis 2011 17:16 5744 4
REKLAMA
  • #1 10189470
    autoas
    Poziom 42  
    Witam!
    Może jakieś wskazówki
    Silnik 2.0 HDI CR/EDC 15C2 RHZ (peugeot/citroen) oczywiście na boschu
    Czy jest na pewno i gdzie pompka elektryczna paliwa (obok czy w zbiorniku)nic nie słychać?
    Brak jakiegokolwiek dekielka od góry, a bak "opancerzony"
    Czy jest na pewno i gdzie wyłącznik awaryjny?
    Jakoś tak opisy w ESI nie dokładne (lub nie mogę znaleźć)
    W sieci różnie piszą
    Może ktoś pamięta lub robił takie coś podobnego
    Oczywiście auto nie odpala...
    Pozdrawiam!
  • REKLAMA
  • Pomocny post
    #2 10191677
    emeryt2
    Poziom 42  
    Popatrz pod francuzami z takimi samymi EDC , jakie maja zasilanie w paliwo!
  • REKLAMA
  • #3 10191729
    autoas
    Poziom 42  
    Są oczywiście pompy we francuzkich....
    Chociaż w Suzuki, nie wiem w czy w takim modelu, były czasami zewnętrzne (może się po prostu łudzę, że nie ma jej w baku....tym "opancerzonym")
  • REKLAMA
  • Pomocny post
    #4 10192198
    fuelinyourblood
    Poziom 35  
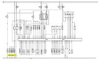
    Prosze


    Grand Vitara 2004 2.0 HDI pompka wstępna
  • #5 10193122
    autoas
    Poziom 42  
    Obrazki to ja mam każde.....
    Już się wyjasniło, pompa jest zewnętrzna,dość dobry dostęp, no i auto chodzi...
REKLAMA