logo elektroda
logo elektroda
X
logo elektroda
REKLAMA
REKLAMA
Adblock/uBlockOrigin/AdGuard mogą powodować znikanie niektórych postów z powodu nowej reguły.

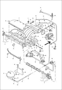
Zawór zwrotny w którą stronę

Jack.stanley 28 Lis 2011 13:04 10342 12
REKLAMA
  • #1 10192451
    Jack.stanley
    Poziom 11  
    Witam kolegów serdecznie!
    Posiadam silnik AGZ, 2,3 l. i sporo kłopotów/ nie czepiam się do komfortu jazdy bo to sama przyjemność/. Ostatnio doznałem nowych zjawisk i nie całkiem mogę sobie poradzić. a między innymi to przygasanie przy dojazdach z zatrzymaniem oraz podszarpywanie szczególnie gdy jest w fazie rozgrzewania. To co robiłem to kompletny przegląd podciśnienia /jeden przewód przerwany i wypadł mi /sam!!/ zwór zwrotny który dochodzi jednym końcem do regulatora ciśnienia paliwa. I tu moja mega prośba, czy białą częścią do regulatora czy czarną. Jeśli ktoś ma takiego super paseczka to ew. bardzo proszę o foto /prawa strona kolektora ssącego bliżej cewki zapłonowej/. Nie jestem mechanikiem bardziej hobbystą i mogę podzielić się wieloma doświadczeniami o tym fajnym peseczku. Serdecznie pozdrawiam i życzę samych fajnych doznań z jazdy
  • REKLAMA
  • #2 10192510
    Konto nie istnieje
    Konto nie istnieje  
  • REKLAMA
  • #3 10193800
    Jack.stanley
    Poziom 11  
    Dzięki za zainteresowanie. Nr części to 046905291A i wygląda jak sklejone ze sobą spodami dwa pionki od domino biały i czarny ale bez określenia kierunku. Swobodny przepływ jest od białej części do czarnej.
  • #4 10193816
    Konto nie istnieje
    Konto nie istnieje  
  • Pomocny post
    #5 10193895
    ociz
    VIP Zasłużony dla elektroda
    Tak jak dałem strzałkę ma puszczać.
    Zawór zwrotny w którą stronę
  • REKLAMA
  • #6 10193985
    Jack.stanley
    Poziom 11  
    Hm. Hm.
    Inaczej bym napisał. Zawór z jednej strony ma:
    1. Pompa podciśnienia, sterująca ilością powietrza dostarczanego do garów,
    2. zawór kombinowany zasilany powietrzem z wtórnej pompy powietrza,
    3. zbiornik podciśnienia.
    4. 2 elektromagnetyczne zawory przełączające.

    a z drugiej strony;
    1. regulator ciśnienia paliwa,
    2. wejście do przedniej części kolektora ssącego.

    Coś mi się wydaje, że sam sobie odpowiedziałem. Swobodny przepływ od pompy podciśnienia do kolektora ssącego.

    Co o tym sądzicie. Chętnie dowiem się coś więcej.
    Dzięki za zainteresowanie

    Dodano po 3 [minuty]:

    OCIZ chyba mnie uprzedziłeś z moją filozofią, na pewno pomogłeś, bardzo dzięki. Po złożeniu wężyków i sprawdzeniu opiszę temat szczegółowo bo szarpańsko silnikiem to temat rzeka. Na razie bardzo dziękuję.
  • #7 10202164
    Jack.stanley
    Poziom 11  
    Witam. Jeśli mógłbym pociągnąć temat proszę o porady. A główny problem to po zatrzymaniu samochodu / na LPG/ potrafi zgasnąć. Układ podciśnienia sprawdziłem vakuometrem - jest prawie 0.6 bara czyli w normie. Dźwignia pompy podciśnienia steruje wałkiem w takt dodawania gazu jest OK. Jajka zaczynają się kiedy przełączę na LPG to po pierwszej przygazówce dźwignia pozostaje w pozycji jakby cały czas była na ostrej przygazówce. Dopiero wyłączam silnik i wszystko wraca do normy. Według mojej analizy dźwignia pompy podciśnienia nie jest podłączona bezpośrednio do kolektora ssącego /rysunek/ ale umożliwia mu to elektromechaniczny zawór przełączający. Na benzynie włącza go przy zwiększonym zapotrzebowaniu na powietrze więc dlaczego na LPG po pierwszej przygazówce włącza go na amen pomimo przejścia na wolne obroty, czyżby przekłamane info o wtłaczanym powietrzu?
    Jeśli ktoś spotkał się z takimi sytuacjami proszę o sugestie. Z góry dziękuję
  • #8 10202204
    trans-serwis
    Poziom 39  
    Jack.stanley napisał:
    Dźwignia pompy podciśnienia
    Który element nazywasz pompą podciśnienia? Pompy podciśnienia tam nie ma.
  • REKLAMA
  • #9 10202364
    Jack.stanley
    Poziom 11  
    Element przy poz. nr 6 dźwignia sterowana podciśnieniem mająca na celu zwiększenie przepływu powietrza do garów. Sorry może niewłaściwie się wyraziłem w literaturze nazywana jest nastawnikiem podciśnienia.
  • #10 10203073
    ociz
    VIP Zasłużony dla elektroda
    To jest sterowanie zmienną długością dolotu, przy druciarsko zamontowanej instalacji gazowej nie pożądane więc pewnie ktoś celowo tak zrobił.
    Opisz dokładnie co za instalację gazową masz, najlepiej ze zdjęciami.
  • #11 10203549
    Jack.stanley
    Poziom 11  
    Instalacja OMVL XXI N-G. Sprawowała się zgrabnie przez 3 lata. Nawet nie wiem kiedy przykleiło mu się to gaśnięcie. Tydzień temu wymieniłem wszystkie uszczelki, cewkę elektrozaworu, wszystko dokładnie wyczyściłem. Nie sprawdziłem jeszcze przewodu podciśnieniowego od reduktora do MAP-sensora i dalej do początku kolektora ssącego /trójnik łączy te 3 elementy/. Kolektor ssący ma inne nawiercenie do tych elementów. Jutro sprawdzę jeszcze jeden obwód: od listwy wtryskowej gazu, dalej drugie wejście MAP-sensora i reszta muszę zajrzeć pod maskę. Zrobię prowizoryczny rysunek.
    Dzięki za zainteresowanie!
  • #12 10203627
    ociz
    VIP Zasłużony dla elektroda
    To akurat tylko model reduktora podałeś, bardziej by mnie interesowało jaka elektronika, wtryski i jak kolektor powiercony.
  • #13 10204692
    Jack.stanley
    Poziom 11  
    Witam. Wszystko tam jest OMVL DREAM XXI. Jak pisałem wcześniej przy dojeżdżaniu do zatrzymania obroty tak spadają, że potrafi zgasnąć natomiast na benzynie lekko szarpnie z 3 sek. opóźnieniem /RPM ok 500/ i jest OK, ale nie gaśnie.
    Link
    Zastanawiam się czy przypadkiem to nie jest celowe, elektrozawór przy benzynie jest zamknięty żeby można było sterować dolotem natomiast przy gazie zawór się otwiera umożliwiając cały czas przyciągniętą dźwignię nastawnika podciśnienia.
    Może należałoby szukać innej przyczyny. Przepływomierz słaby ale chodzi /przy obrotach 3000 MAF na postoju pokazuje ledwo 20 mg/s.
    Tutaj potrzebne jest doświadczenie a ja bardziej teoretyzuję
    Proszę o sugestie.
REKLAMA