logo elektroda
logo elektroda
X
logo elektroda
REKLAMA
REKLAMA
Adblock/uBlockOrigin/AdGuard mogą powodować znikanie niektórych postów z powodu nowej reguły.

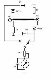
Reflektometr Sunker SWR 1180A - schemat

pawomanhatan 08 Gru 2011 20:45 5810 2
REKLAMA
  • #1 10235233
    pawomanhatan
    Poziom 14  
    Witam,
    Czy ktoś wie jak w tym chińskim badziewiu podłączyć te 4 kabelki do płytki? Mam taki uszkodzony na warsztacie i chciałbym go uruchomić i sprawdzić czy ten miernik pokazuje jakieś w miarę miarodajne wartości...? Są tam 2 kabelki czarne ( pewnie do masy ), pomarańczowy i niebieski.
    Pozdrawiam

    Moderowany przez c2h5oh:

    3.1.17. (10.9, 16) Zabronione jest publikowanie wpisów obniżających ogólny poziom dyskusji, wynikających z lenistwa lub zawierających roszczeniowy charakter wypowiedzi.
    To o co pytasz było już omawiane wielokrotnie na elektrodzie a procedura sprawdzania reflektometrów jest nawet w temacie podwieszonym (wyróżnionym na niebiesko).

  • REKLAMA
  • Pomocny post
    #2 10235313
    zezuama
    Poziom 23  
    Wstyd i hańba.
    Reflektometr Sunker SWR 1180A - schemat
  • #3 10235910
    pawomanhatan
    Poziom 14  
    Dobra, zwracam honory i przyznaję się do zupełnego dziś lenistwa, ale to chyba przez pewną frustrację związaną z dyskusjami dnia dzisiejszego, które były na poziomie dużo niższym niż moje pytanie...:(
    Dzięki jednak za wypowiedź kolego zezuama
    Obiecuję, że to się nie powtórzy :)
    Pozdrawiam
REKLAMA