Witam wszystkich użytkowników.
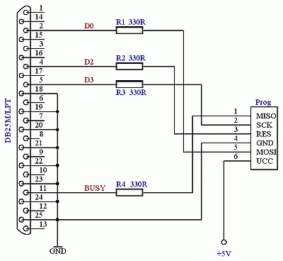
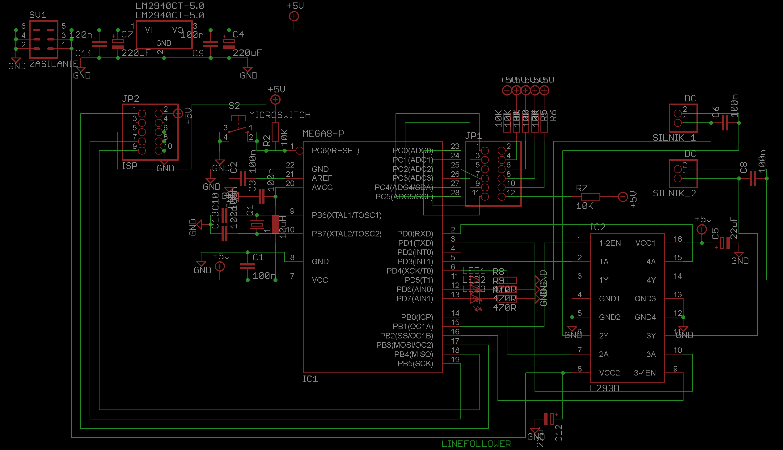
Mam problem z zaprogramowanie Atmega 88 w tym oto układzie:
Cały czas mam :
Could not identify chip with ID:FFFFF
Programuję za pomocą:
W biosie Parallel Port ustawiony mam na ECP (inne możliwe: EPP,Normal,Bin-dir)
Morduje się z tym od 7 godzin i nic
