Witam,
od dłuższego czasu pracuje nad projektem miernika ultradźwiękowego. To moje pierwsze spotkanie z atmega8 jak i światem uC.
Wymyśliłem to tak, że włączając pomiar włączałbym licznik czasu, i od razu wysyłał paczkę impulsów o częstotliwości 40kHz. W momencie odbioru sygnału odbitego od przeszkody zatrzymam licznik i podzielę czas przez 2 pomnożę razy prędkość rozchodzenia się dźwięku i wynik będzie wyświetlany na ekranie LCD.
Teraz problemy:
-nie mogę odebrać sygnału z nadajnika, w żaden sposób nie pokazuje mi się napięcie na przetworniku a/c atmegi,
-nie wiem jak sprawdzić czy generuje 40kHz (niestety nie mam oscyloskopu).
Użyłem nadajnika 40T 12mm i odbiornika 40R 12mm.
Nadajnik steruje wprost z uC przeczytałem na elektrodzie, że można podłączyć przeciwsobnie nadajnik i powinien działać.
Programowo staram się wywołać 40kHz:
Przeglądałem kilka stron z miernikami miedzy innymi http://www.forbot.pl/forum/topics20/ultradzwiekowy-czujnik-odleglosci-vt937.htm
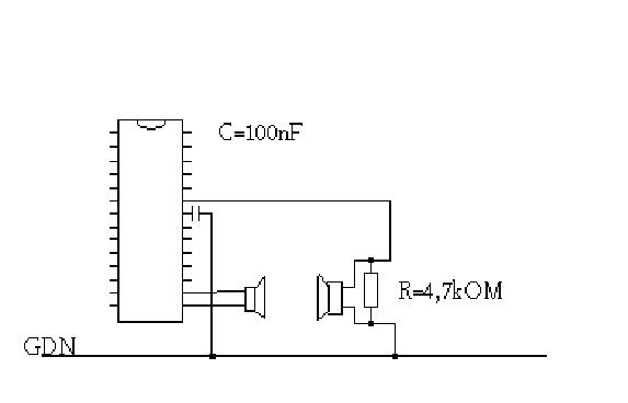
U mnie nadajnik podłączony jest pod piny PB1 i PB2 ale jest bez rezystora. Za to odbiornik podpiąłem równolegle z rezystorem 4.7kOm i jedną nóżką do GDN, a drugą do przetwornika a/c w atmedze.
Jeśli ktoś mógłby mi coś podpowiedzieć co robię źle byłbym wdzięczny. Zaraz postaram się narysować schemat układu, żeby łatwiej było widać co mam jak podłączone.
Tak mam podłączone nadajnik z odbiornikiem ultradźwiękowe.
![[avr] czujniki ultradźwiękowe i przetwornik adc w atmedze8 [avr] czujniki ultradźwiękowe i przetwornik adc w atmedze8](https://obrazki.elektroda.pl/1616282200_1325180473_thumb.jpg)
od dłuższego czasu pracuje nad projektem miernika ultradźwiękowego. To moje pierwsze spotkanie z atmega8 jak i światem uC.
Wymyśliłem to tak, że włączając pomiar włączałbym licznik czasu, i od razu wysyłał paczkę impulsów o częstotliwości 40kHz. W momencie odbioru sygnału odbitego od przeszkody zatrzymam licznik i podzielę czas przez 2 pomnożę razy prędkość rozchodzenia się dźwięku i wynik będzie wyświetlany na ekranie LCD.
Teraz problemy:
-nie mogę odebrać sygnału z nadajnika, w żaden sposób nie pokazuje mi się napięcie na przetworniku a/c atmegi,
-nie wiem jak sprawdzić czy generuje 40kHz (niestety nie mam oscyloskopu).
Użyłem nadajnika 40T 12mm i odbiornika 40R 12mm.
Nadajnik steruje wprost z uC przeczytałem na elektrodzie, że można podłączyć przeciwsobnie nadajnik i powinien działać.
Programowo staram się wywołać 40kHz:
Kod: C / C++
Przeglądałem kilka stron z miernikami miedzy innymi http://www.forbot.pl/forum/topics20/ultradzwiekowy-czujnik-odleglosci-vt937.htm
U mnie nadajnik podłączony jest pod piny PB1 i PB2 ale jest bez rezystora. Za to odbiornik podpiąłem równolegle z rezystorem 4.7kOm i jedną nóżką do GDN, a drugą do przetwornika a/c w atmedze.
Jeśli ktoś mógłby mi coś podpowiedzieć co robię źle byłbym wdzięczny. Zaraz postaram się narysować schemat układu, żeby łatwiej było widać co mam jak podłączone.
Tak mam podłączone nadajnik z odbiornikiem ultradźwiękowe.