logo elektroda
logo elektroda
X
logo elektroda
REKLAMA
REKLAMA
Adblock/uBlockOrigin/AdGuard mogą powodować znikanie niektórych postów z powodu nowej reguły.

Przekaźnik 12V DC do samochodu czy jest taki przekaźnik

Blazej85 04 Sty 2012 20:08 4448 8
REKLAMA
  • #1 10348823
    Blazej85
    Poziom 12  
    Witam, szukam i znaleźć nie mogę przekaźnika który jest mi potrzebny do samochodu.

    schemat wygląda następująco
    Przekaźnik 12V DC do samochodu czy jest taki przekaźnik

    działanie powinno być takie:
    podaje napięcie na styk "+"
    następnie stykiem "S" powinienem załączyć i zewrzeć styki robocze.
    Styk "S" powinien załączyć i zewrzeć styki robocze impulsem, a rozewrzeć je dopiero po odłączeniu napięcia na styku "+"
    i wtedy przekaźnik powinien być znów gotowy do użycia.
  • REKLAMA
  • #2 10348896
    kybernetes
    Poziom 39  
    Taki przekaźnik robisz z dwóch zwykłych i dwóch diod, a jeśli obwód roboczy może być zasilany z obwodu "+" to i jeden przekaźnik wystarczy.
  • REKLAMA
  • #3 10348976
    Blazej85
    Poziom 12  
    Czyli opcji zakupienia takiego przekaźnika nie ma.
    Chce wyeliminować zbędne rzeczy, a szczerze nie znam się na oznaczeniach przekaźników i nie wiem jakie są dostępne.
    Przekaźnik musi mieć odseparowane styki roboczy, zasilanie i sterowanie, a najlepiej żeby sterowanie było masą.
    Obciążenie będzie znikome nie przekroczy nawet 0,5A
    dał byś radę taki schemacik narysować..??
    czy proszę o zbyt wiele:)
  • #4 10349195
    kybernetes
    Poziom 39  
    No krew mnie zalała, dodawanie obrazków nie działa.
    ----
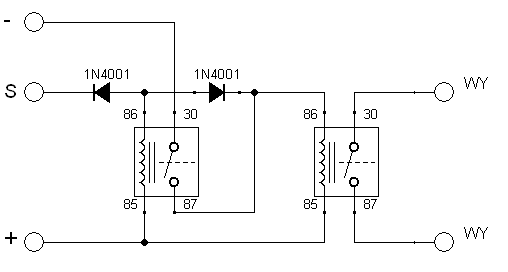
    To była chwilowa awaria, już działa:

    Przekaźnik 12V DC do samochodu czy jest taki przekaźnik
  • REKLAMA
  • #5 10349291
    Blazej85
    Poziom 12  
    Chyba że opcja przekaźnika 4WZM który po podaniu napięcia i impulsie masy załączy zwykły przekaźnik i on będzie załączał resztę, natomiast po wyłączeniu napięcia na 4WZM rozłączy całość, a styki wrócą do stanu początkowego..
    czy się mylę?

    Dodano po 8 [minuty]:

    W Twoim opisie wszystko też mi pasuje, tylko nie rozumiem na jakiej zasadzie działa sterowanie impulsem w przekaźniku.
    impuls będzie trwał ok 1sek. i styki 30, 87 muszą zostać wtedy zwarte do czasu odłączenia zasilania na styku 30
  • Pomocny post
    #6 10349423
    kybernetes
    Poziom 39  
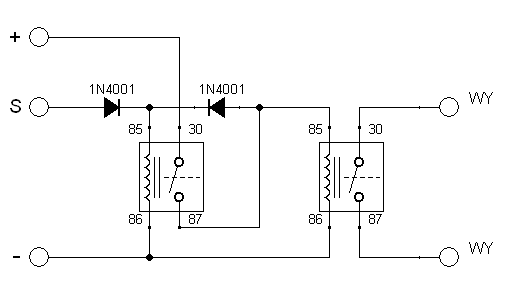
    Tu masz jeszcze sterowanie masą (impuls masy na styku S):
    Przekaźnik 12V DC do samochodu czy jest taki przekaźnik

    Sztuczka polega na tym, że po zwarciu styków pierwszego przekaźnika na 87 pojawia się sygnał sterujący idący przez diodę separującą na jego cewkę, tzw. "podtrzymanie". Jednocześnie ten sygnał steruje drugim przekaźnikiem.


    Może zreasumujmy działanie tych układów:

    Po podaniu plusa na "+" i masy na "-" impuls na styku "S" załącza na trwale styki "WY". Styki te rozłączają się dopiero po odłączeniu plusa ze styku "+" (albo minusa ze styku "-" ). W tym stanie (bez zasilania) wejście "S" jest nieaktywne. Po ponownym podłączeniu "+" i "-" impuls na "S" znów załącza styki "WY".

    Czy o to Ci chodziło?
  • #7 10349532
    Blazej85
    Poziom 12  
    Noo Ty zapewne się na tym lepiej znasz:)
    Generalnie jeśli to podtrzymanie działa to wszystko będzie działaś tak jak powinno:)
    Znalazłem jeszcze 4WSM, ale jeśli nacisnę sobie znów impuls to mi go rozłączy, a to nic dobrego:)
    Teraz mam dylemat czy jeden przekaźnik czy dwa:)
    Ale dziękuje za schemat, sądzę się przyda:)

    Dodano po 2 [minuty]:

    kybernetes napisał:
    Po podaniu plusa na "+" i masy na "-" impuls na styku "S" załącza na trwale styki "WY". Styki te rozłączają się dopiero po odłączeniu plusa ze styku "+" (albo minusa ze styku "-" ). W tym stanie (bez zasilania) wejście "S" jest nieaktywne. Po ponownym podłączeniu "+" i "-" impuls na "S" znów załącza styki "WY".

    Czy o to Ci chodziło?


    Dokładnie o to chodzi, sam bym tego lepiej nie napisał:)
  • #8 10349571
    kybernetes
    Poziom 39  
    Blazej85, jeżeli działanie tego układu Cię zadowala to proponuję to zrobić na standardowych elementach elektrotechniki samochodowej bo w wypadku awarii nie będzie problemów z naprawą albo modyfikacją w razie potrzeby. Również każdy mechanik sobie z tym poradzi. Kupujesz standardowe podstawki przekaźników, przekaźniki, mocowania podstawek, konektory itd.
  • REKLAMA
  • #9 10349619
    Blazej85
    Poziom 12  
    w razie problemu wiem co trzeba zrobić żeby to zadziałało, dlatego nie wiem czy lepiej dwa zwykłe przekaźniki, czy jeden konkretniejszy..
    po prostu nie wiem co będzie mniej awaryjne, bo to podstawa...

    ale nim ten przekaźnik zamówię i on dojdzie + koszt przesyłki to będę to miał dawno gotowe na Twoim przykładzie, no i wszystko zawsze dostępne od ręki:)

    Jeszcze raz dziękuje za pomoc kybernetes:)
REKLAMA