logo elektroda
logo elektroda
X
logo elektroda
REKLAMA
REKLAMA
Adblock/uBlockOrigin/AdGuard mogą powodować znikanie niektórych postów z powodu nowej reguły.

President William nie działa po odwrotnym podłączeniu zasilania

piotrek222 06 Sty 2012 14:13 3483 10
REKLAMA
  • #1 10356432
    piotrek222
    Poziom 18  
    Witam,
    Mam ręczniaka President William, radio zostało uszkodzone przez odwrotną polaryzację zasilania. Wymieniłem diodę zabezpieczająca przy gnieździe zasilającym ale radio nadal nie dział, brak jakiejkolwiek reakcji.
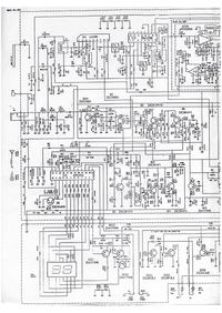
    Schemat już ściągnąłem, ale nie mam pomysłu co jeszcze sprawdzić.

    3.1.15. (11) Zabronione jest publikowanie wpisów przedstawiających problem, bez podania wystarczającej liczby informacji umożliwiającej zajęcie merytorycznego stanowiska przez innych Użytkowników forum. Tytuł wpisu powinien zawierać markę, model oraz skrótowy opis usterki. /Olek II/
  • REKLAMA
  • #2 10358361
    gregorio27
    Poziom 31  
    Zgodnie ze schematem musisz sprawdzić gdzie "znika" zasilanie, po kolei od punktu zasilania. Q17, D19, Q15, D12 trzeba szukać.
  • REKLAMA
  • #3 10363120
    Concret
    Poziom 13  
    Zobacz jeszcze, czy przypadkiem nie została przerwana gdzieś ścieżka
  • #4 10363161
    piotrek222
    Poziom 18  
    Napięcie dochodzi do przełącznika wbudowanego w potencjometr siły głosu. A następnie przez złącze wchodzi na płytę główną. Gdzie wchodzi na tranzystory.

    Do Olek II:

    Opis jest wystarczający bo co mam więcej napisać? Przecież opisałem problem że odwrotne podłączeni zasilania oraz jakie elementy wymieniłem!
    Co do tytułu jest podany model radiotelefonu.

    Moderowany przez Olek II:

    Przepaszam, ale regulamin wystarczająco tłumaczy zasady. 3.1.15. Publikowanie wpisów przedstawiających problem, bez podania wystarczającej liczby informacji umożliwiającej zajęcie merytorycznego stanowiska przez innych Użytkowników forum. Tytuł wpisu powinien zawierać markę, model oraz skrótowy opis usterki. Jeśli trzeba dodatkowych tłumaczeń, jestem do dyspozycji. A jaki mamy tytuł? To, że nie działa...

  • REKLAMA
  • #5 10372717
    Lukas32
    Poziom 20  
    Ja kiedyś miałem taką przypadłość i okazało się że przepalił się, pękł rezystor, na którym nie było przejścia.
  • #6 10376319
    zygfryd.W
    Poziom 20  
    W moim inteku padł kondensator w obrębie zasilania, był lekko większy, profilaktycznie wymieniłem i działa:)
    wstaw schemat będzie łatwiej.
  • REKLAMA
  • #9 10432991
    gregorio27
    Poziom 31  
    A tak poszukać 2sc2812=2SA1179N --> BC856, 2N2596, KT3108A, 2SA781 itp. w tej funkcji jakiś popularny smd PNP.
  • #10 10515134
    piotrek222
    Poziom 18  
    Witam ponownie.
    Wymieniłem uszkodzony tranzystor, ale radio nadał nie działa.
    Znalazłem jeszcze uszkodzoną diodę D17która jest podłączona do emitera tranzystora Q14 jednak schemat jest słabej jakości i nie wiem co to za dioda. Ktoś pomoże?
    Może być jakaś 1N4148 np.?
  • #11 10528985
    piotrek222
    Poziom 18  
    Witam,

    Wymieniłem również diodę D19 oraz tranzystor Q15 i radyjko ruszyło. Działa wyświetlacz oraz szumi. Tylko wygląda na to że nie działa SQL to znaczy przy skręceniu ma min radio nadal syczy.
REKLAMA