logo elektroda
logo elektroda
X
logo elektroda
REKLAMA
REKLAMA
Adblock/uBlockOrigin/AdGuard mogą powodować znikanie niektórych postów z powodu nowej reguły.

Odcięcie zasilania sterownika przez przekaźnik nie działa. VW

Blazej85 07 Sty 2012 13:49 5059 10
REKLAMA
  • #1 10361559
    Blazej85
    Poziom 12  
    Witam, problem jest następujący..
    Kolega ma vw diesla w którym mechanik zrobił mu odcięcie zasilania sterownika.
    Niestety było to zrobione na wyłączniku włączone/wyłączone i chciał żeby to działało przez ukryty guzik"impuls"

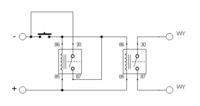
    Kolega z forum wysłał mi schemat jak to zrobić i wygląda on tak
    Odcięcie zasilania sterownika przez przekaźnik nie działa. VW

    Niby wszystko działa, ale samochód nie odpala
    Przekaźniki są 2A i wyjście z nich podłączone jest do wyłącznika który zastosował elektryk "w razie jak by chciał oddać samochód do warsztatu"
    +12 na przekaźniki podane jest po stacyjce żeby styki wracały po każdym zgaszeniu do pozycji NO

    objawy następujące:
    Jeśli odcinamy zasilanie wyłącznikiem elektryka nie zapala się świeca żarowa i nie włącza pompa paliwa, a wszystkie kontrolki gasną poza akumulatorem i samochód nie zapala.

    Po włączeniu zasilania przez wyłącznik elektryka zapala się kontrolka od świec i wszystkie gasną poza akumulatorem i samochód zapala

    Natomiast jeśli wyłączymy zasilanie przez wyłącznik elektryka, zadziałamy impulsem masy przekaźnika zapala się świeca żarowa, rusza pompa paliwa i gasną wszystkie kontrolki poza akumulatorem i ESP, a samochód nie zapala.
    generalnie nie wiem dlaczego tak się dzieje, bo wszystko działa tak jak powinno, a jednak nie zapala.
    (dlaczego ESP świeci po impulsie masy a jak włączymy przez wyłącznik elektryka to gaśnie)

    Moim pomysłem jest to że przekrój kabli za cienki, albo przekaźnik za słaby, ale z butów mnie wyrwało i pomysłu nie mam

    Nie wiem jak to napisać, bo to trochę masło maślane
  • REKLAMA
  • #2 10361627
    CameR

    Moderator Zabezpieczeń Pojazdów
    Blazej85 napisał:
    wszystko działa tak jak powinno, a jednak nie zapala

    Nie żałuj kilkudziesięciu złotych i zastosuj dedykowany do takich zastosowań moduł z układem czasowym.
    Również sterowany "impulsem" lub "dotykowo" a dodatkowo nie wymaga autoryzacji po każdym przypadkowym zgaszeniu silnika.
    Pomogłem? Kup mi kawę.
  • REKLAMA
  • #3 10361688
    Blazej85
    Poziom 12  
    CameR napisał:
    Nie żałuj kilkudziesięciu złotych


    Chłopak nie żałował pieniędzy, bo był zrobić jakieś zabezp. i ma odcięcie sterownika, ale chciał żeby to działało przez impuls.

    Nie mnie oceniać kogoś pomysł, dlatego pytanie co jest nie tak, że przez impuls nie zapala..
  • #4 10361701
    CameR

    Moderator Zabezpieczeń Pojazdów
    Blazej85 napisał:
    Kolega z forum wysłał mi schemat

    Wg.mnie ten układ nie zadziała - nie podtrzyma przekaźnika.
    Pomogłem? Kup mi kawę.
  • #5 10361722
    Blazej85
    Poziom 12  
    podtrzymuje, bo załącza przekaźnik impulsem do momentu wyłączenia zapłonu, ale jeśli podłączymy pod przycisk nie działa
  • REKLAMA
  • #6 10361739
    Blazej85
    Poziom 12  
    Odcięcie zasilania sterownika przez przekaźnik nie działa. VW
    Zapewne proponujesz zastosować coś takiego i wpiąć się w wyłącznik który już założył elektryk.
  • #7 10361775
    excray
    Poziom 41  
    Zewrzyj S z - i zmierz napięcie między WY87-WY30. W czasie pomiaru odłącz S od - i sprawdź jak się zmieni napięcie.
  • #8 10361930
    CameR

    Moderator Zabezpieczeń Pojazdów
    Blazej85 napisał:
    Zapewne proponujesz zastosować coś takiego i wpiąć się w wyłącznik który już założył elektryk.

    Tak,
    ewentualnie ten projekt wpiąć "równolegle" w wyłącznik, który założył elektryk.
    Odcięcie zasilania sterownika przez przekaźnik nie działa. VW
    Pomogłem? Kup mi kawę.
  • #9 10363431
    kapral3
    Poziom 11  
    Moim zdaniem nie trzeba aż tak utrudniać sobie sprawy. Jeśli chodzi o rozłączenie obwodu plusowego (+12v po klucz.) można zrobić tak :

    Odcięcie zasilania sterownika przez przekaźnik nie działa. VW
  • REKLAMA
  • #10 10364461
    Blazej85
    Poziom 12  
    Blazej85 napisał:
    kapral3 napisał:
    Moim zdaniem nie trzeba aż tak utrudniać sobie sprawy. Jeśli chodzi o rozłączenie obwodu plusowego (+12v po klucz.) można zrobić tak :

    Moim zdaniem Twój projekt nie zadziała. Impuls + załączy cewkę chwilowo, a co podtrzyma napięcie cewki oraz co rozłączy ją po wyciągnięciu kluczyka, poza tym bezpiecznie jest jak wszystko działa na masie. Chyba że się mylę, bo może tak być.
    Natomiast odnośnie projektu chyba mnie źle zrozumiałeś:)
    sterowanie najlepiej jak by było masą, a +12 po kluczyku miało załączać zasilanie na cewkę i rozłączać ja po wyciągnięciu kluczyka, natomiast przekaźnik służy do załączenia po impulsie s na sterownika.
    Pytanie które mnie nurtuje to dlaczego projekt który podałem nie działa...
    tzn. działa ale nie do końca..

    Dodano po 6 [minuty]:

    CameR napisał:
    Tak,
    ewentualnie ten projekt wpiąć "równolegle" w wyłącznik, który założył elektryk.


    Projekt który dostałem od kolegi z forum jest wpięty w wyłącznik równolegle, nie wiem czy te diody mają jakieś znaczenie czy nie w działaniu tego schematu i problem wygląda tak jak opisałem..
    różnica jest taka że masa na minus jest z innego miejsca i masa impulsu z innego.
  • #11 10369002
    kapral3
    Poziom 11  
    Zaproponowałem tylko alternatywne rozwiązanie które stosowałem w kilkunastu autach i zawsze działa . Jedyny warunek to rozłączanie przewodu + po kluczyku (15) .
    Nie wiem czy Twój " wyłącznik elektryka"rozwiera tylko zasilanie sterownika silnika .
    Może występuje problem wczytania immo kluczyka przez opóźnienie zasilania sterownika silnika. W momencie odpalania zapala kontrolkę ESP ,prawdopodobnie błąd komunikacji .
    Ogólnie układ który jest na początku wątku też będzie działał .

    Moja propozycja to sprawdzić błędy w sterowniku .
REKLAMA