logo elektroda
logo elektroda
X
logo elektroda
REKLAMA
REKLAMA
Adblock/uBlockOrigin/AdGuard mogą powodować znikanie niektórych postów z powodu nowej reguły.

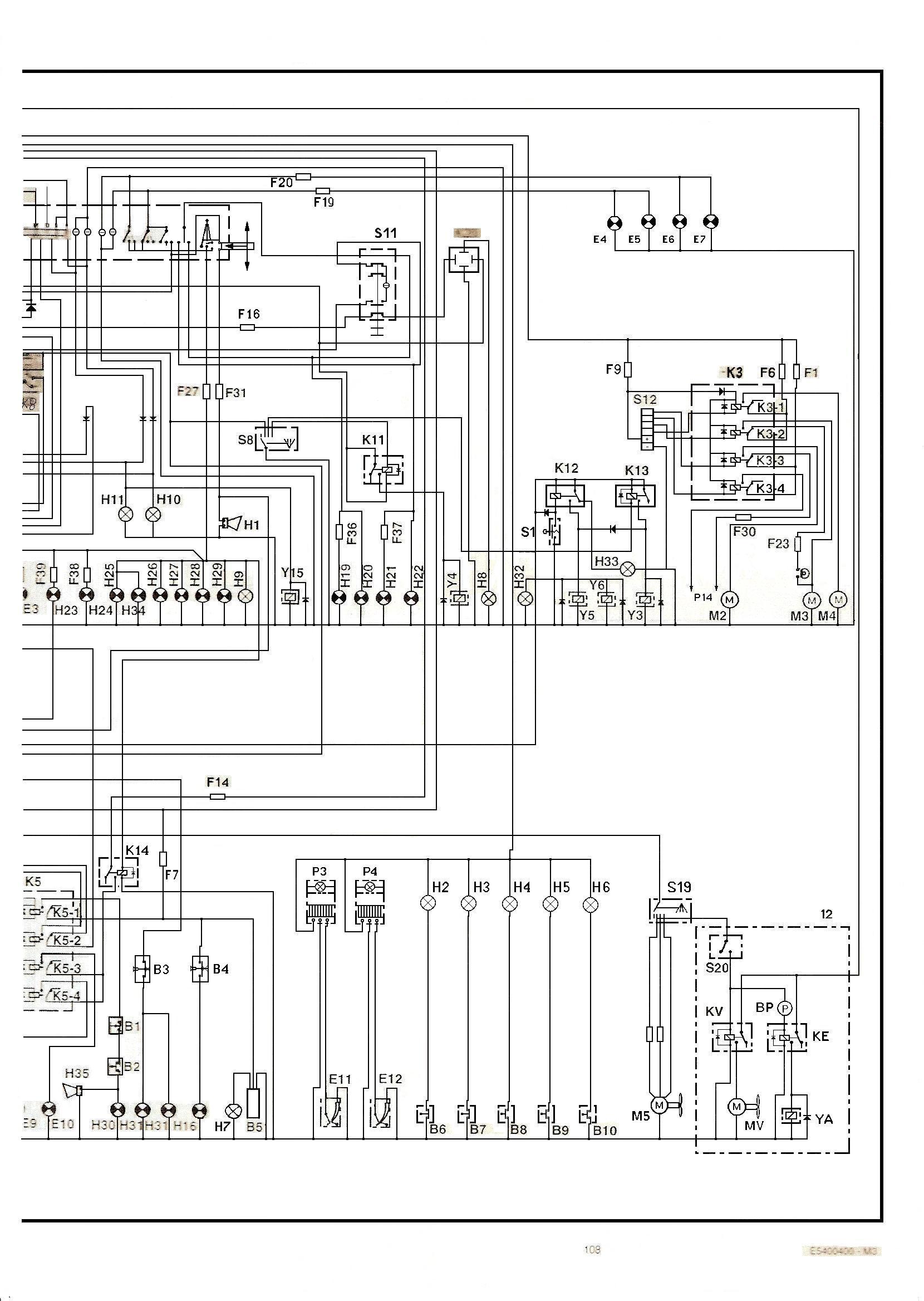
Mecalac 12 MXT poszukuję Service Manual

piotr6405 11 Sty 2012 07:59 11662 9
REKLAMA
  • #1 10380142
    piotr6405
    Poziom 11  
    Tylu znakomitych fachowców jest na Elektrodzie i nikt nie może mi pomóc-no nie wierzę .
  • REKLAMA
  • #2 11835291
    visjanusz
    Poziom 11  
    Będziesz miał problem z Mecalacem to pisz na pewno spróbuję pomóc:)
  • REKLAMA
  • #3 11843144
    piotr6405
    Poziom 11  
    Ja też mogę pomóc zdobyłem trochę wiedzy na temat Mecalaca.
  • REKLAMA
  • #4 16294938
    megabittt
    Poziom 1  
    Witam, poszukuje schematu elektrycznego do mecalac 12 mxt z 2004 roku , ponieważ mam problem z jazdą , mam tylko jazdę wolną
    nawet jak przełączę na szybką to też jedzie wolno , na co zwrócić uwagę ? z góry dziękuje
  • #7 18424227
    SAWEK101
    Poziom 32  
    Wielkie dzieki kolego piotr za DTR i schemat, niestety mam nowszą wersję menelaca 2007r mam nadzieję że uda mi się dojść oco chodzi z rozrusznikiem, dziś go rozebrałem co prawda to chińczyk ale nie widzę w nim nic złego, będę szukał napięcia na elektrowyłącznik, trochę to dziwne ale tylko na zimnym zrobi obrót silnikiem i wyrzuca bendiks słychać zgrzyt, wiadomo z rana wolno kręci, potem ten problem już nie występuje, zastanawiam się czy elektrowyłącznik idzie przez jakąś elektronikę która może odcinać przy słabszym napięciu, aku na zimnym daje 900-950A din.
    Już widzę że w starym modelu prąd na elektrowyłącznik idzie przez alternator + przekaźnik.
  • #8 18918195
    piotr6405
    Poziom 11  
    Przekaźnik służy do uruchomienia elektromagnesu do wyżucania bendiksa a prąd z akumulatora leci do alternatora i elektromagnesu rozrusznika, jeżeli masz problem z rozruchem sprawdź połączenie masy do rozrusznika i silnika.
  • #9 18918207
    SAWEK101
    Poziom 32  
    Już dawno sobie z tym poradziłem ale dzięki, kupiłem nowy rozrusznik i problem znikł, ale taką dziwną usterkę miałem pierwszy raz, jak zdejmę ,,zapłon" wszystko kręciło i było ok a jak podłączę zapłon i silnik zaczynał łapać to bendiks wyskakiwał czasem tak to jest z rozrusznikami bez podpory bendiksu.
    Co dziwne sprawdzałem rozrusznik w specjalnej maszynie gnietli go mocno i twierdzili że rozrusznik na 100% dobry, ale po zmianie rozrusznika problem się nie powtórzył.
  • REKLAMA
  • #10 18922610
    piotr6405
    Poziom 11  
    W elektromagnesie masz dwa uzwojenia i wystarczy że jedno z nich jest walnięte i nie ma siły utrzymać będiksa.
REKLAMA