Witam
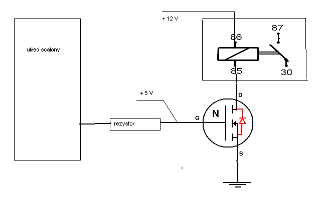
W moim samochodzie sterowaniem wieloma urzadzeniami zajmuje się tzw ETACS. Jest to układ elektroniczny składajacy się z 3 układów scalonych kilku tranzystorow, rezystorów itp... Generalnie steruje on przekaźnikami np. świateł przeciwmgłowych, centralnym zamkiem,... i co tu istotne ogrzewaniem tylnej szyby i lusterek. Sterowanie przekaźnikami polega na tym, że podłączany lub odłączany jest "minus". Dzieje się tak gdy jeden z układów scalony podaje 5V na element który podaje ten minus na przekaźnik itd. Ten element opisany jako CY132. Wygląda to mniej więcej tak jak na obrazku. Nie jestem tylko pewien czy to na pewno jest mosfet n. Czy ktoś może ocenić czy ten układ czy ma prawo działać, a jesli tak to jaki mosfet można tam włożyć ( zastąpić). Dodam, że jest to element montowany powieżchniowo. Wygląda bardzo podobnie ja na zdjęciu.

W moim samochodzie sterowaniem wieloma urzadzeniami zajmuje się tzw ETACS. Jest to układ elektroniczny składajacy się z 3 układów scalonych kilku tranzystorow, rezystorów itp... Generalnie steruje on przekaźnikami np. świateł przeciwmgłowych, centralnym zamkiem,... i co tu istotne ogrzewaniem tylnej szyby i lusterek. Sterowanie przekaźnikami polega na tym, że podłączany lub odłączany jest "minus". Dzieje się tak gdy jeden z układów scalony podaje 5V na element który podaje ten minus na przekaźnik itd. Ten element opisany jako CY132. Wygląda to mniej więcej tak jak na obrazku. Nie jestem tylko pewien czy to na pewno jest mosfet n. Czy ktoś może ocenić czy ten układ czy ma prawo działać, a jesli tak to jaki mosfet można tam włożyć ( zastąpić). Dodam, że jest to element montowany powieżchniowo. Wygląda bardzo podobnie ja na zdjęciu.