logo elektroda
logo elektroda
X
logo elektroda
REKLAMA
REKLAMA
Adblock/uBlockOrigin/AdGuard mogą powodować znikanie niektórych postów z powodu nowej reguły.

[Atmega8][C] Atmega8 i MOC3041 + BT137 po raz kolejny:/

z3ro 15 Sty 2012 15:27 5602 3
REKLAMA
  • #1 10400874
    z3ro
    Poziom 10  
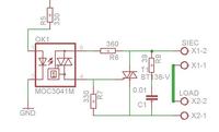
    Witam, mam problem ze sterowaniem optotriakiem MOC3041, podaje napięcie i na diodzie odkłada się 1.2V, a na wyjściu triaka mam rezystancje jakieś 1.4k ohma, kiedy wyłączam napięcie napięcie spada do zera i triak się zamyka, więc wygląda na to że działa, cały układ jednak nie działa , podejrzewam że BT137 się nie otwieram ale nie mam możliwości chwilowo sprawdzić napięcia przemiennego, ale może ktoś będzie miał jakiś pomysł co się dzieje.

    [Atmega8][C] Atmega8 i MOC3041 + BT137 po raz kolejny:/

    Różnica jest tylko taka że w rzeczywistym układzie rezystor na wejściu to 300ohmów, R6 to 390 ohmów, a R7 to 300ohmów. Bo takie miałem w domu akurat.

    Dodano po 55 [minuty]:

    Patrzyłem na oscyloskopie i przebieg napięcia jest prostokątny O_O dlaczego? Nie mam pojęcia.

    Dodano po 25 [minuty]:

    Przebieg napięcia na anodach triaka wygląda tak jak na zdjęciu... Co może być tego powodem?

    [Atmega8][C] Atmega8 i MOC3041 + BT137 po raz kolejny:/
  • REKLAMA
  • #2 10401287
    mariann
    Poziom 38  
    Witam

    z3ro napisał:
    na wyjściu triaka mam rezystancje jakieś 1.4k ohma, kiedy wyłączam napięcie napięcie spada do zera i triak się zamyka, więc wygląda na to że działa, cały układ jednak nie działa , podejrzewam że BT137 się nie otwiera


    Podłącz to pod właściwe napięcie zmienne, a zobaczysz czy działa. Zasilanie bramki triaka jest podawane z sieci, a Ty sprawdzasz to omomierzem. Czy napięcie na wyjściu omomierza ma Ci w tym układzie całkiem otworzyć triaka?
    A w którym miejscu masz ten prostokątny przebieg?
    Pozdrawiam
  • REKLAMA
  • #3 10401330
    z3ro
    Poziom 10  
    prostokątny na wyjściu obciążenia, ten co na zdjęciu jest między anodami triaka przy wyłączonym optotriaku

    Dodano po 40 [minuty]:

    I troszkę źle to sprecyzowałem, ohmomierzem sprawdzałem wyjście optotriaka, a dodam jeszcze że jak podłączam sieć do układu to na chwileczke żarówka rozbłyska i od razu gaśnie.
  • #4 10403813
    z3ro
    Poziom 10  
    Naprawiłem, okazało się że ten 390ohm rezystor na wejściu optotriaka był za duży i nie otwierało bramki triaka, po wlutowaniu 300ohmów wszystko działa jak należy.
    Temat zamykam.
REKLAMA