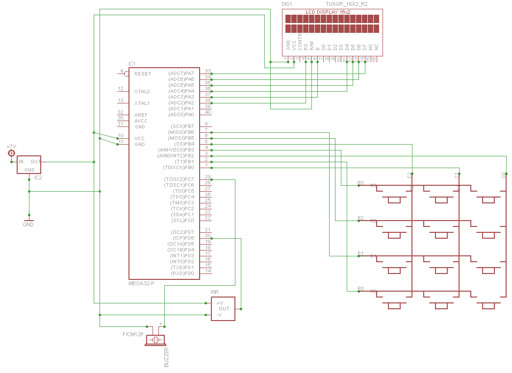
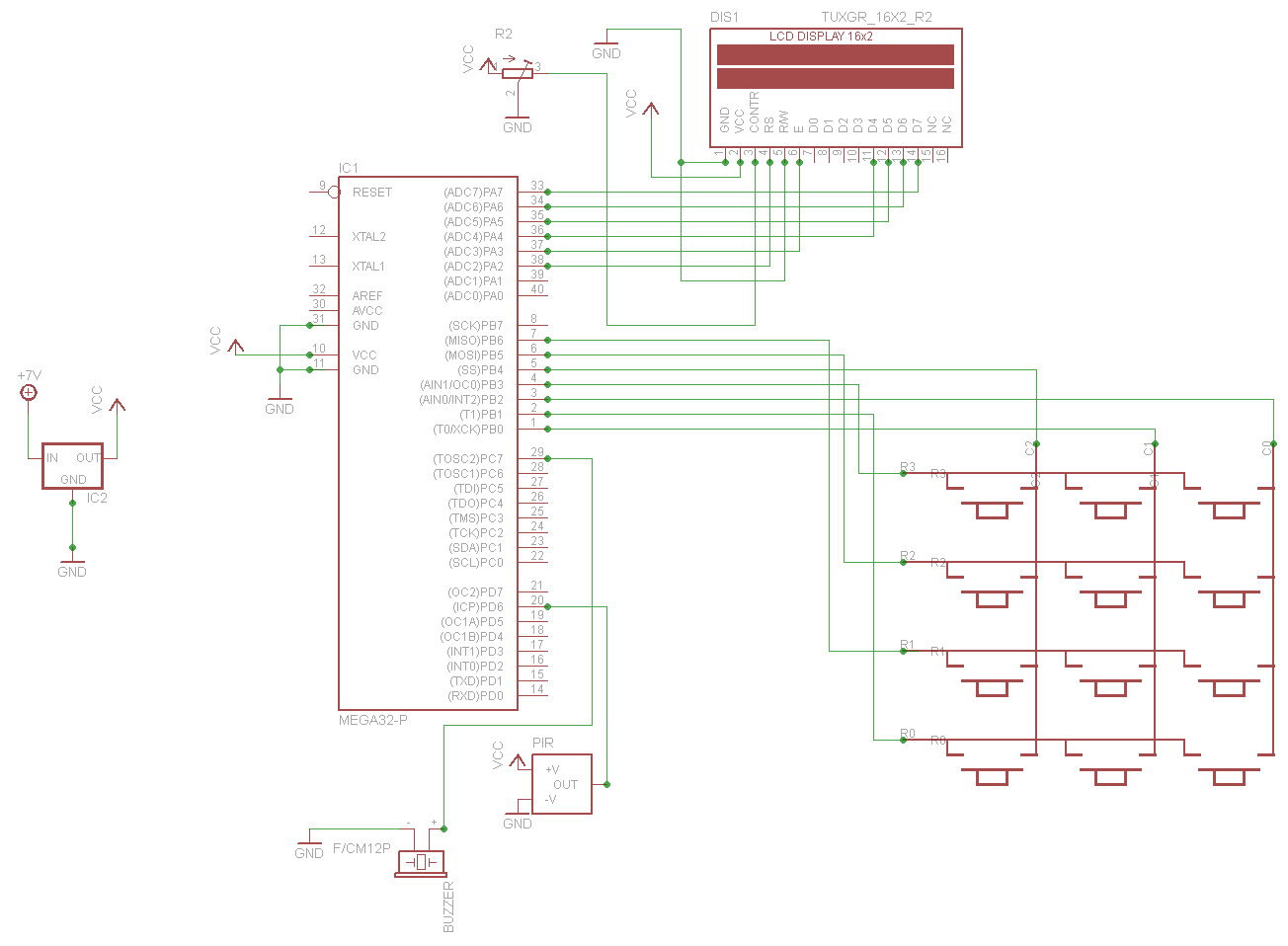
Pracuje nad projektem, w zasadzie projekt mam zrobiony, ale jest wymóg zrobienia także schematu i projektu płytki PCB w Eagle, a jestem tam początkujący. Mam do Was pytania czy ten schemat jest w miarę dobry ?? Brakuje mi jeszcze potencjometru. Mozecie mi podpowiedzieć w której jest bibliotece w Eagle ??



