logo elektroda
logo elektroda
X
logo elektroda
REKLAMA
REKLAMA
Adblock/uBlockOrigin/AdGuard mogą powodować znikanie niektórych postów z powodu nowej reguły.

Jak zmienić histerezę sterownika wentylatora chłodnicy?

hazet 29 Sty 2012 12:35 2993 8
REKLAMA
  • #1 10463891
    hazet
    Poziom 26  
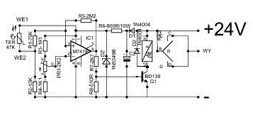
    W autobusie VOLVO do sterowania pracą wentylatora chłodnicy jest zastosowany
    przekaźnik/sterownik jak na załączonym schemacie.
    Działa on poprawnie to znaczy załącza wentylator po przekroczeniu 80*C a wyłącza przy około 55*C.
    W okresie zimowym, gdy potrzebne jest silniejsze ogrzewanie zachodzi potrzeba zmiany tych parametrów tzn:histereza powinna być 80*C załączenie a wyłączenie około 70*C
    Pytanie jest takie: które oporniki należy zmienić aby zawęzić histerezę i w jaki sposób zmniejszyć czy zwiększyć?
  • REKLAMA
  • #2 10463945
    jannaszek
    Poziom 39  
    Zwiększając R 5, zmniejszysz histerezę, ale widzę, że jego wartośc jest już wysoka- mogą pojawić się oscylacje na przekażniku.
    Można zmienić typ termistora i zmodyfikować gałąż pomiarową, aby uzyskać większą stromośc przyrostu/malenia napięcia na wejściu układu.
  • REKLAMA
  • #3 10463994
    hazet
    Poziom 26  
    Samego czujnika nie zmienisz ze względu że jest wkręcany w blok silnika.A jak się ma do histerezy dzielnik R2-13k R1-75k?
  • REKLAMA
  • #4 10464383
    jannaszek
    Poziom 39  
    Też sie ma i można modyfikować, jednak układ pomiarowy będzie sie rozjeżdzał przy zmianach rezystorów i będziesz musiał to skorygować, (uwzględnić), bo progi przełączeń też się przesuną- żebyś nie zagotował wody.
    Jak będziesz je zmieniał w równych proporcjach dokładnie, to może punkt przełączania się nie przesunie, tylko wpłynie na histerezę.
  • REKLAMA
  • #5 10464563
    hazet
    Poziom 26  
    jannaszek napisał:

    Jak będziesz je zmieniał w równych proporcjach dokładnie, to może punkt przełączania się nie przesunie, tylko wpłynie na histerezę.


    Ale jak zmienić? Zmniejszyć ich czy zwiększyć?Stwierdziłem że ten potencjometr montażowy służy do zmiany progu załączenia przekaźnika.
  • #6 10464633
    jannaszek
    Poziom 39  
    R1 zmniejsz o np 3kΩ, lub pozostaw w spokoju ale zwiększ R5 o np.220 kΩ.
    Dobrze byłoby to robić na stole i mierzyć temperatury przełącznia- wykorzystując dobry termometr.
    Podkówka służy do zmiany progu.
  • #7 10469839
    hazet
    Poziom 26  
    Kolega Paweł na PW poradził:
    "Szerokość histerezy wyznaczają dwa rezystory
    ΔUh = ΔUwy * R1/R5
    Gdzie:
    ΔUwy - oznacza zmianę napięcia na wyjściu wzmacniacza operacyjnego, dla twojego WO pewnie bezie gdzieś w okolicy 10V.
    Co daje histerez równą ok 10V*75K/2.2M = 0.34V
    Czyli zmiana z 80°C do 55°C o 25°C powoduje zmianę o te 0.34V.
    A chcemy by zmiana tylko o 10°C powodował reakcję układu.
    Czyli nowa szerokość pętli powinna wynieść;
    (10*0.34) /25 = 0.136V.
    I nowa wartość R1
    R1 = ( ΔUh * R5 ) / ΔUwy ( 0.136V * R5)/10V = 30K .
    W praktyce oznacza to konieczność dodanie rezystora równolegle do R1.
    Na początek polecam dodanie drugiego takiego samego czyli 75K i zaobserwowanie jak to wpłynie na działanie układu.
    Bo te obliczenia są zapewne za bardzo optymistyczne. "

    Zrobiłem tak:
    1/Zwiększyłem o 470k opornik R5
    2/Zmieniłem R1 z 75k na 68k.
    3/drobna korekta PR1.
    Na razie testuje w aucie ale wydaje się, że jest dobrze!
  • #8 10470604
    jannaszek
    Poziom 39  
    Zeby stosować te wzory, to należało by znać współczynnik zmian napięcia w funkcji temperatury termistora.
    Dlatego należało to zrobić metodą prób, tak jak zrobiłeś.
  • #9 10486306
    hazet
    Poziom 26  
    Wszystko w porządku problem rozwiązany dokładnie o to chodziło.
REKLAMA