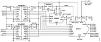
Inżynierowie z Analog Devices zaprojektowali i przetestowali układ analogowego wyjścia do sterowników PLC, oparty na układach produkcji AD. Układ, pokazany na pierwszym obrazku, zapewnia realizację programowalnego wyjścia analogowego, kompatybilnego z większością sterowników programowalnych - PLC i z systemami kontroli DCS. Napięcie generowane przez układ może wynieść do 44V.
AD5662 jest 16 bitowym przetwornikiem DAC z serii nanoDAC® o zmniejszonym zużyciu mocy - zaledwie 0,75mW przy zasilaniu 5V. AD5751 jest układem drivera wyjściowego, który jest doskonale dopasowany do tego przetwornika parametrami.
Układ ADR444 jest generatorem napięcia odniesienia w tym układzie. Charakteryzuje się wysoką dokładnością (0,04%) i stabilnością ( 3ppm/°C) a także niskim szumem (amplituda szumu wznosi zaledwie 1.8 μV, przy pomiarach od 0.1 Hz do 10 Hz). Układ ten zapewnia napięcie odniesienia dla AD5751 i AD5662, zapewniając niski szum i wysoką dokładność, a także znikomy dryft temperaturowy napięcia wyjściowego z przetwornika.
Układu ADuM1301 i ADuM5401 zapewniając izolację galwaniczną sygnałów pomiędzy mikrokontrolerem w PLC a wyjściami analogowymi. Układ ADuM5401 zapewnia także izolowane zasilanie 5V, co pozwala zredukować liczbę elementów w projekcie o dodatkowe układy izolowanego zasilania sekcji analogowej.
Układ ten także zapewnia inne wymagane w przemyśle funkcje, takie jak detekcja awarii wyjść, sprawdzanie poprawności sygnału (poprzez kontrolę sum CRC) i rozmaite możliwości startu, co czyni go idealnym do zastosowań przemysłowych. Żadne dodatkowe precyzyjne elementy, takie jak kalibrowane oporniki itp nie są wymagane w układzie i nie mają wpływu na precyzję gotowego urządzenia, co czyni je idealnym do masowej produkcji w sterownikach PLC.
AD5751 jest jednokanałowym precyzyjnym driverem napięciowym lub prądowym, stworzonym do aplikacji kontrolnych w przemyśle. Może działać z napięciem od 10,8V do 55V, przy napięciu wyjściowym do 44V. Wyjście może być programowane w szeregu zakresów od 0-5V do o-44V. Wyjście prądowe jest osobnym pinem. Może ono pracować w szeregu zakresów, takich jak 4-20mA, 0-20mA i 0-24mA. Układ pozwala na 2% przekroczenie zakresów wyjściowych.
Ad5662 jest jednokanałowym przetwornikiem DAC z buforowanym wyjściem. Gwarantuje on nieliniowość ±1LSB. Przetwornik pracować może z rozmaitymi napięciami odniesienia od 0,75V do napięcia zasilania. Posiada on także układ resetujący przy załączeniu, co pozwala wprowadzać układ w znany stan - np. zera - po każdym załączeniu napięcia zasilania. W proponowanym układzie napięcie odniesienia jest wspólne dla przetwornika DAC i bufora prądowo-napięciowego i wynosi 4,096V.
Układy serii ADuM są cyfrowymi izolatorami galwanicznymi w technologii iCoupler®, a układ ADuM5401 posiada także izolator zasilania isoPower® zapewniający izolowaną linię 5V. Izolacja wynosi aż 2,5kV, co zapewnia bezpieczeństwo pracy układów sterujących. Linia zasilania powinna być podana poprzez koralik ferrytowy i odsprzęgnięta pojemnościowo 10µF i 100nF równolegle.
Układy PLC ponadto wymagają odporności na zakłócenia ESD i przepięcia. Układ AD5751 posiada takie zabezpieczenia wbudowane, co pozwala zrezygnować z zewnętrznych diód zabezpieczających wyjścia. Jednakże w środowisku przemysłowym czasami takie zabezpieczenie możenie być wystarczające, co oznacza potrzebę zastosowania dodatkowych zabezpieczeń w postaci bezpieczników polimerowych i dodatkowych diód Schottkiego.
Układ powinien być zaprojektowany na wielowarstwowej płytce PCB, z znacznymi polami masy. Poprawny routing płytki, wraz z odpowiednim odsprzęgnięciem linii zasilania pozwala na osiągnięcie najwyższych parametrów elektrycznych układu. (patrz Tutorial MT-031, Grounding Data Converters and Solving the Mystery of "AGND" and "DGND," oraz Tutorial MT-101, Decoupling Techniques).
Źródła:
http://www.analog.com/en/circuits-from-the-lab/CN0204/vc.html
AD5662 jest 16 bitowym przetwornikiem DAC z serii nanoDAC® o zmniejszonym zużyciu mocy - zaledwie 0,75mW przy zasilaniu 5V. AD5751 jest układem drivera wyjściowego, który jest doskonale dopasowany do tego przetwornika parametrami.
Układ ADR444 jest generatorem napięcia odniesienia w tym układzie. Charakteryzuje się wysoką dokładnością (0,04%) i stabilnością ( 3ppm/°C) a także niskim szumem (amplituda szumu wznosi zaledwie 1.8 μV, przy pomiarach od 0.1 Hz do 10 Hz). Układ ten zapewnia napięcie odniesienia dla AD5751 i AD5662, zapewniając niski szum i wysoką dokładność, a także znikomy dryft temperaturowy napięcia wyjściowego z przetwornika.
Układu ADuM1301 i ADuM5401 zapewniając izolację galwaniczną sygnałów pomiędzy mikrokontrolerem w PLC a wyjściami analogowymi. Układ ADuM5401 zapewnia także izolowane zasilanie 5V, co pozwala zredukować liczbę elementów w projekcie o dodatkowe układy izolowanego zasilania sekcji analogowej.
Układ ten także zapewnia inne wymagane w przemyśle funkcje, takie jak detekcja awarii wyjść, sprawdzanie poprawności sygnału (poprzez kontrolę sum CRC) i rozmaite możliwości startu, co czyni go idealnym do zastosowań przemysłowych. Żadne dodatkowe precyzyjne elementy, takie jak kalibrowane oporniki itp nie są wymagane w układzie i nie mają wpływu na precyzję gotowego urządzenia, co czyni je idealnym do masowej produkcji w sterownikach PLC.
AD5751 jest jednokanałowym precyzyjnym driverem napięciowym lub prądowym, stworzonym do aplikacji kontrolnych w przemyśle. Może działać z napięciem od 10,8V do 55V, przy napięciu wyjściowym do 44V. Wyjście może być programowane w szeregu zakresów od 0-5V do o-44V. Wyjście prądowe jest osobnym pinem. Może ono pracować w szeregu zakresów, takich jak 4-20mA, 0-20mA i 0-24mA. Układ pozwala na 2% przekroczenie zakresów wyjściowych.
Ad5662 jest jednokanałowym przetwornikiem DAC z buforowanym wyjściem. Gwarantuje on nieliniowość ±1LSB. Przetwornik pracować może z rozmaitymi napięciami odniesienia od 0,75V do napięcia zasilania. Posiada on także układ resetujący przy załączeniu, co pozwala wprowadzać układ w znany stan - np. zera - po każdym załączeniu napięcia zasilania. W proponowanym układzie napięcie odniesienia jest wspólne dla przetwornika DAC i bufora prądowo-napięciowego i wynosi 4,096V.
Układy serii ADuM są cyfrowymi izolatorami galwanicznymi w technologii iCoupler®, a układ ADuM5401 posiada także izolator zasilania isoPower® zapewniający izolowaną linię 5V. Izolacja wynosi aż 2,5kV, co zapewnia bezpieczeństwo pracy układów sterujących. Linia zasilania powinna być podana poprzez koralik ferrytowy i odsprzęgnięta pojemnościowo 10µF i 100nF równolegle.
Układy PLC ponadto wymagają odporności na zakłócenia ESD i przepięcia. Układ AD5751 posiada takie zabezpieczenia wbudowane, co pozwala zrezygnować z zewnętrznych diód zabezpieczających wyjścia. Jednakże w środowisku przemysłowym czasami takie zabezpieczenie możenie być wystarczające, co oznacza potrzebę zastosowania dodatkowych zabezpieczeń w postaci bezpieczników polimerowych i dodatkowych diód Schottkiego.
Układ powinien być zaprojektowany na wielowarstwowej płytce PCB, z znacznymi polami masy. Poprawny routing płytki, wraz z odpowiednim odsprzęgnięciem linii zasilania pozwala na osiągnięcie najwyższych parametrów elektrycznych układu. (patrz Tutorial MT-031, Grounding Data Converters and Solving the Mystery of "AGND" and "DGND," oraz Tutorial MT-101, Decoupling Techniques).
Źródła:
http://www.analog.com/en/circuits-from-the-lab/CN0204/vc.html
Fajne? Ranking DIY
