logo elektroda
logo elektroda
X
logo elektroda
REKLAMA
REKLAMA
Adblock/uBlockOrigin/AdGuard mogą powodować znikanie niektórych postów z powodu nowej reguły.

Sterowanie z kierownicy radiem LG LCS500UR w Laguna II

dexxxterek 06 Lut 2012 22:21 4934 6
REKLAMA
  • #1 10506598
    dexxxterek
    Poziom 10  
    Witam

    Posiadam Renault Laguna II i radio LG LCS500UR. Chciałbym podłączyć je do sterowania w kierownicy oraz wyświetlacza. Wiem, że można za grosze wykonać odpowiednia przejściówkę dla radia pioneer, ale o LG nie mogę znaleźć informacji.

    Czy posiada ktoś schemat do tego radia lub wie czy jakiś od innego będzie działać z tym radiem?
  • REKLAMA
  • #2 10509501
    milejow
    Poziom 43  
    O ile zdalne sterowanie to może ma ten model, jednak z wyświetlania na oddzielnym display,u zapomnij bo to radio nie ma funkcji SUB DISPLAY OUT
  • REKLAMA
  • #3 10510365
    Nawigator
    Poziom 33  
    Cytat:
    Chciałbym podłączyć je do sterowania w kierownicy oraz wyświetlacza. Wiem, że można za grosze wykonać odpowiednia przejściówkę dla radia pioneer ...

    Można prosić o bliższe szczegóły, byłbym zainteresowany?

    N.
  • REKLAMA
  • #4 10511047
    dexxxterek
    Poziom 10  
    wpisz w google "laguna ii pioneer" i 3 link od gory jest do pdf z instrukcja.

    Wracajac do tematu - mozna chociaz samo sterownie z kierownicy zrobic? jakis schemat?
  • REKLAMA
  • #5 10512213
    Nawigator
    Poziom 33  
    Wpisałem ale nic tam nie ma na temat wyświetlacza.

    N.
  • #6 12068824
    Robert000
    Poziom 2  
    To radio na pewno ma sterowanie analogowe, dziś sprawdziłem. Tzn po podłączeniu jacka, można sterować rezystancjami
  • #7 15967010
    KStanek
    Poziom 22  
    Witam. Jako że posiadam taki model radia i też chcę do zaadoptować do sterowania z kierownicy.

    Auto - Citroen Evasion.
    Zakupiłem na aukcji przyciski z kierownicy, ale okazało się że jest uszkodzona taśma połączeniowa między przyciskami a płytką z rezystorami. Postanowiłem wykonać własną na elementach THT. Przycisków jest 8 czyli 4 na stronę. Płytka mam zamontowane oryginalne gniazd zdemontowane z uszkodzonego modułu. Wykorzystałem 8 potencjometrów precyzyjnych (Helitrim). W przyciskach sterowania - żaróweczki wymieniłem na diody - mniej prądu a święcą dużo lepiej.


    Sterowanie z kierownicy radiem LG LCS500UR w Laguna II

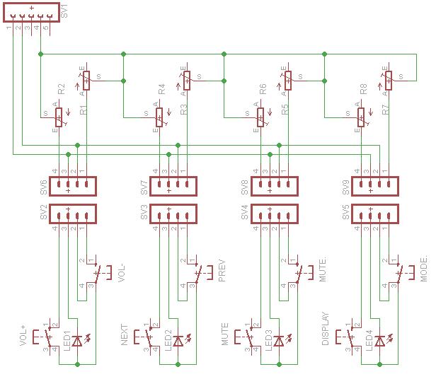
    Schemat:
    SV1 - Połączenie do taśmy zwijki pod kierownicą.
    R1-R8- Helitrimy
    SV2-SV9 - Połączenie między przyciskami a płytką.
    LED1-LED4 - Diody w przyciskach. 1szt na 2 przyciski.

    Rezystancje dla radia LCS500UR itp. Połączenie 3,5mm jack, kanał lewy i masa:
    0 - 3K - Mode
    4 - 5,1K - Mute
    5,3 - 7,3K - Display
    7,5 - 9,6K - Next
    10K - 14K - Prev
    15K - 17K - Vol +
    20K - 23K - Vol -

    Wykonując taką płytkę można przystosować każdą analogową kierownicę do wszystkich aut i do każdego radia sterowanego analogowo przez podanie rezystancji.
REKLAMA