Witam.
Postanowiłem jeszcze raz wrócić do tego monitora.
Wymieniłem układ TSUMU58WHJ-LF, zaprogramowałem flash.
Napięcia mierzone na cewkach 5v, 3,3V, 1,8V stabilne.
Zauważyłem że skacze napięcie VLCD, wydaje mi się że procek cyklicznie wystawia sygnał on_Panel.
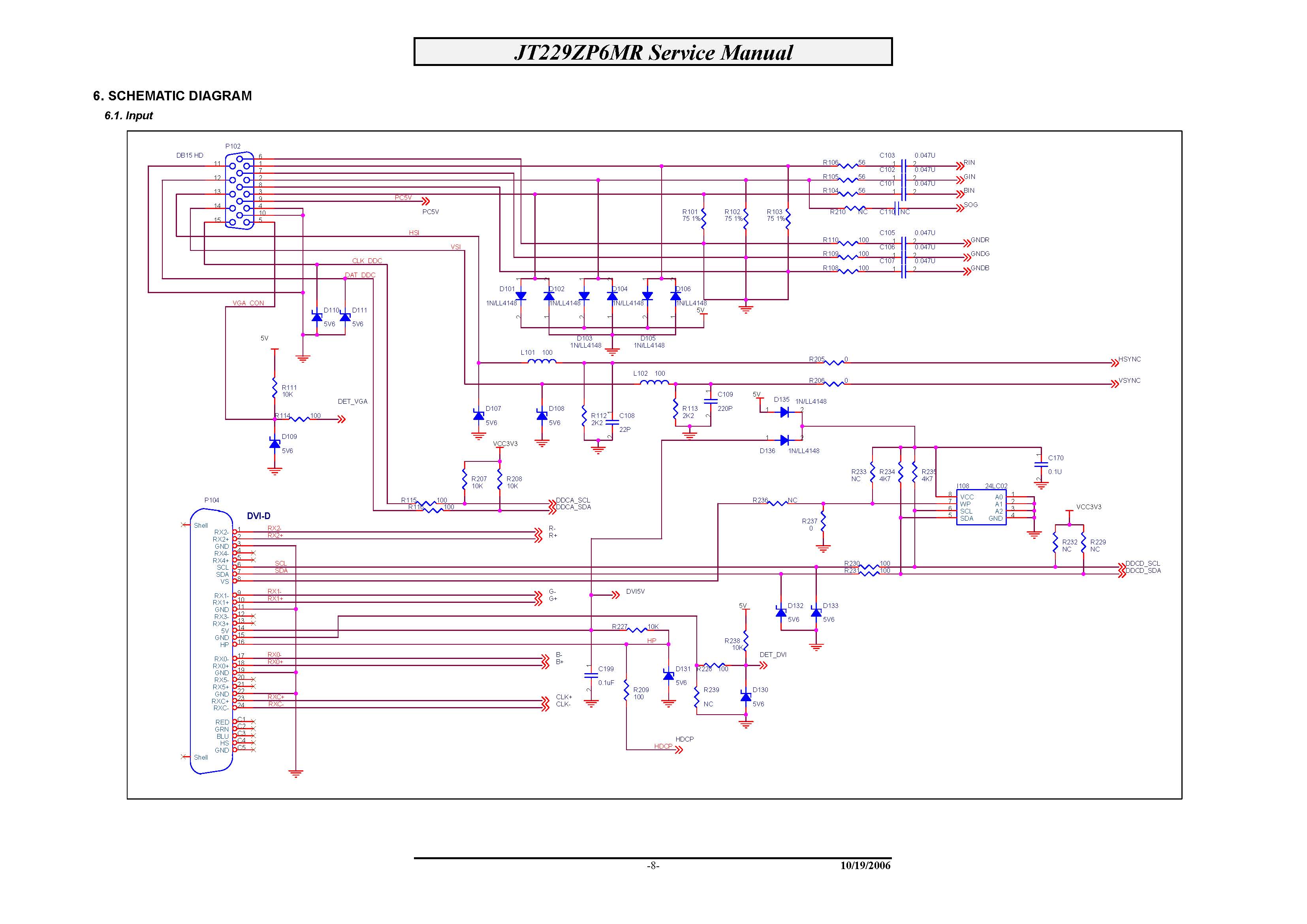
Niestabilne jest napięcie zasilające układ EEPROM I108 skacze 4,37V - 4,57V niestety nie mogę dojść dlaczego.

Postanowiłem jeszcze raz wrócić do tego monitora.
Wymieniłem układ TSUMU58WHJ-LF, zaprogramowałem flash.
Napięcia mierzone na cewkach 5v, 3,3V, 1,8V stabilne.
Zauważyłem że skacze napięcie VLCD, wydaje mi się że procek cyklicznie wystawia sygnał on_Panel.
Niestabilne jest napięcie zasilające układ EEPROM I108 skacze 4,37V - 4,57V niestety nie mogę dojść dlaczego.