logo elektroda
logo elektroda
X
logo elektroda
REKLAMA
REKLAMA
Adblock/uBlockOrigin/AdGuard mogą powodować znikanie niektórych postów z powodu nowej reguły.

Alan 18 - zmiana mikrofonu z dynamicznego na pojemnościowy

ediii 15 Lut 2012 09:16 4489 7
REKLAMA
  • #1 10547966
    ediii
    Poziom 11  
    Witam, w moim Alanie 18 uszkodzeniu uległ oryginalny dynamiczny mikrofon (a konkretnie jego wkładka). Posiadam nieużywany mikrofon z Onwy MK2 (pojemnościowy). Czy jest możliwa taka przeróbka?
  • REKLAMA
  • REKLAMA
  • #3 10548229
    ediii
    Poziom 11  
    Czyli na pin odpowiedzialny za modulację (pin nr 1) muszę podać dodatkowe zasilanie? Z którego miejsca najlepiej je wziąć?
  • REKLAMA
  • #4 10548451
    Olek II
    Moderator
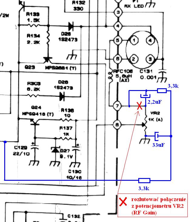
    Napięcie można podłączyć ze stabilizatora, ale przez rezystor 10 kΩ do pin 1, a szeregowo z dławikiem który jest przylutowany do pin 1 RFC 109, musisz wlutować kondensator ok 2,2µF/25V. Kondensator musi być, ponieważ zaraz za wejściem mikrofonowym jest potencjometr 1KΩ, Mic Gain i nie ma separacji galwanicznej.
  • #5 10549580
    SP5ANJ
    Spoczywaj w Pokoju
    Witam.
    ediii napisał:
    Czyli na pin odpowiedzialny za modulację (pin nr 1) muszę podać dodatkowe zasilanie? Z którego miejsca najlepiej je wziąć?

    Tak jak napisał kolega .
    Olek II napisał:
    Napięcie można podłączyć ze stabilizatora, ale przez rezystor 10 kΩ do pin 1, a szeregowo z dławikiem który jest przylutowany do pin 1 RFC 109, musisz wlutować kondensator ok 2,2µF/25V.


    Pozwolę sobie na "pokazanie" - co, jak i gdzie" :

    Alan 18 - zmiana mikrofonu z dynamicznego na pojemnościowy

    Alan 18 - zmiana mikrofonu z dynamicznego na pojemnościowy

    Układ "zasilania" sprawdzony i na 100% działający (oporniki 2 x 3,3kΩ i 33µF - to układ filtrujący "tętnienia" z zasilania +8V) .


    Pozdrawiam.
  • #6 10553628
    ediii
    Poziom 11  
    Czy oznaczenie RF-gain na 1 rysunku jest poprawne?
  • REKLAMA
  • #8 14985529
    montana07
    Poziom 11  
    Przez 3 lata nikomu nie chciało się poprawić błędu.
    Alan 18 nie posiada funkcji Rf-gain, więc nie posiada również takiego potencjometru
    VR 2 to Mic-gain.
    Dodaję fragment schematu z opisem. Alan 18 - zmiana mikrofonu z dynamicznego na pojemnościowy
    Moderowany przez Olek II:

    Wszyscy wiedzą w czym rzecz.
    3.1.19. Nie wysyłaj wiadomości w tematach archiwalnych, jeśli jest to kolejne pytanie, w szczególności inne niż osoby pytającej. Z racji szacunku do pytającego załóż własny temat. Możesz dopisać tylko sposób rozwiązania problemu.

REKLAMA