Panowie
Przez jakiś czas był problem z odłsuchem i przerywanie. Nadawanie działało bez zarzutu.
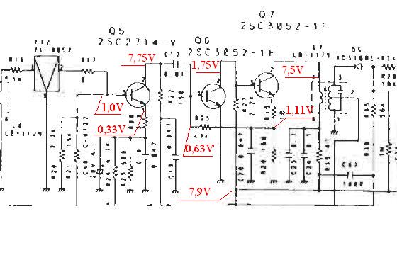
Wczoraj odsłuch umarł zupełnie i wygląda, że nadawanie działa bez zarzutu, a głośniczek jest sprawny.
Gdzie szukać przyczyny ?
Przez jakiś czas był problem z odłsuchem i przerywanie. Nadawanie działało bez zarzutu.
Wczoraj odsłuch umarł zupełnie i wygląda, że nadawanie działa bez zarzutu, a głośniczek jest sprawny.
Gdzie szukać przyczyny ?

