Poszukuję aplikacji do zaprogramowania jakiegoś układu którym mógłbym zastąpić syntezę PLL2002A, ponieważ od pół roku poszukuję tego układu lub jego zamiennika SM5158A ale nigdzie nie mogę go zdobyć. Prosiłbym o pomoc w tym temacie.
Czy wolisz polską wersję strony elektroda?
Nie, dziękuję Przekieruj mnie tamdon_viking napisał:Chciałbym nadmienić ze chodzi tu o syntezę do radia president george. Chodziło mi o to czy ktoś ma jakiś program do zaprogramowania jakiegoś c-mosa lub jakiś inny układ który by je zastąpił.
http://malzev.tripod.com/radiodoc/pll_prog.htm
Na stronie powyżej był kiedyś plik który programował układ, była też polska strona temu poświęcona ale już jej nie znalazłem, co swiadczy o tym ze istnieje taka możliwość programowania. prosiłbym o pomoc w uruchomieniu tego radia.
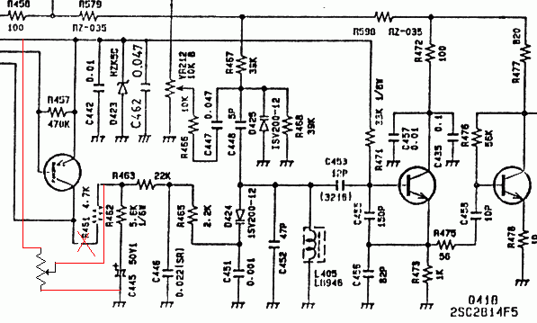
don_viking napisał:Zdobyłem syntezę z innego radia i podobno sprawną ale nie mogę uruchomić radia całkowicie. Problem opisałem w temacie
https://www.elektroda.pl/rtvforum/topic2238569.html#10629757
Prosiłbym o pomoc jeśli ktoś się w tym orientuje.
don_viking napisał:Gdzie jest napisane, że po wmontowaniu IC401 radio będzie działać ? Rozumiem, że poprzedni właściciel (sprzedający) zapewniał, że jedyną usterką jest brak układu scalonego ,który w zasadzie przed jego wymontowaniem nie nosił oznak uszkodzenia z winy innej usterki, zaś potencjalna przyczyna jego uszkodzenia // tudzież bloku PLL // usunięta ?kupiłem go jako uszkodzone (...) Wymieniłem pare tranzystorów i syntezę pll2002a1 na sprawną bo wcześniej była inna zamontowana
bc211 napisał:Reset IC401, wybór kanału (lub Tx/Rx), sprawny wpisze dane do rejestru = zadziała przełącznik
IC401 nie sprawny = nie zadziała = naprawa VCO nie ma sensu. Nie rozumiesz ? - zostaw radio w spokoju
don_viking napisał:Czy ma ktoś jakiś pomysł z jakiego powodu jest takie małe napięcie na syntezie i częstotliwość jest za mała? Jaka może być tego przyczyna i co w pierwszej kolejności sprawdzić.