W przetwornicy zastosowano bezstratne snubbery.
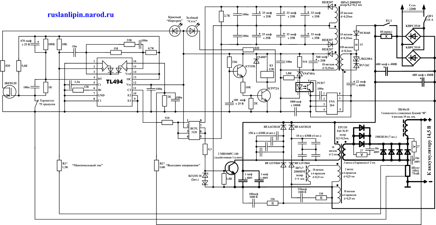
Na schemacie przedstawiono jednotaktową przetwornicę forward, w której wykorzystano jeden element przełączający. W odróżnieniu od pół-mostka, w którym energia z transformatora wraca do kondensatorów poprzez diody zwrotne, w forward do rozmagnesowania rdzenia dochodzi poprzez uzwojenie pomocnicze (18 zwojów). Wzrost napięcia na uzwojeniu pierwotnym jest ograniczony przez baterię kondensatorów (150nF x 630V - 4 sztuki). Kondensatory rozładowują się do poziomu napięcia zasilania (300V) za pomocą uzwojenia pomocniczego. Dzięki okresowym rozładowaniom kondensatorów napięcie na tranzystorze mocy nie przewyższa podwojonej wartości napięcia zasilania.
Aby tak to działało w praktyce uzwojenie pomocnicze powinno posiadać dobre sprzężenie magnetyczne z uzwojeniem pierwotnym. W tym celu dwa uzwojenia nawija się jednocześnie (bifilarnie). Ponieważ różnica napięć między pierwotnym, a pomocniczym uzwojeniem wynosi ok. 300V, powinna być między nimi dobra izolacja. Ja obwiązywałem każde uzwojenie taśmą papierową.
Proces nawijania transformatora mocy powinien wyglądać następująco: na początku nawija się 9 zwojów uzwojenia pierwotnego razem z 9 zwojami uzwojenia pomocniczego w jednej warstwie. W następnej warstwie nawijamy uzwojenie wtórne. Na powierzchni uzwojenia wtórnego znów nawijamy po 9 zwojów uzwojenia pierwotnego i pomocniczego. Kierunek nawijania wszystkich warstw powinien być jednakowy i każdy z nich powinien zaczynać się z jednego brzegu karkasu. Następnie nawijamy 2 zwoje uzwojenia odpowiadającego za pracę bezstratnego snubbera.
W charakterze klucza wykorzystano połowę modułu IGBT 2MBI100PC-140. Moduł wziąłem z uszkodzonego falownika, jego druga połowa była przebita. Kluczem można sterować za pomocą specjalnie przeznaczonego do tego celu sterownika HCPL3120 według schematu. Zamiast modułu można wykorzystać kilka (2-3) tranzystory IRG4PF50U, IRG4PF50W lub analogiczne o napięciu na złączu C-E nie mniejszym niż 900V. W tym wypadku tranzystory należy przylutować do podłoża z miedzi. Do radiatora tranzystorów trzeba koniecznie zamontować dodatkowy bezpiecznik termiczny. Przedstawiony na schemacie bezpiecznik montuje się do radiatora diod wyjściowych i też jest niezbędny.
Uruchomienie przetwornicy
Zamiast R1 należy przylutować rezystor o wartości 100Ω. Nie podając zasilania klucza, zasilamy blok sterowania. Po upływie kilku sekund powinien się włączyć przekaźnik elektryczny i zaświecić zielona dioda. Za pomocą oscyloskopu kontrolujemy impulsy PWM na bramce klucza. Ich częstotliwość powinna wynosić 40-50kHz. Ujemny impuls powinien być widocznie dłuższy. Otwarcie obwodu bezpiecznika termicznego powinno doprowadzić do zaświecenia się czerwonej diody i blokady przetwornicy.
Jeśli wszystko działa w ten sposób, montujemy przetwornicę zgodnie ze schematem i podłączamy ją do sieci. Dobierając odpowiednią wartość rezystora R2, ustawiamy napięcie wyjściowe na 14,2-14,6V. Włączamy woltomierz równolegle do bocznika wyjściowego i obciążamy wyjście za pomocą rezystora 0,1Ω i odpowiedniej mocy. Zmierzone napięcie powinno odpowiadać wartości prądu nie większej niż 80A. Równocześnie napięcie na wyjściu powinno się zmniejszyć.
Jeśli wszystko się zgadza, zwiększamy wartość rezystora R1 dopóki nie otrzymamy wymaganej maksymalnej wartości prądu na zwartym wyjściu.
Źródło: http://ruslanlipin.narod.ru/puskovoe_fixaty.html
Fajne? Ranking DIY
