logo elektroda
logo elektroda
X
logo elektroda
REKLAMA
REKLAMA
Adblock/uBlockOrigin/AdGuard mogą powodować znikanie niektórych postów z powodu nowej reguły.

Alan 100 Plus - wyświetlacz wariuje w niskiej temperaturze, zimne luty?

k0sm099 21 Lut 2012 12:25 3620 7
REKLAMA
  • #1 10576896
    k0sm099
    Poziom 10  
    Witam,
    mam następujący problem z CB radiem Alan 100 plus, gdy radio jest w niskiej temperaturze dziwnie zachowuje się wyświetlacz. Ustawiam mu np. kanał 19 i po chwili na wyświetlaczu pojawia się to np. 1 to, 3 to jakaś tam inna cyfra lub całkowicie gaśnie.
    Wcześniej było jeszcze tak, że jeden segment wyświetlacza nie działa i gdy ustawiłem kanał 19 to pisało 13 ale wczoraj przelutowałem pół płyty bo podejrzewałem zimne luty i ten problem znikł.
    Czy problem który wyżej opisuję również związany jest zimnymi lutami i pozostaje mi przelutowac drugą część płyty?

    Proszę o pomoc ponieważ temat CB radia jest dla mnie nowy.

    P.S jeśli istnieje temat który poruszam proszę o link ponieważ ja szukałem i niestety nie znalazłem tematu opisującego ten problem.
  • REKLAMA
  • Pomocny post
    #2 10578209
    bc211
    Poziom 30  
    k0sm099 napisał:
    jeśli istnieje temat który poruszam proszę o link ponieważ ja szukałem i niestety nie znalazłem tematu opisującego ten problem
    Podobnych tematów Link Link Link Link Link
    k0sm099 napisał:
    na wyświetlaczu pojawia się to np. 1 to, 3 to jakaś tam inna cyfra lub całkowicie gaśnie.
    Wcześniej było jeszcze tak, że jeden segment wyświetlacza nie działa i gdy ustawiłem kanał 19 to pisało 13 ale wczoraj przelutowałem pół płyty bo podejrzewałem zimne luty i ten problem znikł.
    Pewnie wystarczyło zmierzyć napięcie na obu nogach kwarcu Link, naprawić i to wszystko
    k0sm099 napisał:
    Czy problem który wyżej opisuję również związany jest zimnymi lutami i pozostaje mi przelutowac drugą część płyty?
    Teraz już się raczej nie dowiesz co było
  • REKLAMA
  • #3 10583763
    k0sm099
    Poziom 10  
    bc211 napisał:
    Podobnych tematów Link Link Link Link Link

    Ja niestety ich nie znalazłem, może źle szukałem.

    bc211 napisał:
    Pewnie wystarczyło zmierzyć napięcie na obu nogach kwarcu Link, naprawić i to wszystko

    czyli co mam zrobić, żeby to naprawić? Zmierzyć napięcie na nogach kwarcu? I jeśli będą złe to co wtedy?
  • REKLAMA
  • #4 10583813
    bc211
    Poziom 30  
    Znaczy, że coś nie łączy, uszkodzony dławik, kwarc. Jeśli wyświetlacz świeci, to nie ma takiej opcji, aby na obu nogach IC1 było 0V.
  • REKLAMA
  • #5 10598752
    k0sm099
    Poziom 10  
    Objaw jest taki teraz taki, że czasami wyświetla się po prostu (będę pisał na przykładzie kanału 19) 19 jak być powinno a czasami 13 choć ustawiony kanał to 19. Nie wyświetla się po prostu jedna kreseczka wyświetlacza.
    Cała płyta główna radia przelutowana bardzo dokładnie więc raczej zimne luty odpadają chyba, że w tej części panelu przedniego bo tam przelutowałem tylko połowę płyty.

    Czy ktoś spotkał się z takimi objawami?
    bc211, jak sprawdzić dławik bądź kwarc?
  • #6 10599493
    bc211
    Poziom 30  
    A widzisz nie doczytałem radio z 13 na 19 stym nie jeden fachman widział już. Może być tak, że wyświetlacz jest padnięty i od czasu do czasu wpadnie ta kreska. Pytanie czy poza tym radio działa normalnie ? Jeśli tak, to awaria nie dotyczy kwarcu. Myślałem, że trafiłeś na zimny lut a okazuje się, że nie. Dobrze jest zmierzyć napięcia AC na rezystorach R133 do R139
  • #7 10600431
    SP5ANJ
    Spoczywaj w Pokoju
    Witam.
    bc211 napisał:
    Dobrze jest zmierzyć napięcia AC na rezystorach R133 do R139

    Tylko po co, jeżeli "sygnał wyświetlacza" jest multipleksowany.

    Proponuję inny eksperyment w celu sprawdzenia samego wyświetlacza.

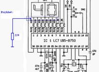
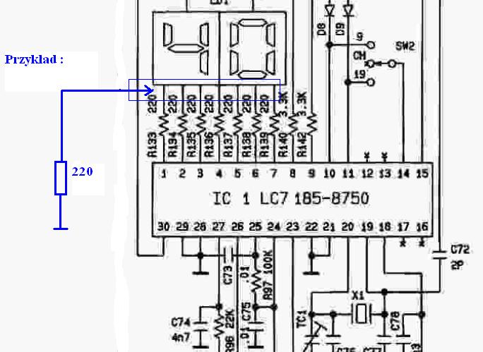
    W tym celu należy podłączyć opornik około 200Ω (180 do 300) jedną nóżką do GND (masy) a drugą nóżkę podłączyć do przewodziku około 20cm (jako przedłużenie opornika dla wygody) i tym końcem zwierać punkty pomiędzy R a wyświetlaczem (na bolcach wyświetlacza).
    Jeżeli segment w wyświetlaczu będzie OK to po podłączeniu (poprzez dodatkowy opornik) konkretnej nóżki do masy w obydwu wyświetlaczach podświetlą się mocniej dane segmenty.

    Alan 100 Plus - wyświetlacz wariuje w niskiej temperaturze, zimne luty?

    Jeżeli wszystko będzie OK to niestety wymiana LC-7185 na nowy, który tymi wyświetlaczami steruje.


    Pozdrawiam.
  • #8 10601870
    bc211
    Poziom 30  
    Dobry sposób R może być większy, ale nie mniejszy bo można spalić wyświetlacz.
    Od kanału 10 w górę powinny się zaświecać segmenty parami np. 1A/2A, 2B/2C, itd.
REKLAMA