logo elektroda
logo elektroda
X
logo elektroda
REKLAMA
REKLAMA
Adblock/uBlockOrigin/AdGuard mogą powodować znikanie niektórych postów z powodu nowej reguły.

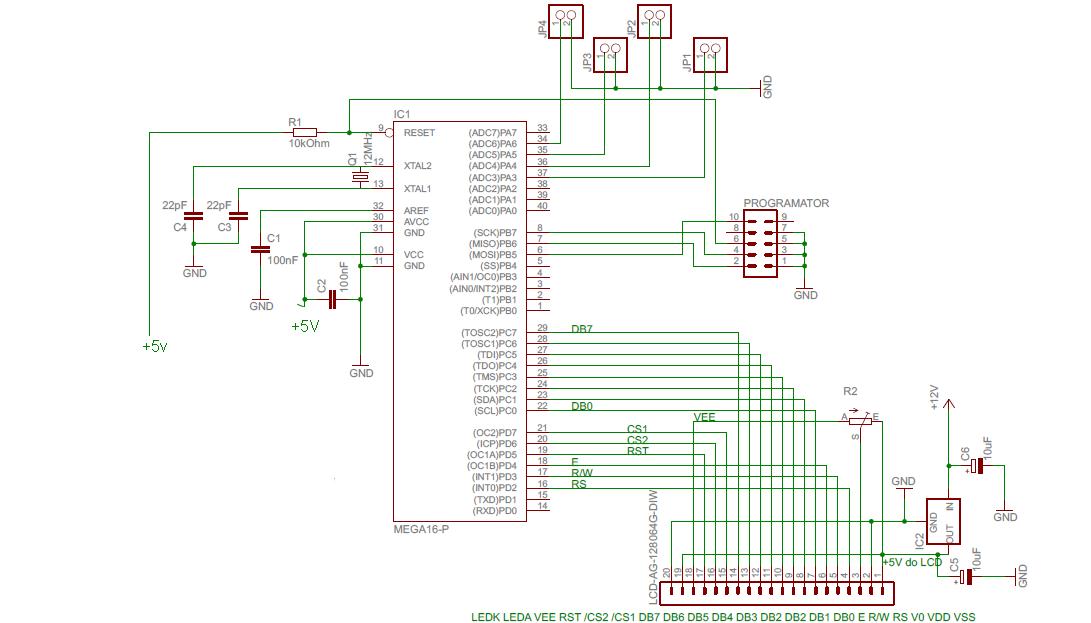
[A16] [A16][LCD] Schemat podłączenia LCD 128x64-G z kontrolerem KS0108B - weryfikacja

eiliat 29 Lut 2012 00:20 1527 5
REKLAMA
  • #1 10613440
    eiliat
    Poziom 15  
    Witam,

    Czy może ktoś rzucić okiem na schemat? Nie chcę go podłączać, żeby czegoś nie zjarać :)
    Wszystkie części są nowe.
    Na schemacie tam gdzie jest +5V to wszystko rozchodzi się od stabilizatora z prawego dolnego rogu.

    Info o wyświetlaczu:
    LCD 128x64-G
    LCD-AG-128064G-DIW W/KK-E6 PBF = AGG128064G04-DIW-R
    STEROWNIK: KS0108B (HD61202/3)
  • REKLAMA
  • Pomocny post
    #2 10613951
    pawel-jwe
    Poziom 30  
    Na pierwszy rzut oka wygląda poprawnie, tylko przy IC2 (rozumiem że to stabilizator 7805) na wej/wyj wystarczy dać ceramiki 100nF. I "AREF" nie musisz zwierać do masy przez C1, może być niepodłączony (w sumie tak by było chyba nawet lepiej).
  • REKLAMA
  • Pomocny post
    #3 10613983
    korrus666
    Poziom 40  
    pawel-jwe napisał:
    I "AREF" nie musisz zwierać do masy przez C1, może być niepodłączony (w sumie tak by było chyba nawet lepiej).

    Czemu mieszasz koledze w głowie. Podłączył AREF przez C1 do masy bo będzie pewnie używał ADC. A pozostawienie AREF w powietrzu to niby co miałoby dać? Lepiej jednak jak jest podłączone przez C1 do masy nawet jak nie korzysta się z ADC.
  • REKLAMA
  • Pomocny post
    #4 10614103
    pawel-jwe
    Poziom 30  
    korrus666 napisał:
    Podłączył AREF przez C1 do masy bo będzie pewnie używał ADC

    Kolega nic takiego nie napisał, więc niby skąd mam to wiedzieć. Ale jeśli chce faktycznie używać ADC to warto by jeszcze AVCC podłączył przez dławik 10uH.
    korrus666 napisał:
    A pozostawienie AREF w powietrzu to niby co miałoby dać?

    Nic nie pisał o ADC więc wnioskuje że nie miał zamiaru używać przetwornika dlatego można pozostawić niepodłączone, nie będzie to miało żadnego wpływu na działanie układu (chociaż nawet jak by korzystał z ADC przy wew Aref to też by dużej różnicy nie miał w działaniu).
  • REKLAMA
  • #5 10614158
    eiliat
    Poziom 15  
    Największe wątpliwości mam wokół podłączenia zasilania i regulacji kontrastu w LCD. Nie wiem czy potencjometr dobrze podłączyłem i ogólnie piny 3, 18,19 i 20?
  • Pomocny post
    #6 10614275
    korrus666
    Poziom 40  
    pawel-jwe napisał:
    (chociaż nawet jak by korzystał z ADC przy wew Aref to też by dużej różnicy nie miał w działaniu).

    Pewnie sobie producent układu w nocie napisał tak dla żartu żeby AREF łączyć do masy przez kondensator. Jest konkretny powód dla którego ten kondensator ma tam być.

    Pewnie wystarczyłoby potencjometr pod masę podłączyć zamiast pod VEE ale tak też może być.
REKLAMA