logo elektroda
logo elektroda
X
logo elektroda
REKLAMA
REKLAMA
Adblock/uBlockOrigin/AdGuard mogą powodować znikanie niektórych postów z powodu nowej reguły.

Midland 8001 plus synteza pływa ,zablokował 4 dolne czterdziestki.

wojciech11 03 Mar 2012 11:25 3019 9
REKLAMA
  • #1 10627189
    wojciech11
    Poziom 12  
    Witam.
    Jest to cb. radio także ze wstegami, nie wszyscy o tym wiedzą .Ma 10 czterdziestek, takie kupilem nowe .w sklepie z gwaranrja 8 -lat temu.
    Kilka dni temu zablokował sam dolne czterdziestki nie wyświetla,a pokazuje
    czestotliwości od 27555Mhz w górę prawidłowo.Na moją wiedzę coś niedobrego sie stało z syntezerem albo i procesosem wtym radiu. Moze koledzy mi podpowiedza jakie to są ich nazwy lub na co jeszcze zwrocić uwagę.
    Wojciech11

    Zgodnie z regulaminem naszego forum należy dbać o szacunek dla języka polskiego w swoich wypowiedziach. Przypominam również o punkcie 3.3 regulaminu. /Olek II/
  • REKLAMA
  • REKLAMA
  • #3 10628374
    wojciech11
    Poziom 12  
    Witam.
    Dziękuje kolego za podpowiedz ,ale schemat to do niego mam.Oznaczenie procesora nieznane na nim.Tajemnica producenta.

    Pozdrawiam Wojciech11
  • #4 10628472
    SP5ANJ
    Spoczywaj w Pokoju
    wojciech11 napisał:
    Oznaczenie procesora nieznane na nim.Tajemnica producenta.

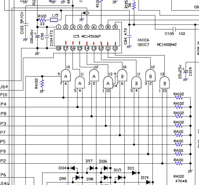
    Jak nie znane jak znane i jest to popularna "kość" o nazwie MC145106P .

    Abyś mógł się dowiedzieć czy stany wejściowe dzielników są poprawne w tych wyłączonych 40-stkach - to miernik w rękę i zmierz czy są logiczne stany napięć na nóżkach tego układu od n.10 do n.17 (zaznaczone na czerwono) względem masy/GND.

    Midland 8001 plus synteza pływa ,zablokował 4 dolne czterdziestki.


    Pozdrawiam.
  • REKLAMA
  • #5 10628782
    wojciech11
    Poziom 12  
    Witam.
    Dzięki. Wszystko jasne .Czy jest szansa na wprowadzenie w ten procesor te dane co miał poprzednio. Gniazda usb to radio nie ma.
    Pozdrawiam.
  • #6 10629015
    kriss51
    VIP Zasłużony dla elektroda
    wojciech11 napisał:
    Witam.
    Dzięki. Wszystko jasne .Czy jest szansa na wprowadzenie w ten procesor te dane co miał poprzednio. Gniazda usb to radio nie ma.
    Pozdrawiam.


    To nie jest procesor. To jest zwykły scalak PLL programowany kodem BCD. On nie ma żadnej szyny aby go programować z komputera lub innego procesora. Tam są ustawiane na wejściach od 10 do 17 odpowiednie stany logiczne 0 i 1. Musisz znać jakie stany dla danego kanału. Zresztą kolega SP5ANJ już to wszystko napisał. Kodowany jest poprzez 2 układy MC14008 (bramki). Napisz jeszcze czy reszta działających częstotliwości leci po kolei czyli co 10KHz, albo są nie po kolei jakby losowo. Miałem przypadek że jedna z bramek padła i np. trzy razy w lewo miałem na niektórych kanałach częstotliwości z podstawy. Koszt układu MC14008 to około 2zł.
  • REKLAMA
  • #7 10629651
    SP5ANJ
    Spoczywaj w Pokoju
    Witam.
    wojciech11 napisał:
    Czy jest szansa na wprowadzenie w ten procesor te dane co miał poprzednio. Gniazda usb to radio nie ma.

    Ty tak na poważnie czy sobie z Nas jakieś "jaja" robisz. :?:

    Przypomnę, że jest to dział serwisowy.

    Przy odrobinie chęci/pomysłowości i po 15 sekundach klikania - możesz otrzymać takie o to informacje : http://www.cbtricks.com/radios/galaxy/datasheets/ic/mc145106p.htm

    Regulamin pkt 3.1.17 .
    3.1.17. Zabronione jest publikowanie wpisów obniżających ogólny poziom dyskusji, wynikających z lenistwa lub zawierających roszczeniowy charakter wypowiedzi.


    Pozdrawiam.
  • #8 10630477
    bc211
    Poziom 30  
    Chłopcy-radarowcy ile "czterdziestek" miał Alan ze schematu, a ile ma Alan 8001 Euro Plus...
    wojciech11 napisał:
    Gniazda usb to radio nie ma
    Może to i dobrze, że producenci CB radii jak dotąd skutecznie blokują poczynania przygodnych naprawiaczy
  • #9 10632814
    wojciech11
    Poziom 12  
    Witam.
    Odpowiadam ,od 27.555Mhz czestotliwość ustawiana skokowo przelącznikiem w
    górę nastawia się prawidło ,nie losowo ,nie przypadkowo,tak jak w sprawnie dzialającym radiu.Aluzje kolegi że radio nie ma 10-czterdziestek są nie na miejscu.To jest Midland 8001 plus a nie euro plus. Mylisz się z prawdą.
    To jest poważna strona ,ja o tym pamiętam jaj nie robię,jest tak jak napisałem.
    Jeszcze raz dzięki za podpowiedzi. Ten syntezer jest do kupna ,mialem go już w ręku dzisiaj rano.


    Pozdrawiam wszystkich usilujących mi pomoc i tych przeciwnikow też

    Wojciech11
  • #10 10733435
    wojciech11
    Poziom 12  
    Witam.
    Midland naprawiony.Temat pragnę zakończyć.Wskazówki kolegi o wymianie jednego ze scalaków byly trafione,ale to nie wszystko ,jeszcze dwa poszly
    do wymiany i przewód co był przylutowany na pastę lutowniczą zrobił pływanie
    syntezy . Tak to by bylo po okolo 10-latach użytkowania .

    Pozdrawiam Wojciech11
REKLAMA