logo elektroda
logo elektroda
X
logo elektroda
REKLAMA
REKLAMA
Adblock/uBlockOrigin/AdGuard mogą powodować znikanie niektórych postów z powodu nowej reguły.

ATtiny2313 brak połączenia po erase chip

krychu0505 12 Mar 2012 22:24 1854 4
REKLAMA
  • #1 10669813
    krychu0505
    Poziom 21  
    Programując mikrokontroler attiny2313 kliknąłem erase chip w bascomie aby usunąć program i wgrać na nowo ale po usunięciu nie mogę się połączyć z mikrokontrolerem.
  • REKLAMA
  • #2 10669885
    Ture11
    Poziom 39  
    Bardzo dziwna sprawa, czy procesor jest zadokowany w jakimś układzie? Napięcie dochodzi poprawne? Jaki kod błędu? "Could not identify chip with id: FFFFFF" ? Czy coś innego?

    Sprawdź połączenia, samo skasowanie zawartości Uc nie zmienia nic, co mogłoby spowodować zablokowanie procesorka.
  • REKLAMA
  • #3 10670803
    krychu0505
    Poziom 21  
    Próbowałem w układzie z którym ma pracować jest tam oscylator 10MHz kondensatory nowe 22pF i na płytce stykowej bez żadnych kwarców i nie chce się połączyć wszystkie dojścia do procka ok programator też przy łączeniu w układzie mrygają diody. Błąd taki jak powiedziałeś Could not identify chip with id: FFFFFF

    Dodano po 3 [minuty]:

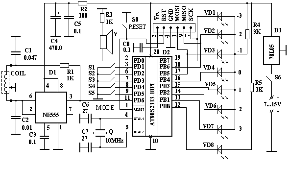
    Schemat układu z jakim pracuje procek:
    ATtiny2313 brak połączenia po erase chip
  • REKLAMA
  • #4 10670893
    Ture11
    Poziom 39  
    Schemat jest DIY, czy coś sprawdzonego? Są na nim poważne błędy, choćby brak podciągania pinu reset do +5V rezystorem 10kOhm. To może, ale rzadko powoduje takie objawy.

    Sprawdź jeszcze, czy masz odpowiedni programator wybrany, bo czasem po niezapowiedzianym restarcie komputera zmienia się wybrany programator. Jeśli masz 100% pewności, że nie jest to wina komputera / programatora / kabelka / zasilania (np. programujesz bez problemu inne układy), to pozostaje tylko możliwość:
    - Uszkodzenie procesorka (powód nieznany)
    - Źle wgrane fusebity w skutek zakłóceń, czy coś.
    Najszybciej będzie po prostu kupić nowego, jeśli jesteś bardzo uparty, sprawdź pobór procka poza układem. Tak czy inaczej, zablokowane fusebitami procesory Attiny / Atmega idzie przywrócić do stanu używalności przy pomocy drugiego procesora, łącząc jakoś wyjścia na kwarc. Jak to zrobić to nie wiem, zawsze łączyłem na ślepo i za którymś razem wstawał procek.

    Rozumiem, że migają tylko trzy diody LED i tylko podczas programowania??

    Dodano po 1 [minuty]:

    Brak kondensatorów po pierwotnej i wtórnej stronie stabilizatora 78L05.
  • #5 10688476
    krychu0505
    Poziom 21  
    Migają te diody co mówiłeś programator się nie zmienił w bascomie reszty jeszcze nie prawdzałem
REKLAMA