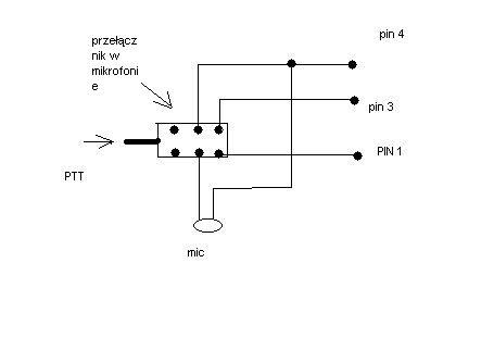
Witam. Ostatnio wszedłem w posiadanie takiego oto radyjka jak w temacie ale niestety nie posiada ono gruszki i mam kłopot bo nigdzie nie mogę takiej dostać, tam jest wejście na 8 pinów a nie mam pojęcia jaki zamiennik zastosować i ewentualnie jak go potem podłączyć
Dodano po 10 [minuty]:
Dodam że radyjko wydaje się być sprawne, kanały przełączają się normalnie
Dodano po 10 [minuty]:
Dodam że radyjko wydaje się być sprawne, kanały przełączają się normalnie

