logo elektroda
logo elektroda
X
logo elektroda
REKLAMA
REKLAMA
Adblock/uBlockOrigin/AdGuard mogą powodować znikanie niektórych postów z powodu nowej reguły.

Skoda Felicia sterowanie elektrycznymi szybami uniwersalne przyciski

nolab 15 Mar 2012 17:23 6533 3
REKLAMA
  • #1 10681172
    nolab
    Poziom 13  
    Witam,
    Mam elektryczne szyby w Skodzie Felicii ale muszę zmienić ich przyciski na uniwersalne.
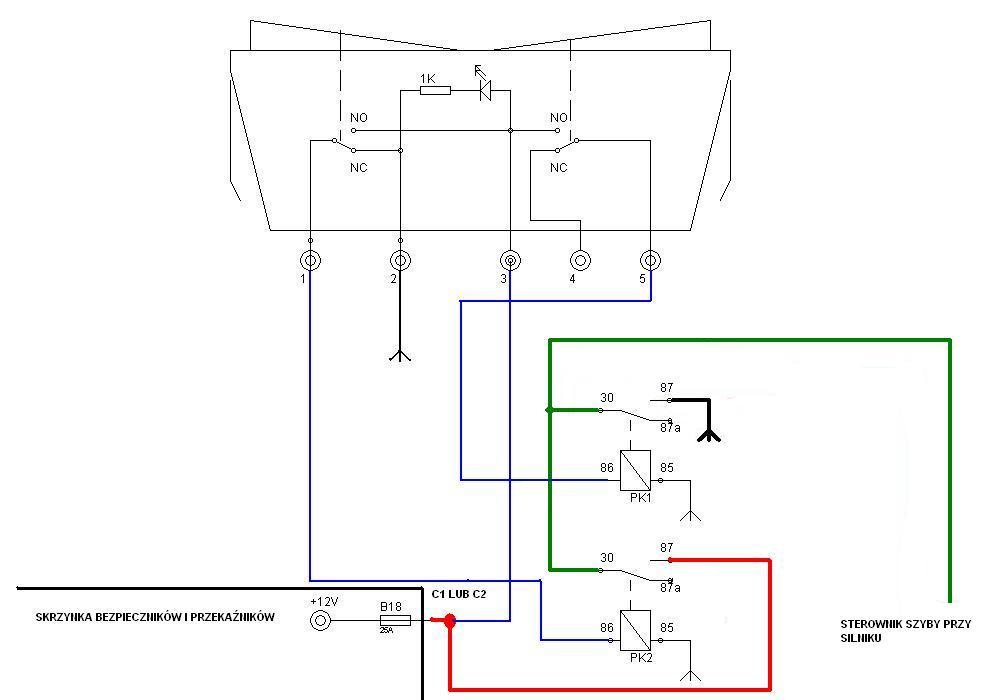
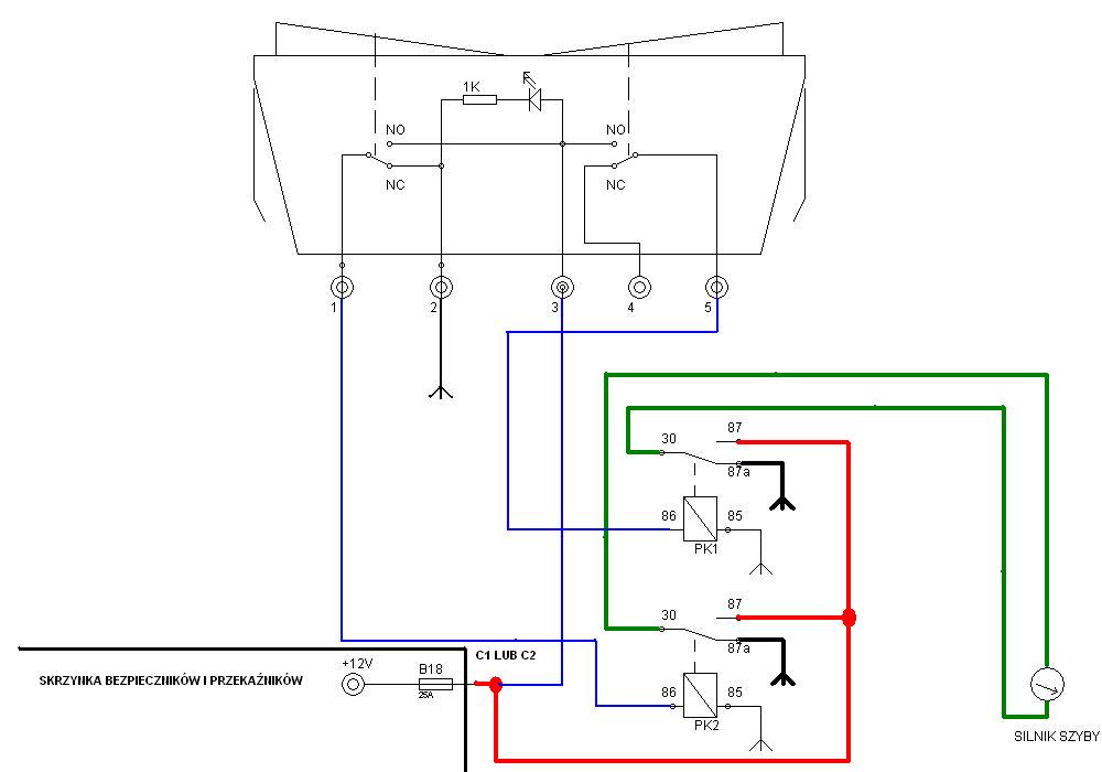
    Schemat działania oryginalnych przycisków oraz silników szyb
    Skoda Felicia sterowanie elektrycznymi szybami uniwersalne przyciski
    Silniczki są stale zasilane a sygnał sterujący idący z przycisku to +12 lub masa.

    Tak działają uniwersalne przyciski:
    Skoda Felicia sterowanie elektrycznymi szybami uniwersalne przyciski

    Ale żeby działały tak jak potrzebuje do sterowania szyb musiał bym zrobić coś takiego:
    Skoda Felicia sterowanie elektrycznymi szybami uniwersalne przyciski
    Co przy 4 szybach daje co najmniej 8 przekaźników .. a to trochę dużo.
    Mam silniczki z modułami jak na pierwszym obrazku,
    Tyle że uniwersalne przyciski kiedy nie są wciśnięte z żadnej strony podają na wyjście masę a kiedy sterownik z silnika dostanie masę to OPUSZCZA szybę, stąd przekaźniki.
    Da się to jakoś uprościć ?
  • REKLAMA
  • #2 10681200
    Błażej
    VIP Zasłużony dla elektroda
    Po co ci przekaźniki? Przecież ten uniwersalny wyłącznik się doskonale do tego nadaje. Pin 3 do modułu, a piny 1 i 5 odpowiednio do masy i zasilania. I wtedy masz naprzemiennie na wspólnym plus albo masę. Koniec.
  • REKLAMA
  • #3 10681219
    nolab
    Poziom 13  
    hmm w sumie można tak zrobić, ale wtedy nie będzie działało podświetlenie,
    będzie trzeba przerobić przyciski
  • #4 10681241
    Błażej
    VIP Zasłużony dla elektroda
    Dwa piny masz niewykorzystane. Jak je przerobisz, to masz wyprowadzone podświetlenie na osobnych. Od bólu można dać baterię ośmiu przekaźników. Pewnie jakieś małe wystarczą. Wszak to tylko sygnał sterujący.
REKLAMA