Witam
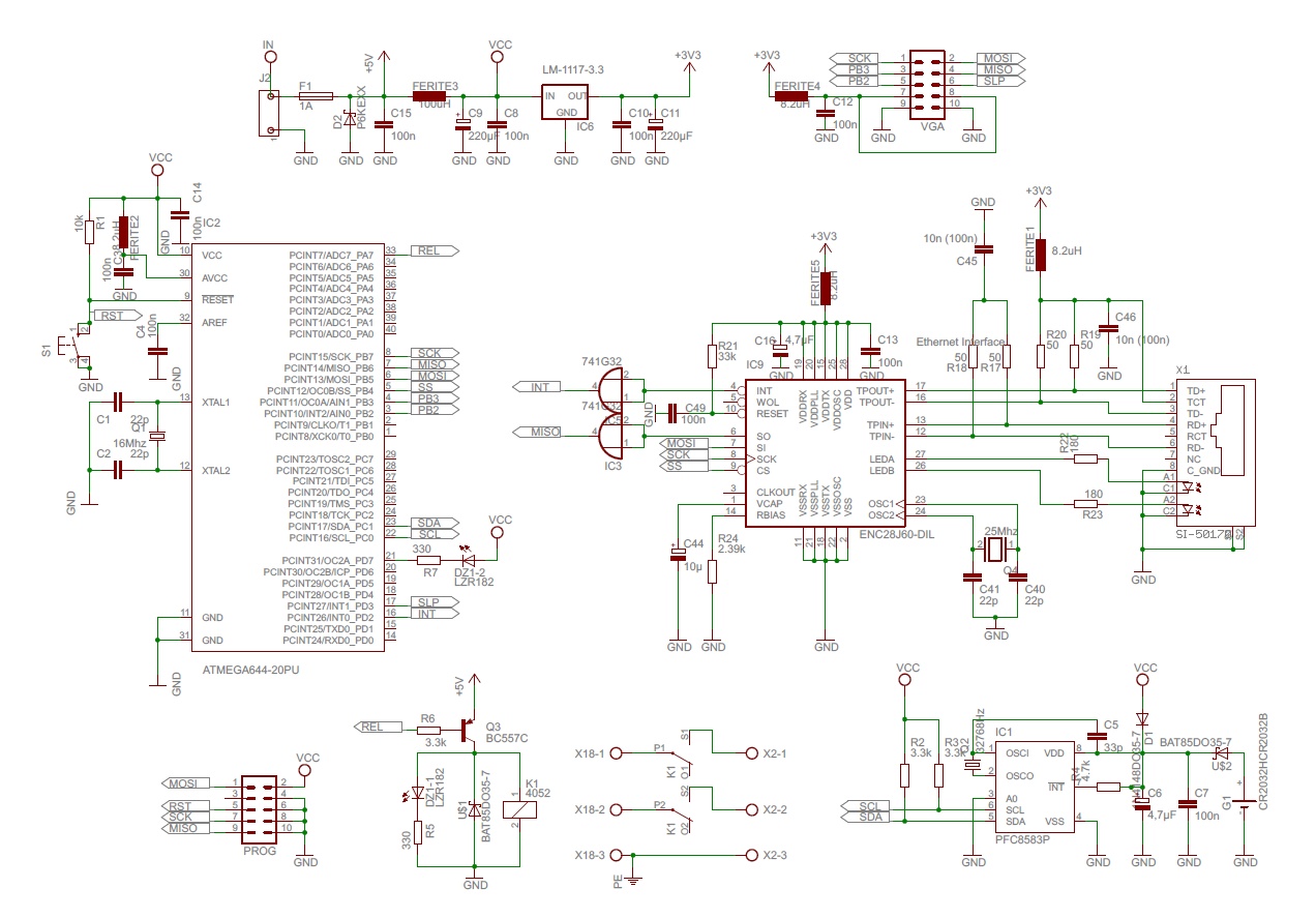
Proszę o sprawdzenie schematu.
Całość ma być zasilana z zasilacza impulsowego 5V (zasilacz Mean Well, nienajgorszej jakości).
Dodatkowo dochodzi przekaźnik - proszę o Wasze opinie głównie w tej sprawie - zastosowne dławiki i kondensatory filtrujące wystarczą?
W celu dopasowania poziomów napięć miedzy enc a procesorem zastosowałem pojedyncze bramki 74HCT1G32GW bramka OR; SOT353
Do złącza VGA podłączony moduł karty graficznej - taki jak w temacie https://www.elektroda.pl/rtvforum/topic1839236.html
Przekaźnik steruje monitorem (230V) rozłączając obie linie L i N.
Na wejściu zasilania dioda transil 6,45V i bezpiecznik 1A.

Proszę o sprawdzenie schematu.
Całość ma być zasilana z zasilacza impulsowego 5V (zasilacz Mean Well, nienajgorszej jakości).
Dodatkowo dochodzi przekaźnik - proszę o Wasze opinie głównie w tej sprawie - zastosowne dławiki i kondensatory filtrujące wystarczą?
W celu dopasowania poziomów napięć miedzy enc a procesorem zastosowałem pojedyncze bramki 74HCT1G32GW bramka OR; SOT353
Do złącza VGA podłączony moduł karty graficznej - taki jak w temacie https://www.elektroda.pl/rtvforum/topic1839236.html
Przekaźnik steruje monitorem (230V) rozłączając obie linie L i N.
Na wejściu zasilania dioda transil 6,45V i bezpiecznik 1A.
