Jest to projekt zdalnego sterowania opartego na przekaźnikach przełączanych za pomocą komend SMS chronionych hasłem. Kod źródłowy napisany w AVR.
Sam układ jest rozwinięciem wcześniejszej wersji tego typu sterowania tego samego autora (o układzie napisał kiedyś w DIY "kierownik Gulson"
Jak już wspomniałem, projekt opiera się głównie na systemie przełączników zrealizowanych na przekaźnikach.
Obwód posiada takie oto parametry:
- 4 przekaźniki ON-OFF do sterowania dowolnego urządzenia elektrycznego/elektronicznego,
- 8 wejść cyfrowych,
- niewielkie i tanie komponenty,
- wykonywanie poleceń za pomocą SMS chronionych hasłem.
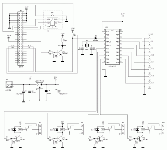
SCHEMAT
Na schemacie widzimy, że układem steruje µC ATTiny2313 z 4MHz kwarcem. Poza tym zauważyć można moduł GSM GM-47 działający z napięciem 3,3V oraz 4 moduły przekaźników. Dane między Attiny, a GM'em przesyłane są z prędkościa 9600bps. Do prawidłowego działania układu potrzebujemy także karty SIM. Dioda LED oznaczona na schemacie poprzez D6 informuje nas m.in. o prawidłowym połączeniu z siecią komórkową.
FUSEBITY
Dla ciekawych zasada działania urządzenia jest dokładniej opisana na stronie źródłowej.
Sposoby wysyłania SMSa do modułu zdalnego sterowania:
A) 1234*5678 Relay1=1 Relay2=0 Relay3=1 Relay4=1 Status
B) 1234 Relay1=1 Relay2=0 Relay3=1 Relay4=1 Status
C) 1234 1=1 2=0 3=1 4=1 Status
D) 1234 Status
E) 1234 Relay2=0
A-Podajemy zdefiniowane fabrycznie hasło 1234 i zmieniamy je na 5678. Następnie uzbrajane są przekaźniki 1,3 i 4, a rozbrajany jest przekaźnik 2. Dodatkowo wysyłamy prośbę o wysłanie statusu 8 wejść i 4 przekaźników.
B-Podajemy hasło. Uzbrajamy przekaźniki 1, 3 i 4, rozbrajamy 2 i prosimy o status.
C-Podajemy hasło. Następnie pomijając słowo RELAY (przekaźnik) i stosując tylko numer przekaźnika uzbrajamy 1, 3 i 4, rozbrajamy 2.
D- Tutaj podajemy hasło i prosimy jedynie o status.
E- Podajemy hasło i zmieniamy status tylko jednego przekaźnika (2).
Wzór płytki oraz zdjęcie poglądowe
Źródło: Link
Wszystkie pliki, schematy, kody itp w załączniku.
Fajne? Ranking DIY
