logo elektroda
logo elektroda
X
logo elektroda
REKLAMA
REKLAMA
Adblock/uBlockOrigin/AdGuard mogą powodować znikanie niektórych postów z powodu nowej reguły.

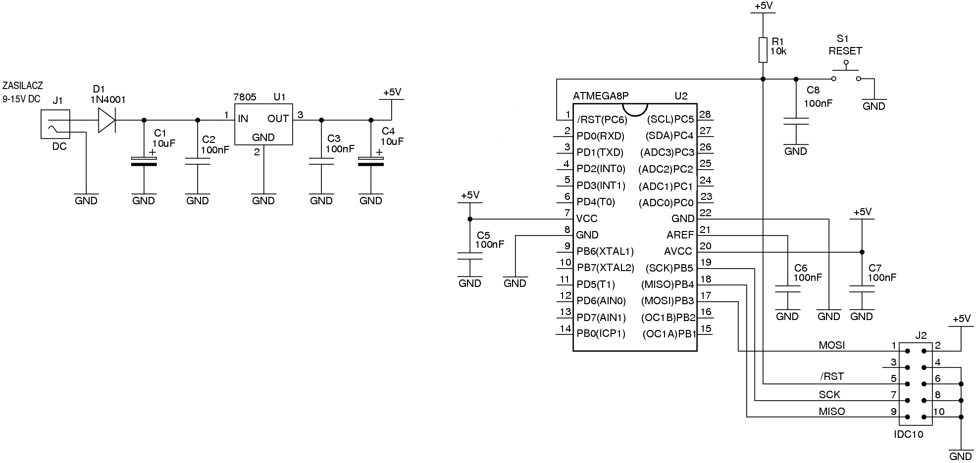
Atmega8 podnosi napięcie stabilizatora LM7805 do 7,3V - co może być przyczyną?

27 Mar 2012 16:52 1591 14
REKLAMA
  • #1 10725464
    Konto nie istnieje
    Poziom 1  
  • REKLAMA
  • #2 10725701
    Konto nie istnieje
    Poziom 1  
  • #4 10725916
    mirekk36
    Poziom 42  
    To już chyba taki troszkę hardcore żeby wrzucać 7 paluszków a do tego 7805 hmmm? Jeśli do tego jest to co przewiduje atom1477 to można się spodziewać dziwnych rzeczy ;) .... chociaż akurat zwiększanie się napięcia na wyjściu ? to już mega dziwne .... no ale kto tak zasila układy? Dajcie panowie jakiś zasilacz na wejściu 7805 żeby tam było minimum 8V .... a nie sznurek paluszków i całą MOC pompujecie w podgrzewacz przepływowy 7805 ;)
  • REKLAMA
  • #5 10726228
    johny_w
    Poziom 23  
    Coś musi przebijać z napięcia przed stabilizatorem na linie uC. Pokaż schemat.
  • REKLAMA
  • #6 10726249
    Konto nie istnieje
    Poziom 1  
  • #7 10726321
    johny_w
    Poziom 23  
    Myślałem, że masz podpięte pod uC jakieś układy wykonawcze. Tranzystory, diody itp. zasilane z napięcia sprzed stabilizatora. Jeśli jest tylko to, co na schemacie widzę tylko dwie możliwości. Albo programator daje gdzieś takie napięcie (jeśli miałeś podłączony) albo jest gdzieś zwarcie pomiędzy +5V a napięciem sprzed stabilizatora (lub sprzed diody na wejściu).
  • #8 10726373
    Konto nie istnieje
    Poziom 1  
  • REKLAMA
  • #10 10726506
    Konto nie istnieje
    Konto nie istnieje  
  • #12 10726546
    Konto nie istnieje
    Konto nie istnieje  
  • #13 10726675
    Konto nie istnieje
    Poziom 1  
  • #14 10726732
    Konto nie istnieje
    Poziom 1  
  • #15 10726886
    Konto nie istnieje
    Poziom 1  
REKLAMA