logo elektroda
logo elektroda
X
logo elektroda
REKLAMA
REKLAMA
Adblock/uBlockOrigin/AdGuard mogą powodować znikanie niektórych postów z powodu nowej reguły.

Attiny 26 i wyświetlacz 16x2 - pojawiające się krzaczki po kilku minutach

beret998 27 Mar 2012 21:08 1612 10
REKLAMA
  • #1 10726743
    beret998
    Poziom 10  
    witam
    mam wyświetlacz 16x2 podłączony pod ww. mikrokontroler
    wszystko fajnie działa ale po kilku minutach na wyświetlaczu pojawiają się krzaczki w bliżej nieokreślonych miejscach. Czasem po resecie uc zaczyna działać a czasem trzeba odłączyć z prądu
    dziękuję za odpowiedź
  • REKLAMA
  • #2 10726808
    gaskoin
    Poziom 38  
    To wiatr słoneczny :)

    Pokażesz schemat i kod ?
  • #3 10726860
    beret998
    Poziom 10  
    kod jak kod programuje w bascomie i przy zwykłym lcd "dupa" tak się dzieje;P a podłączone mam jak sam pan Bóg przykazał od d4 do d7 enable i r/s do uc a rw do masy ale wydaje mi się że jakby było źle podłączone to by wogóle nie wyświetlało.
    Zasilam układ z zasilacza od dvd, może to ma jakieś znaczenie (na wyjściu ma 5,15V)
  • REKLAMA
  • #5 10726956
    gaskoin
    Poziom 38  
    Ja obstawiam za długi kabel albo niefiltrowane zasilanie.
  • #6 10727048
    beret998
    Poziom 10  
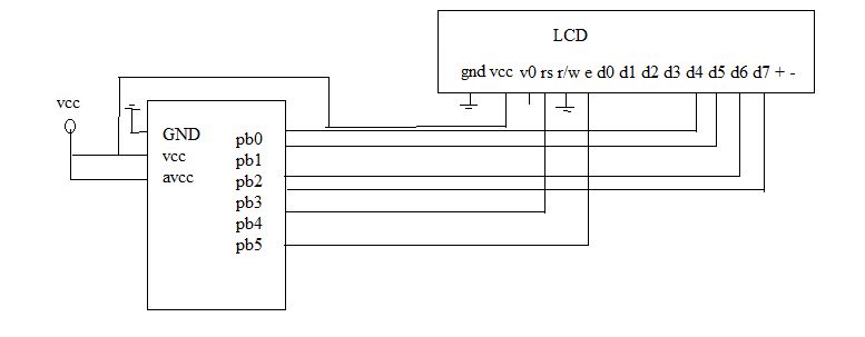
    Attiny 26 i wyświetlacz 16x2 - pojawiające się krzaczki po kilku minutach

    co do taśmy to ma ok 30 cm, przepraszam za schemat ale robiłem go w paincie;p
    tam jeszcze wiadomo do v0 idzie potencjometr 10k a wydaje mi się że zasilacz od dvd ma stabilne napięcie. dodam że uc jest na wewnętrznym kwarcu
  • REKLAMA
  • #7 10727111
    Djuke
    Poziom 12  
    Brakuje kondensatora 100n przy zasilaniu kontrolera
  • REKLAMA
  • #8 10727124
    dondu
    Moderator na urlopie...
    beret998 napisał:
    Attiny 26 i wyświetlacz 16x2 - pojawiające się krzaczki po kilku minutach

    co do taśmy to ma ok 30 cm, przepraszam za schemat ale robiłem go w paincie;p
    tam jeszcze wiadomo do v0 idzie potencjometr 10k a wydaje mi się że zasilacz od dvd ma stabilne napięcie. dodam że uc jest na wewnętrznym kwarcu

    Czy to cały schemat?
  • #9 10727153
    beret998
    Poziom 10  
    tak więcej nic nie ma
  • #11 10727275
    beret998
    Poziom 10  
    bardzo dziękuję fajnie wszystko opisane i tak podłącze mojego scalaka, a co do wyświetlacza to problem jednak był chyba gdzie indziej bo zauważyłem że pomiędzy enable a masą zostało trochę zaschniętego topnika i to on chyba zakłucał bo jak wyczyściłem to narazie działa ok.
    dziękuję za zainteresowanie pozdrawiam
REKLAMA