Witam.
Po raz kolejny potrzebuje waszej pomocy.
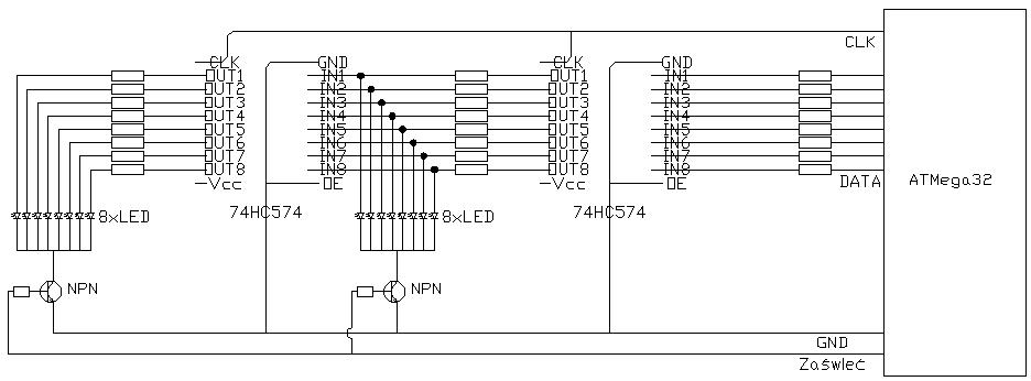
Mam następujący schemat (przepraszam za mocne uproszczenie).
Jak nie trudno się połapać jest to coś w rodzaju tablicy LED.
Wiem że linie wejść lepiej buło by dać przed rezystorami (połączyć je bezpośrednio z wyjściem poprzedniego rejestru) ale takie rozwiązanie znacznie uprościło płytkę.
Całość działa tak:
- tranzystory NPN gaszą diody LED odłączając je od GND
- na linie data są kolejno podawane odpowiednie wartości i przesuwane sygnałem CLK do następnego rejestru
- diody LED są zaświecane na 200ms
- cały cykl się powtarza w nieskończoność z różnymi danymi
Niby wszystko działa tak jak sobie zaplanowałem. Wszystko jest super dopóki nie przekroczę pewnej liczy rejestrów. Mam 32 takie 74HC574 na długości 1m i wszystko jest OK. Dokładam jeszcze 4 rejestry i mam w sumie 1,1m i w tym momencie zaczynają się schody.
Na transmitowanych danych pojawiają się przekłamania. Wygląda to mniej więcej tak jakby niektóre rejestry dostawały podwójny sygnał CLK na jeden cykl. Kiedyś czytałem że na takich długich liniach należy stosować jakieś dodatkowe elementy ale teraz nie mogę znaleźć tego tematu.
Proszę więc o pomoc jaka może być przyczyna takiego stanu rzeczy. Czy to wina długości linii CLK a może czegoś innego.
Za pomoc oczywiście punkty.
Pozdrawiam.
Po raz kolejny potrzebuje waszej pomocy.
Mam następujący schemat (przepraszam za mocne uproszczenie).
Jak nie trudno się połapać jest to coś w rodzaju tablicy LED.
Wiem że linie wejść lepiej buło by dać przed rezystorami (połączyć je bezpośrednio z wyjściem poprzedniego rejestru) ale takie rozwiązanie znacznie uprościło płytkę.
Całość działa tak:
- tranzystory NPN gaszą diody LED odłączając je od GND
- na linie data są kolejno podawane odpowiednie wartości i przesuwane sygnałem CLK do następnego rejestru
- diody LED są zaświecane na 200ms
- cały cykl się powtarza w nieskończoność z różnymi danymi
Niby wszystko działa tak jak sobie zaplanowałem. Wszystko jest super dopóki nie przekroczę pewnej liczy rejestrów. Mam 32 takie 74HC574 na długości 1m i wszystko jest OK. Dokładam jeszcze 4 rejestry i mam w sumie 1,1m i w tym momencie zaczynają się schody.
Na transmitowanych danych pojawiają się przekłamania. Wygląda to mniej więcej tak jakby niektóre rejestry dostawały podwójny sygnał CLK na jeden cykl. Kiedyś czytałem że na takich długich liniach należy stosować jakieś dodatkowe elementy ale teraz nie mogę znaleźć tego tematu.
Proszę więc o pomoc jaka może być przyczyna takiego stanu rzeczy. Czy to wina długości linii CLK a może czegoś innego.
Za pomoc oczywiście punkty.
Pozdrawiam.
