Witam. Skonstruowałem sobie samochód zdalnie sterowany. Zarówno pilot jak i auto posiadają uP Atmega32 oraz moduły RFM12. Na razie próbuję wysłać ramkę z danymi, które będą wyświetlane na LCD podłączonym do auta. Wysyłanie oraz odbiór sygnalizują diody LED. Ramka zostaje odebrana, jednak jej długość oraz zawartość zostają zmienione (długość ramki odebranej jest jednak "proporcjonalna" do wysłanej.
Wyświetlone zostają: pełna kratka, jakiś znak, pełna kratka ....
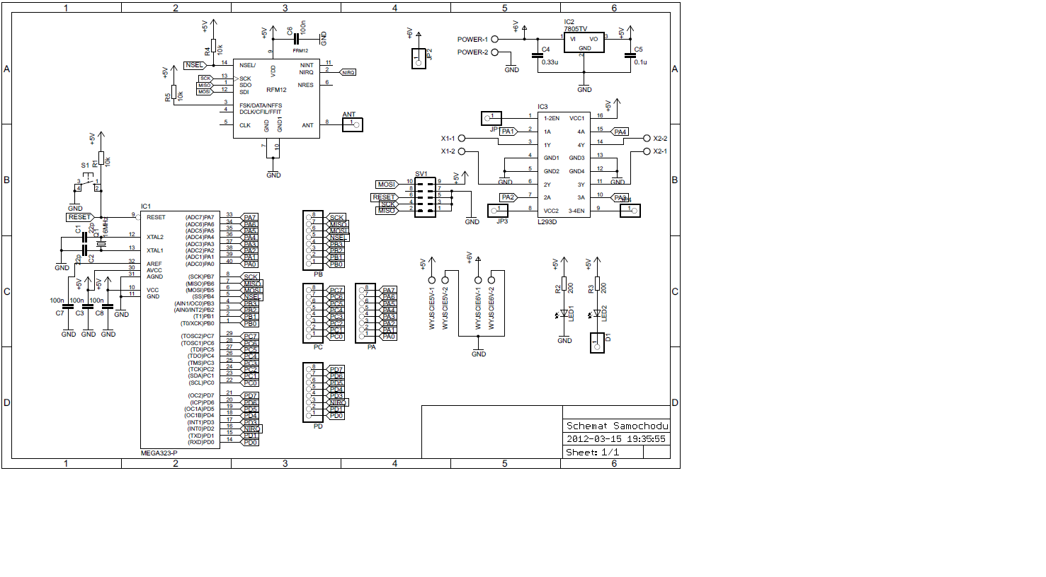
Zamieszczam kody odbiornika i nadajnika oraz schemat podłączenia modułu. Byłbym wdzięczny za pomoc.
Nadajnik:
Odbiornik:
Wyświetlone zostają: pełna kratka, jakiś znak, pełna kratka ....
Zamieszczam kody odbiornika i nadajnika oraz schemat podłączenia modułu. Byłbym wdzięczny za pomoc.
Nadajnik:
#include <avr\io.h>
#include <util/delay.h>
#define F_CPU 16000000
#define SCK 7 // SPI clock
#define SDO 6 // SPI Data output (RFM12B side)
#define SDI 5 // SPI Data input (RFM12B side)
#define CS 4 // SPI SS (chip select)
#define NIRQ 2 // (PORTD)
#define HI(x) PORTB |= (1<<(x))
#define LO(x) PORTB &= ~(1<<(x))
#define WAIT_NIRQ_LOW() while(PIND&(1<<NIRQ))
#define LED 5
#define LED_OFF() PORTD |= (1<<LED)
#define LED_ON() PORTD &= ~(1<<LED)
void portInit() {
HI(CS);
HI(SDI);
LO(SCK);
DDRB = (1<<CS) | (1<<SDI) | (1<<SCK);
DDRD = (1<<LED);
}
unsigned int writeCmd(unsigned int cmd) {
unsigned char i;
unsigned int recv;
recv = 0;
LO(SCK);
LO(CS);
for(i=0; i<16; i++) {
if(cmd&0x8000) HI(SDI); else LO(SDI);
HI(SCK);
recv<<=1;
if( PINB&(1<<SDO) ) {
recv|=0x0001;
}
LO(SCK);
cmd<<=1;
}
HI(CS);
return recv;
}
void rfInit() {
writeCmd(0x80D7); //EL,EF,433band,12.0pF
writeCmd(0x8239); //!er,!ebb,ET,ES,EX,!eb,!ew,DC
writeCmd(0xA640); //frequency select
writeCmd(0xC647); //4.8kbps
writeCmd(0x94A0); //VDI,FAST,134kHz,0dBm,-103dBm
writeCmd(0xC2AC); //AL,!ml,DIG,DQD4
writeCmd(0xCA81); //FIFO8,SYNC,!ff,DR
writeCmd(0xCED4); //sync
writeCmd(0xC483); //@PWR,NO RSTRIC,!st,!fi,OE,EN
writeCmd(0x9850); //!mp,90kHz,MAX OUT
writeCmd(0xCC17); //lpx, iddy
writeCmd(0xE000); //NOT USE
writeCmd(0xC800); //NOT USE
writeCmd(0xC040); //1.66MHz,2.2V
}
void rfSend(unsigned char data){
//while(WAIT_NIRQ_LOW());
WAIT_NIRQ_LOW();
writeCmd(0xB800 + data);
}
void rfSendString(char *str)
{
while(*str)
rfSend(*str++);
}
int main() {
volatile unsigned int i,j;
char a[1];
asm("cli");
for(i=0;i<1000;i++)for(j=0;j<123;j++);
portInit();
/* rsInit(BAUDRATE); */
rfInit();
LED_OFF();
while(1)
{
LED_ON();
_delay_ms(1000);
for(int i=0;i<11;i++)
{
writeCmd(0x0000);
rfSend(0xAA); // PREAMBLE
rfSend(0xAA);
rfSend(0xAA);
rfSend(0x2D); // SYNC
rfSend(0xD4);
rfSendString("mateusz");
rfSend(0xAA); // PREAMBLE
rfSend(0xAA);
rfSend(0xAA);
}
LED_OFF();
_delay_ms(3000);
}
}
Odbiornik:
// Rx odbior 9600 bodow 2 bity stopu
#include <avr\io.h>
#include <util/delay.h>
#include "lcd.h"
#define F_CPU 16000000
#define SCK 7 // SPI clock
#define SDO 6 // SPI Data output (RFM12B side)
#define SDI 5 // SPI Data input (RFM12B side)
#define CS 4 // SPI SS (chip select)
#define NIRQ 2 // (PORTD)
#define HI(x) PORTB |= (1<<(x))
#define LO(x) PORTB &= ~(1<<(x))
#define WAIT_NIRQ_LOW() while(PIND&(1<<NIRQ))
#define LED 5
#define LED_ON() PORTD &= ~(1<<LED)
#define LED_OFF() PORTD |= (1<<LED)
#define BAUDRATE 25 //
// Ustawienie portu 9600 b 2 bity stopu
void rsInit(unsigned char baud) {
UBRRH = 0;
UBRRL = 51;
UCSRB = (1<<RXEN)|(1<<TXEN);
UCSRC = (1<<URSEL)|(1<<USBS)|(3<<UCSZ0);
}
// Wysylanie na port UART odebranych danych z RFM12
void rsSend(unsigned char data) {
while ( !( UCSRA & (1<<UDRE)) );
UDR = data;
}
unsigned char rsRecv() {
while( !(UCSRA & (1<<RXC)));
return UDR;
}
void portInit() {
HI(CS);
HI(SDI);
LO(SCK);
DDRB = (1<<CS) | (1<<SDI) | (1<<SCK);
DDRD = (1<<LED);
}
unsigned int writeCmd(unsigned int cmd) {
unsigned char i;
unsigned int recv;
recv = 0;
LO(SCK);
LO(CS);
for(i=0; i<16; i++) {
if(cmd&0x8000) {
HI(SDI);
}
else {
LO(SDI);
}
HI(SCK);
recv<<=1;
if( PINB&(1<<SDO) ) {
recv|=0x0001;
}
LO(SCK);
cmd<<=1;
}
HI(CS);
return recv;
}
void FIFOReset() {
writeCmd(0xCA81);
writeCmd(0xCA83);
}
/*
void waitForData() {
unsigned int status;
while(1) {
status = writeCmd(0x0000);
if ( (status&0x8000) ) {
return;
}
}
}
*/
void rfInit() {
writeCmd(0x80D7); //EL,EF,433band,12.0pF
writeCmd(0x8299); //er,!ebb,ET,ES,EX,!eb,!ew,DC
writeCmd(0xA640); //freq select
writeCmd(0xC647); //4.8kbps
writeCmd(0x94A0); //VDI,FAST,134kHz,0dBm,-103dBm
writeCmd(0xC2AC); //AL,!ml,DIG,DQD4
writeCmd(0xCA81); //FIFO8,SYNC,!ff,DR
writeCmd(0xCED4); //SYNC=2DD4;
writeCmd(0xC483); //@PWR,NO RSTRIC,!st,!fi,OE,EN
writeCmd(0x9850); //!mp,90kHz,MAX OUT
writeCmd(0xCC17); //!OB1,!OB0, LPX,!ddy,DDIT,BW0
writeCmd(0xE000); //NOT USE
writeCmd(0xC800); //NOT USE
writeCmd(0xC040); //1.66MHz,2.2V
}
/*
unsigned char rfRecv() {
unsigned int data;
writeCmd(0x0000);
data = writeCmd(0xB000);
return (data&0x00FF);
}
*/
unsigned char rfRecv() {
unsigned int data;
while(1) {
data = writeCmd(0x0000);
if ( (data&0x8000) ) {
data = writeCmd(0xB000);
return (data&0x00FF);
}
}
}
int main(void) {
unsigned char i;
char data[15];
portInit();
char odbior;
rfInit();
//LED_ON();
//PORTC=0xFF;
//rsInit(BAUDRATE); // >> debag
FIFOReset();
WlaczLCD();
CzyscLCD();
Wyswietlnapis("czekam");
while(1) {
//waitForData();
LED_ON();
_delay_ms(1000);
for(int i=0;i<100;i++)
{
odbior = rfRecv();
data[i]=odbior;
i++;
}
FIFOReset();
UstawKursor(1,1);
Wyswietlnapis(data);
LED_OFF();
_delay_ms(2000);
}
}
