Witam, przymierzam się do budowy prostej karty dźwiękowej z interfejsem USB. Mam kilka pytań które nurtują:
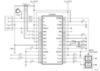
-czy musi być stosowany przedwzmacniacz na wejście analogowe (piny 12,13 i masa) żeby podłączyć mikrofon dynamiczny/ elektretowy,
-o jakim oznaczeniu zastosować bramkę AND(IC1) żeby obsługiwała na wejściu(stan wysoki) 5V i zasilana była z 5V(USB),
-jaki nisko szumny wzmacniacz zastosować na wyjściu(może coś na wzmacniaczach operacyjnych),
-czy zanegowany sygnał SSPND można podłączać do masy układu(MUTE), czy zostawić go "luzem",
-czy można zasilać sekcję cyfrową napięciem 3,3V a analogową 3,6V,
-ostatnie pytanie czy dla pinów 24,25 (S/PDIF) wystarczy dolutować normalne gniazdo Chinch (COAXIAL), czy należy zastosować jakiś układ pośredniczący(jezeli tak to jaki) aby móc podłączyć Tuner i tą kartę za pomocą kabla chinch.
Dziękuję za odpowiedzi na moje pytania.

-czy musi być stosowany przedwzmacniacz na wejście analogowe (piny 12,13 i masa) żeby podłączyć mikrofon dynamiczny/ elektretowy,
-o jakim oznaczeniu zastosować bramkę AND(IC1) żeby obsługiwała na wejściu(stan wysoki) 5V i zasilana była z 5V(USB),
-jaki nisko szumny wzmacniacz zastosować na wyjściu(może coś na wzmacniaczach operacyjnych),
-czy zanegowany sygnał SSPND można podłączać do masy układu(MUTE), czy zostawić go "luzem",
-czy można zasilać sekcję cyfrową napięciem 3,3V a analogową 3,6V,
-ostatnie pytanie czy dla pinów 24,25 (S/PDIF) wystarczy dolutować normalne gniazdo Chinch (COAXIAL), czy należy zastosować jakiś układ pośredniczący(jezeli tak to jaki) aby móc podłączyć Tuner i tą kartę za pomocą kabla chinch.
Dziękuję za odpowiedzi na moje pytania.