Witam wszystkich,
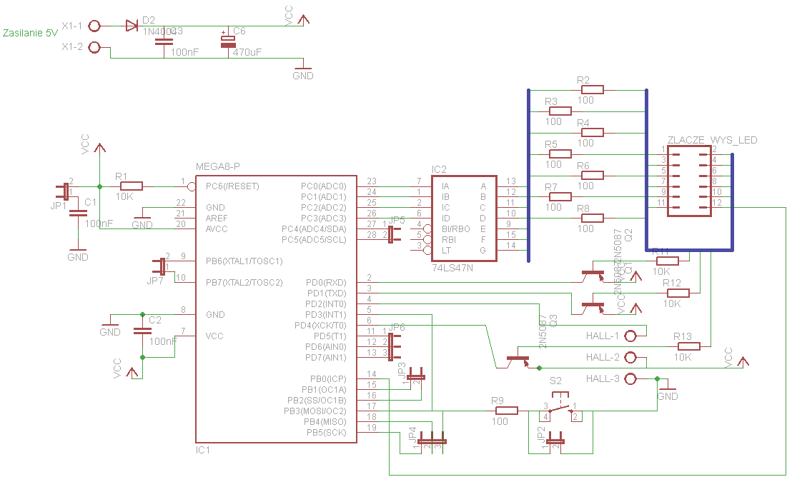
Przymierzam się właśnie do wykonania prędkościomierza opartego na czujniku hallotronowym, procesorze atmega8, oraz wyświetlaczem led 4 cyfrowym. Nie jest to więc skomplikowany układ jednak na co dzień zajmuje się programowanie sterowników B&R w Automotion Studio i jak na razie jestem zielony jeżeli chodzi o mikrokontrolery AVR, a wykorzystanie sterownika PLC tylko do pomiaru prędkości nie ma sensu.
Dlatego też mam pytanie odnośnie pomiaru czasu a dokładnie czy można zastosować metodę wykorzystywaną w sterownikach PLC czyli inkrementacja zmiennej np. "x" wraz z każdym cyklem sterownika np. 100ms.
Czy metoda ta ma sens w mikrokontrolerach AVR? czy po 1000 cykli zmienna Y będzie równa 1000? czy jednak lepiej zastosować któryś z timerów T0 lub T1??
Podam może jeszcze zakładane parametry prędkościomierza:
-czujnik hallotronowy (1 - 4 magnesy na obwodzie)
-zakres pomiaru prędkości 0-30 km/h
-dokładność pomiaru około 0.1 km/h (dla prędkości 0-15 km/h)
Z góry bardzo dziękuję z pomoc
Przymierzam się właśnie do wykonania prędkościomierza opartego na czujniku hallotronowym, procesorze atmega8, oraz wyświetlaczem led 4 cyfrowym. Nie jest to więc skomplikowany układ jednak na co dzień zajmuje się programowanie sterowników B&R w Automotion Studio i jak na razie jestem zielony jeżeli chodzi o mikrokontrolery AVR, a wykorzystanie sterownika PLC tylko do pomiaru prędkości nie ma sensu.
Dlatego też mam pytanie odnośnie pomiaru czasu a dokładnie czy można zastosować metodę wykorzystywaną w sterownikach PLC czyli inkrementacja zmiennej np. "x" wraz z każdym cyklem sterownika np. 100ms.
Kod: text
Czy metoda ta ma sens w mikrokontrolerach AVR? czy po 1000 cykli zmienna Y będzie równa 1000? czy jednak lepiej zastosować któryś z timerów T0 lub T1??
Podam może jeszcze zakładane parametry prędkościomierza:
-czujnik hallotronowy (1 - 4 magnesy na obwodzie)
-zakres pomiaru prędkości 0-30 km/h
-dokładność pomiaru około 0.1 km/h (dla prędkości 0-15 km/h)
Z góry bardzo dziękuję z pomoc
