Witajcie,
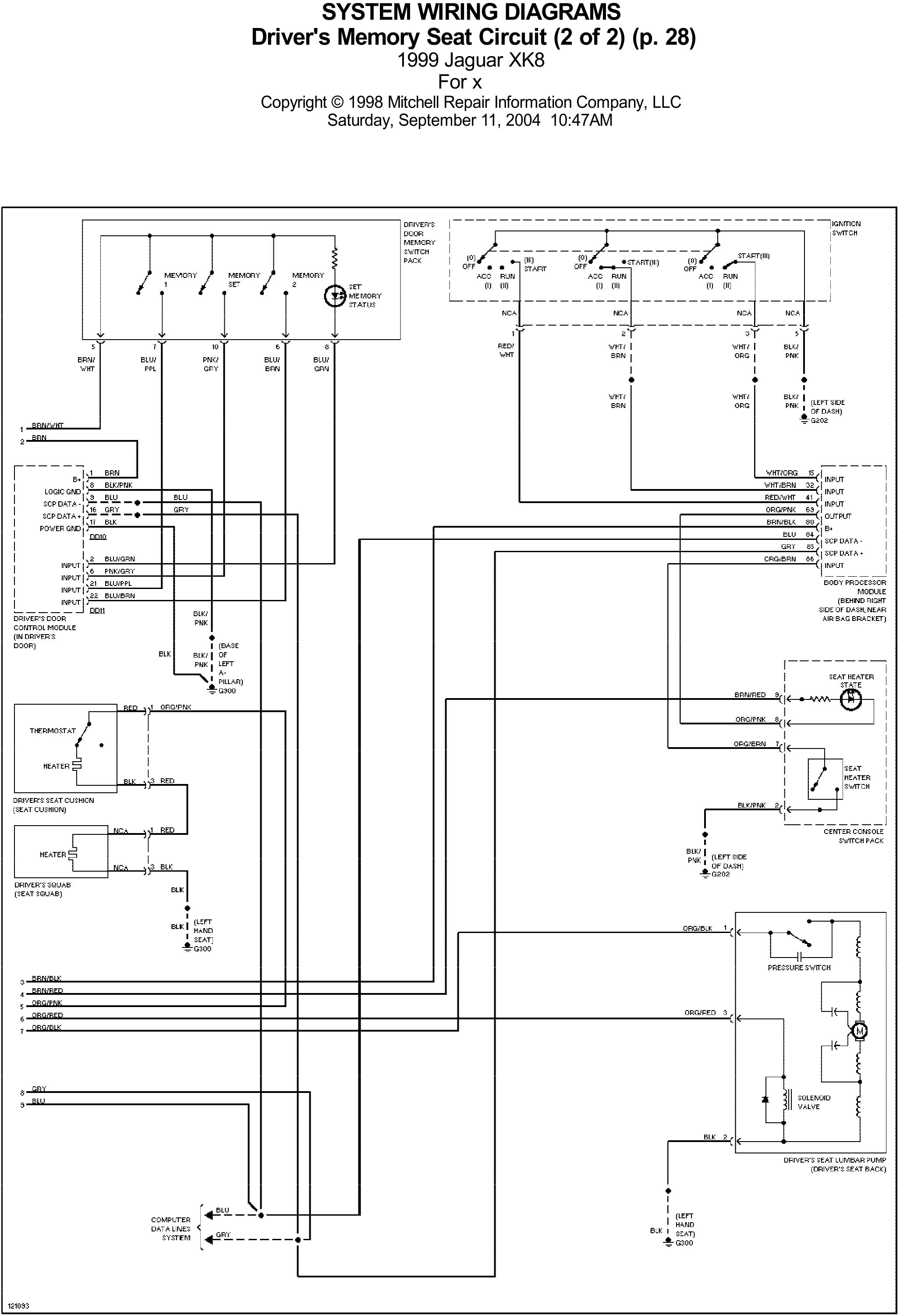
mam fotel samochodowy ale nie wiem jak go podłączyć żeby działał. Jak podłączam same silniczki 12V z prostownika to działają, ale nie wiem jak to zrobić, żeby działały też funkcje fotela: góra, dół, przód, tył, rozkładanie/składanie oparcia, nie wspomnę już o ogrzewaniu
.
Wszystko podłączony jest do płytki sterującej pod fotelem
, a cały fotel ma tylko jedną wtyczkę.
Gdzie mam podłączyć zasilanie?

mam fotel samochodowy ale nie wiem jak go podłączyć żeby działał. Jak podłączam same silniczki 12V z prostownika to działają, ale nie wiem jak to zrobić, żeby działały też funkcje fotela: góra, dół, przód, tył, rozkładanie/składanie oparcia, nie wspomnę już o ogrzewaniu
Wszystko podłączony jest do płytki sterującej pod fotelem
, a cały fotel ma tylko jedną wtyczkę.
Gdzie mam podłączyć zasilanie?