Witam!
Jestem tu nowy tak więc proszę o wyrozumiałość.
Dowiedziałem się że stabilizatory napięć można łączyć równolegle. Przeczytałem to właśnie na tym forum.
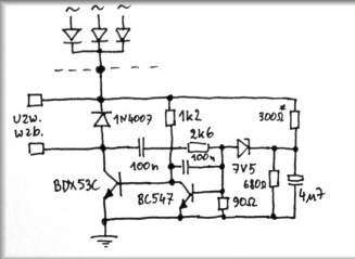
Mianowicie chodzi mi o połączenie tego typu stabilizatora:
http://www.laro.com.pl/index.php5/sklep/stabil/1759
W połączenie równoległe. Z charakterystyk wynika że może on stabilizować napięcie nawet przy natężeniu do 4.5 A (oczywiście przy odpowiednich parametrach).
(http://www.fairchildsemi.com/ds/LM/LM350.pdf charakterystyki)
Moje pytanie:
Czy przy takim połączeniu powstaną jakieś prądy związane z różnicą napięć na wyjściach tych stabilizatorów? Każdy z nich będzie teoretycznie stabilizował do tej samej granicy ale zawsze są jakieś różnice. Jeśli taki prąd powstaje jak mogę przewidzieć jak duży on będzie?(Jakiś wzór?) Jak mam tego uniknąć?
Zapewne myślicie po co?
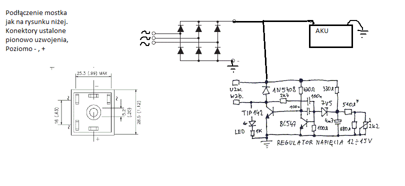
Chce zrobić regulator napięcia w motocyklu Honda Cb 650 C. Regulatory do są drogie i naprawdę mało trwałe. Oczywiście do działania potrzebuje mostka prostowniczego, kondensatory, porządne chłodzenie stabilizatorów itd.
Z góry dziękuję za pomoc. Każda podpowiedź na pewno się przyda. Jeśli znacie jakieś inne lepsze rozwiązania(nie chodzi mi o kupno regulatora) z chęcią wysłucham waszych propozycji.
Pozdrawiam Pitek
Jestem tu nowy tak więc proszę o wyrozumiałość.
Dowiedziałem się że stabilizatory napięć można łączyć równolegle. Przeczytałem to właśnie na tym forum.
Mianowicie chodzi mi o połączenie tego typu stabilizatora:
http://www.laro.com.pl/index.php5/sklep/stabil/1759
W połączenie równoległe. Z charakterystyk wynika że może on stabilizować napięcie nawet przy natężeniu do 4.5 A (oczywiście przy odpowiednich parametrach).
(http://www.fairchildsemi.com/ds/LM/LM350.pdf charakterystyki)
Moje pytanie:
Czy przy takim połączeniu powstaną jakieś prądy związane z różnicą napięć na wyjściach tych stabilizatorów? Każdy z nich będzie teoretycznie stabilizował do tej samej granicy ale zawsze są jakieś różnice. Jeśli taki prąd powstaje jak mogę przewidzieć jak duży on będzie?(Jakiś wzór?) Jak mam tego uniknąć?
Zapewne myślicie po co?
Chce zrobić regulator napięcia w motocyklu Honda Cb 650 C. Regulatory do są drogie i naprawdę mało trwałe. Oczywiście do działania potrzebuje mostka prostowniczego, kondensatory, porządne chłodzenie stabilizatorów itd.
Z góry dziękuję za pomoc. Każda podpowiedź na pewno się przyda. Jeśli znacie jakieś inne lepsze rozwiązania(nie chodzi mi o kupno regulatora) z chęcią wysłucham waszych propozycji.
Pozdrawiam Pitek
