logo elektroda
logo elektroda
X
logo elektroda
REKLAMA
REKLAMA
Adblock/uBlockOrigin/AdGuard mogą powodować znikanie niektórych postów z powodu nowej reguły.

Jak naprawić uszkodzony generator radziecki GZŁ-1?

fgh98 13 Kwi 2012 12:06 3817 21
REKLAMA
  • REKLAMA
  • #2 10982081
    dziad_ek
    Poziom 13  
    Podpowiedź-szukaj na rosyjskojęzycznym portalu -Yandex- tam jest dział- hobby i dalej -Radio...nie wiem czy nawet nie ma tam strony z instrukcjami czy schematami fabrycznymi, problemem dla Ciebie może być znajomość języka, schematów chyba nie...
  • Pomocny post
    #3 10982251
    Zygmunt_mt
    Poziom 23  
    Witam
    Mam ten generator od ok.20 lat. O ile pamiętam, to przewijałem trafo sieciowe (było chyba na 42V lub coś w tym rodzaju). Jeśli jeszcze jest to aktualne, to mam oryginalną instrukcję ze schematem, w języku rosyjskim. Mogę zeskanować i umieścić na forum, aby inni też skorzystali.
    Zygmunt_mt
  • REKLAMA
  • #5 10989080
    _PREDATOR_

    VIP Zasłużony dla elektroda
    Reszta PW/ komunikatory!
  • #6 10989782
    Zygmunt_mt
    Poziom 23  
    fgh98 napisał:
    Aktualny jest temat.Proszę o instrukcję.
    Jak naprawić uszkodzony generator radziecki GZŁ-1?

    Uprzejmie proszę.Tak ja wspominałem, w oryginale zasilanie AC 42V. Widziałem również GEŁ-2 o wyższej częstotliwości granicznej. Pozdrawiam wszystkich.Zygmunt_mt

    Poprzez edycję proszę poprawić załącznik/ link zgodnie z zasadami forum:
    https://www.elektroda.pl/rtvforum/topic2053101.html
    [_P_]
    <a title="Scan0003_thumb.gif" href="https://obrazki.elektroda.pl/7929158700_1340023516.gif"><img src="https://obrazki.elektroda.pl/7929158700_1340023516_thumb.jpg" alt="Scan0003_thumb.gif" /></aJak naprawić uszkodzony generator radziecki GZŁ-1?>Jak naprawić uszkodzony generator radziecki GZŁ-1?Jak naprawić uszkodzony generator radziecki GZŁ-1?Jak naprawić uszkodzony generator radziecki GZŁ-1?https://obrazki.elektroda.pl/3897926300_1340024625_thumb.jpg[/img][/url]
    P.S. O kurczę, ale się spociłem, przy konwersji i wstawianiu tych obrazków. I jakoś tak dziwnie powychodziły. A ta 8-stronicowa instrukcja, jest dla tych co wiedzą, nie zaś tych, co nie wiedzą, jak to robić.
  • #7 10989931
    Zygmunt_mt
    Poziom 23  
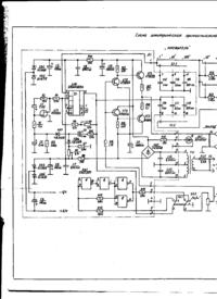
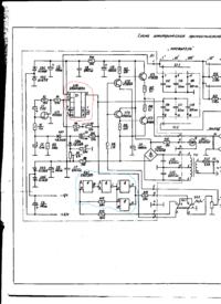
    Dodaję jeszcze jeden skan do powyższych.W poprzednim mi go zablokowano. Prawdopodobnie, ze względu na ich maksymalną ilość. Jest on dość istotny, bo zawiera napięcia na elektrodach tranzystorów. Generator wydaje mi się, że dla potrzeb amatora, poruszającego się w technice m.cz, zupełnie wystarcza. Ma silny, dość stabilny sygnał. Zygmunt_mt
    P.S.Niestety, coś mi blokuje możliwość dodania ostatniego załącznika
  • #8 10989983
    arnoldziq
    VIP Zasłużony dla elektroda
    Zygmunt_mt napisał:
    Niestety, coś m blokuje możliwość dodania ostatniego załącznika

    Proszę go dodać, w osobnym poście, jako spakowany plik ZIP.
  • #9 10990139
    Zygmunt_mt
    Poziom 23  
    Dzięki za podpowiedź. Skompresowałem do scan 0004.rar i nic z tego, niestety. No trudno, może kiedy indziej.
  • REKLAMA
  • #10 10992540
    _PREDATOR_

    VIP Zasłużony dla elektroda
    Zygmunt_mt napisał:
    Dzięki za podpowiedź. Skompresowałem do scan 0004.rar i nic z tego, niestety. No trudno, może kiedy indziej.


    No to prześlij mi go z linkiem do tego tematu!

    Zygmunt_mt napisał:
    Witam
    Nic z tego. Nie chce mi przyjąć załącznika ani jako"dodaj obrazek", ani też "wybierz plik". Pomijam to. Książki telefonicznej na starość się uczył nie będę.
    Zygmunt_mt
  • REKLAMA
  • #11 10996302
    fgh98
    Poziom 18  
    Podałem Ci adres na Pw.
    Prześlij co tam jeszcze masz.
    A tak na marginesie to może na Forum by się też przydało bo mało jest na ten temat.

    Moderowany przez Dzimi, _PREDATOR_:

    Też proponowałbym aby podzielić stosowną dokumentacją na forum. W sumie po to forum istnieje aby pomagać.
    ---
    Posłałem PW :D

  • Pomocny post
    #12 11007465
    Zygmunt_mt
    Poziom 23  
    WitamJak naprawić uszkodzony generator radziecki GZŁ-1?
    Może teraz uda się zamieścić tą ostatnią, nieszczęsną, część instrukcji. Jeśli zaś chodzi o te układy scalone, to jeden jest zwykłym wzmacniaczem operacyjnym szerokopasmowym FET, drugi zaś odpowiednikiem CD4011(cztery bramki NAND CMOS).Tych K561ŁA7 mam coś ok.20-tu szt..Jakby ktoś koniecznie chciał mieć oryginalne, to nie ma problemu. Przypomnieć tylko chcę, że w oryginale zasilanie było 42V AC. Ja wtedy przewijałem transformator. Było to jednak 20-lat temu. Teraz z dobraniem odpowiedniego nie byłoby problemu.Za punkty fgh98 serdecznie dziękuję, ale obeszłoby się również bez nich.Zygmunt_mt
  • #13 11008843
    fgh98
    Poziom 18  
    Wszystko sę zgadza co do zmiany napięcia zasilania i przewinięcia trafa w Twoim przypadku.Ja natomiast nie zadałem sobie tyle trudu i zastosowałem inny transformator z wyjsciem identycznym (wtórnego) i to tyle.
    Natomiast sprawa rozbija się o ten drugi układ 8 nóżkowy.
    Czy masz taki układ albo wiesz czym go zastąpić u mnie są starte napisy i wokół tego układu narasta niewiedza.
  • #14 11009804
    Zygmunt_mt
    Poziom 23  
    Witam
    Ten co ma sterte napisy, to tak jak na schemacie jest, ma oznaczenie:
    KR544UD2B(pisownia polska)
    podstawowe parametry:
    Unom-2x15V
    I-7mA
    Ku 10000
    f-15MHz
    Odpowiednik wg rosyjskiego katalogu(nie cytuję nazwy by sobie nie połamać palców)-CA3130. Ja niestety nie mam go, choć rosyjskich mam sporo, i te co mam, mają 14, lub 16 nóżek. Te dane powinny Ci starczyć. A w ogóle to mógłbyś napisać jaki masz z nim problem, bo albo ja nie doczytałem, albo Ty nie napisałeś. Jak jest sprawny to trzeba "sypnąć" kontaktem na styki, można wymienić elektrolity i ma działać. Tam gdyby z czymś był problem, to ewentualnie z tym tranzystorem (chyba)jednozłączowym, reszta jest do osiągnięcia w oryginale lub zamienniki.
    Zygmunt_mt
  • #15 11012952
    fgh98
    Poziom 18  
    Faktycznie nie pisałem bo nie miałem dokumentacji.
    Teraz ustaliłem, u mnie są układy К561ЛА7
    oraz УД2Б to jest ten ośmio nóżkowy.
    Problem u mnie jest taki że napięcia są w porządku, poziomy na wyjsciu reagują (zmieniają się) natomiast nie ma przebiegu (układ nie generuje)
    Sprawdz u siebie czy nie masz takich układów.

    Moderowany przez Dzimi:

    Koledzy - przypominam że jest to dział "Szukam schematu". Dyskusja zaczyna coraz bardziej zmierzać w kierunku pomocy w naprawie. Proszę więc albo o zmianę tytułu i przeniesienie do odpowiedniego działu albo o zakończenie tego tematu i otwarcie nowego tematu w odpowiednim dziale.

  • #16 11013083
    _PREDATOR_

    VIP Zasłużony dla elektroda
    Regulamin, punkt 3.3!
    Zygmunt_mt
    Ostatnia wizyta: 17 Cze 2012 15:33

    Proszę poprawić bo 'wisi' upomnienie :evil: .
  • #17 11014044
    Zygmunt_mt
    Poziom 23  
    Fgh98, a czy Ty aby czytałeś post z 17.czerwca 11:15?
  • #19 11015604
    Zygmunt_mt
    Poziom 23  
    fgh98 napisał:
    Czytałem i są tam inne scalaki i o tym chcę pisać.
    Ciągle nas straszą ale niebardzo wiem o co chodzi.

    Tam są oprócz mostka, tylko dwa. Czyli KR544UD2B(kolor czerwony) i K561ŁA7 (kolor niebieski). To co Ty piszesz UD2B to jest włąśnie KR544UD2B, i ma albo częsciowo starty napis, lub też skrótowe oznaczenie. Nie wiem jak Ci mogę jeszcze pomóc. Może zdjęcie wnętrza, albo sfotografować oscylogramy. Jest to do zrobienia, ale trochę potrwa. Żeby tylko nie był "uwalony" ten dziwaczny tranzystor KR103Ł, bo z nim, może być kłopot. Jak naprawić uszkodzony generator radziecki GZŁ-1?
  • #21 11015777
    Zygmunt_mt
    Poziom 23  
    fgh98 napisał:
    Jak masz oscyloskop to sprawdz gdzie jest generowany przebieg.

    Co do tego gdzie generowany jest przebieg to raczej nie mam wątpliwości bez sprawdzania. Generator jest na wzmacniaczu operacyjnym. Mam jeden mały oscyloskop cyfrowy i kilka analogowych, oraz wiele innych przyrządów, poza oczywiście, wieloma multimetrami. Jak na amatora w zupełności wystarczy. Nieporównanie lepiej posługuję sie nimi, niż myszką i klawiaturą. Najlepiej przemyśl sobie, co potrzebujesz ode mnie, i napisz obojętnie gdzie PW, email, czy też Forum. Po prostu mam kilka rzeczy rozpoczętych i trudno mi się odrywać co chwilę, co nie znaczy, że nie podpowiem, bądź pomogę, jeżeli tylko potrafił będę. Ja choć w elektronice "siedzę" ....dziesiąt lat, to tutaj jestem świeży, stąd czasem zdarzają się uszczypliwości i groźby od wiadomych osób.
    P.S.Ten tranzystor KP103Ł, nie jest jednozłączowym jak przypuszczałem wcześniej, Z katalogu w języku naszym "bratnim" onegdaj, wygląda na tranzystor m.mocy z kanałem typu P. KT814,815 to raczej na pewno będę miał plus pewna część diod i diod Zenera. To na razie tyle. Może się uda zasnąć.godz. 1:15 duszno jak cholera.
  • #22 11016575
    fgh98
    Poziom 18  
    Ja też stawiam na ten układ ale moja strategia była by taka, żeby zacząć od układu ale takiego nie mogę dostać,więc zamiennik ale nie wiem jaki i gdzie kupić.

    Moderowany przez Dzimi:

    Tu nikt nikogo nie straszy. Dział "szukam" nie jest działem przeznaczonym do pomocy w naprawach. Temat zamykam.

REKLAMA