logo elektroda
logo elektroda
X
logo elektroda
REKLAMA
REKLAMA
Adblock/uBlockOrigin/AdGuard mogą powodować znikanie niektórych postów z powodu nowej reguły.

Midland Alan 28 - Jak sprawdzić działanie filtra ANL bez przewodów?

lensars 18 Kwi 2012 10:35 4382 13
REKLAMA
  • #1 10807294
    lensars
    Poziom 10  
    Po wciśnięciu przycisku ANL jest zero reakcji radia. Sam przycisk sprawdzony multimetrem i jest sprawny. Przeszłości radia nie znam, ale na kilku forach znalazłem informacje, że często filtr ANL był załączany na stałe, a pod przyciskiem robione 0/5, jednak w moim egzemplarzu tego nie ma. Do przycisku nie prowadzą żadne przewody. Pytanie brzmi - czy można w jakiś sposób sprawdzić czy filtr działa (jest załączony na stałe)?
  • REKLAMA
  • #2 10808354
    kriss51
    VIP Zasłużony dla elektroda
    Filtr ANL tłumi zakłócenia impulsowe (szpilkowe) pochodzące np. od zapłonu samochodu, motoroweru i tym podobnych. Aby sprawdzić ANL trzeba mieć źródło takich zakłóceń i osłuchać czy filtr po włączeniu wycina te śmieci. Tak dla prostego sprawdzenia wystarczy jak obok anteny popstrykasz np. lutownicą albo innym urządzeniem włączonym do sieci.
  • REKLAMA
  • #3 10811174
    lensars
    Poziom 10  
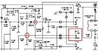
    Sprawdziłem i filtr nie działa. W jednym z archiwalnych tematów znalazłem zdjęcia, iż dwa przewody prowadzą do przełącznika ANL (brązowy i czarny). Według tych zdjęć te przewody są złączone przy pinie przełącznika i prowadzą do płyty głównej. Czy ma ktoś może poprawnie działające radio i może to potwierdzić? Na zdjęciach zaznaczyłem o które dokładnie połączenia chodzi.

    Midland Alan 28 - Jak sprawdzić działanie filtra ANL bez przewodów?

    Midland Alan 28 - Jak sprawdzić działanie filtra ANL bez przewodów?
  • #4 10811356
    kriss51
    VIP Zasłużony dla elektroda
    Na pierwszej fotce widać że radio jest przestrojone, a przewody są podłączone do przełącznika na przedniego panelu. Teraz który z nich jest wykorzystany do przełączania piątki/zera musisz zobaczyć z przodu.
  • REKLAMA
  • #5 10811686
    PLEXI
    Poziom 24  
    Widać po zdjęciach, że przewody od dławika, którym przestrojono to radio są podłączone do przełącznika CH.LOCK.
    Mam alana 28 w dziewiczym stanie i wieczorem rozkręcę go i sprawdzę gdzie i jakie przewody są dołączone do przełącznika ANL .
  • #6 10811748
    lensars
    Poziom 10  
    Zdjęcia są zapożyczone z jednego z zamkniętych tematów (ponieważ nie dysponuję aparatem) a przewody o które mi chodzi zaznaczone są czerwonym kółkiem. W moim egzemplarzu one nie występują (widać ze zostały wycięte przy płycie głównej).

    @PLEXI to z góry dzięki za sprawdzenie.
  • REKLAMA
  • #8 10812210
    pyton
    Poziom 21  
    Witam

    Dwa dni temu sam miałem ten dylemat... radyjko strasznie mało odporne było na układ zapłonowy.

    Rozkręciłem i się okazało że nie było przewodów od ANL (były ucięte) a miejsce w którym powinny być było zlutowane na stale... Dorobiłem nowe kabelki i Działa;)

    Mają one być w tym miejscu co zaznaczyłeś.

    I dokładnie tak działa jak to kolega SP5IT napisał.
  • #9 10812906
    kriss51
    VIP Zasłużony dla elektroda
    lensars napisał:
    Zdjęcia są zapożyczone z jednego z zamkniętych tematów (ponieważ nie dysponuję aparatem) a przewody o które mi chodzi zaznaczone są czerwonym kółkiem. W moim egzemplarzu one nie występują (widać ze zostały wycięte przy płycie głównej).

    @PLEXI to z góry dzięki za sprawdzenie.


    No tak nas nie myl, bo fotki nie są twoje. Już dokładnie nie pamiętam tej maszyny, ale możesz spokojnie wziąć pod uwagę wypowiedź kolegi SP5IT i reasumując- przewody mają być rozłączone (ANL ON) i to jest
    włączony filtr, albo w ogóle usunięte co jest jednoznaczne z elektryczną przerwą. Tylko pytanie po co to ktoś przerabiał skoro nie masz podłączonej funkcji zera i piątki, a może masz i nie wiesz?
  • #10 10814042
    lensars
    Poziom 10  
    SP5IT napisał:
    Jeśli przewody są odlutowane to ANL powinien działać. Zwarcie diody D111 przełącznikiem powoduje wyłączenie ANL.
    M


    Jest dokładnie tak jak napisał kolega SP5IT (doszedłem do tego doświadczalnie sam, bo wasze odpowiedzi przeczytałem dopiero teraz). Z wyciętymi przewodami filtr ANL jest załączony na stałe czyli jednak tak miałem (mimo, że test z lutownicą pokazał, że jednak jakieś zakłócenia przechodzą). Po zwarciu przewodów filtr ANL się odłącza i tak należy to przylutować do przełącznika. (przełącznik wyciśnięty - przewody zwarte, ANL nie działa, przełącznik wciśnięty - przewody rozwarte, ANL działa). Na zdjęciu pokazałem pod które piny należy to przylutować.

    Midland Alan 28 - Jak sprawdzić działanie filtra ANL bez przewodów?


    kriss51 napisał:
    lensars napisał:
    Zdjęcia są zapożyczone z jednego z zamkniętych tematów (ponieważ nie dysponuję aparatem) a przewody o które mi chodzi zaznaczone są czerwonym kółkiem. W moim egzemplarzu one nie występują (widać ze zostały wycięte przy płycie głównej).

    @PLEXI to z góry dzięki za sprawdzenie.


    No tak nas nie myl, bo fotki nie są twoje. Już dokładnie nie pamiętam tej maszyny, ale możesz spokojnie wziąć pod uwagę wypowiedź kolegi SP5IT i reasumując- przewody mają być rozłączone (ANL ON) i to jest
    włączony filtr, albo w ogóle usunięte co jest jednoznaczne z elektryczną przerwą. Tylko pytanie po co to ktoś przerabiał skoro nie masz podłączonej funkcji zera i piątki, a może masz i nie wiesz?


    Co do zdjęć to trochę zrobiłem skrót myślowy i nie wyjaśniłem - moja wina. A jaki cel miało odłączenie przez poprzedniego właściciela tych przewodów naprawdę nie wiem. Nie mniej jednak jest już obecnie doprowadzone prawie do oryginału.
  • #11 10814047
    PLEXI
    Poziom 24  
    Witam, zgodnie z obietnicą zamieszczam zdjęcia. Wmoim alanie przewody są podłączone w taki zposób i filtr ANL działa napewno.
    Tak jak pisał michał- czyli jeśli punkty A i B na płycie głównej są rozwarte to filtr jest załączony, jeśli sa zwarte to wiltr jest wyłączony.

    Midland Alan 28 - Jak sprawdzić działanie filtra ANL bez przewodów?

    Midland Alan 28 - Jak sprawdzić działanie filtra ANL bez przewodów?

    Midland Alan 28 - Jak sprawdzić działanie filtra ANL bez przewodów?
  • #12 10814050
    lensars
    Poziom 10  
    Dokładnie tak samo sobie wczoraj wykonałem i działa sprawnie. Dziękuję bardzo koledzy za pomoc i z pewnością temat się przyda. Pozdrawiam!
  • #13 10814057
    PLEXI
    Poziom 24  
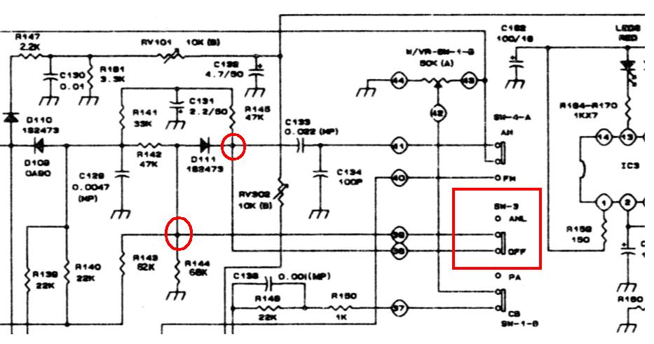
    Dla rozwiania wszelkich wątpliwości zamieszczam wycinek schematu wraz z zaznaczonym na czerwono przełącznikiem ANL oraz miejscami gdzie maja byc podłączone te dwa przewody idące od przełącznika na płytę.

    Midland Alan 28 - Jak sprawdzić działanie filtra ANL bez przewodów?
  • #14 10814076
    lensars
    Poziom 10  
    Z mojej strony sprawa rozwiązana - temat z pewnością się przyda wielu osobom.
REKLAMA