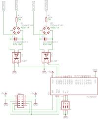
Witam
Zaznaczam odrazu że jestem początkującym w dziedzinie elektroniki, bliżej mi do programowania.
Prośba jest taka czy to co wysmyczyłem w Eaglu będzie poprawnie działać, czy czegoś tam nie zapomniałem?
Zadaniem tego projektu/układu jest rozszerzenie Atmegi o dodatkowe porty z przyporządkowanymi na sztywno funkcjami badania obecności fazy prądu na danym złączu. W przyszłości ma to być jeden z 4 modułów przeznaczonych do monitoringu pracy urządzeń pracujących na wysokie napięcie. Dokładność pomiaru nie jest tak aż istotna w tym przypadku ale chciałbym się zmieścić co najmniej w sekundzie sprawdzając wszystkie 64 wejścia.
Ale czy schemat jest oki?
![[AVR] Prośba o sprawdzenie schematu dodatkowych i/o po I2C [AVR] Prośba o sprawdzenie schematu dodatkowych i/o po I2C](https://obrazki.elektroda.pl/3253865800_1335110928_thumb.jpg)
Zaznaczam odrazu że jestem początkującym w dziedzinie elektroniki, bliżej mi do programowania.
Prośba jest taka czy to co wysmyczyłem w Eaglu będzie poprawnie działać, czy czegoś tam nie zapomniałem?
Zadaniem tego projektu/układu jest rozszerzenie Atmegi o dodatkowe porty z przyporządkowanymi na sztywno funkcjami badania obecności fazy prądu na danym złączu. W przyszłości ma to być jeden z 4 modułów przeznaczonych do monitoringu pracy urządzeń pracujących na wysokie napięcie. Dokładność pomiaru nie jest tak aż istotna w tym przypadku ale chciałbym się zmieścić co najmniej w sekundzie sprawdzając wszystkie 64 wejścia.
Ale czy schemat jest oki?
