Witam!
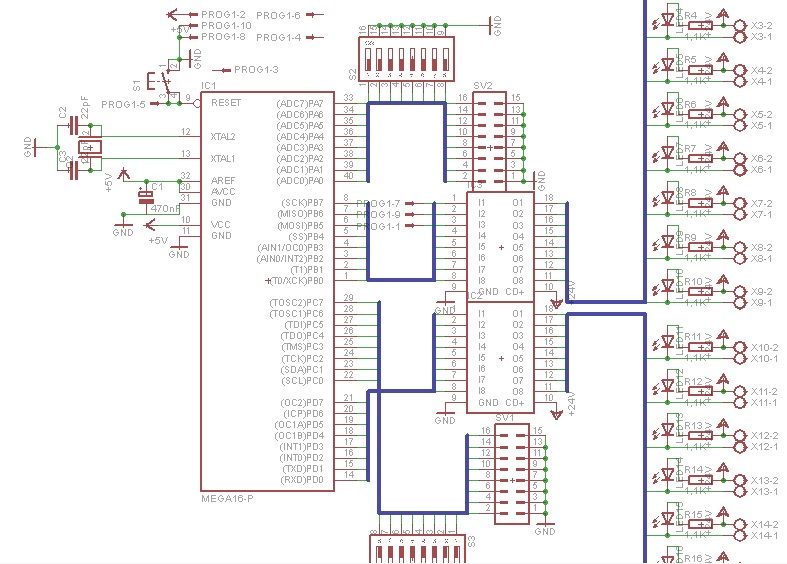
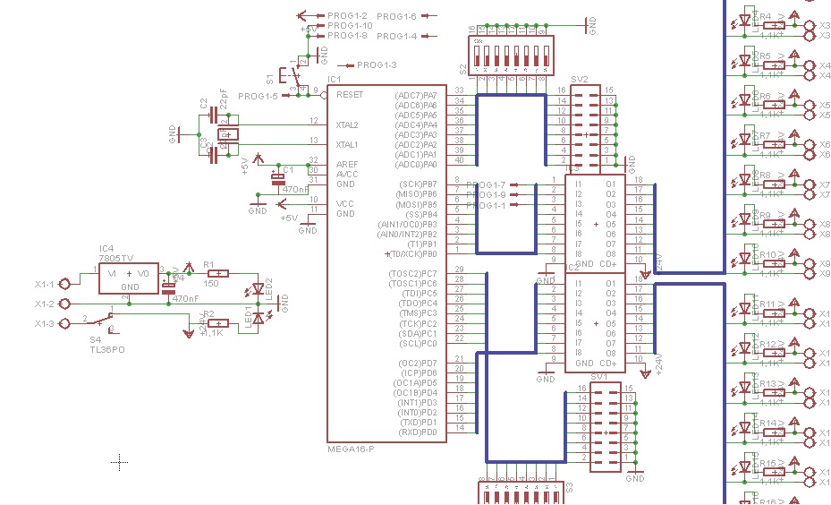
Mam pewien problem, albo po prostu potrzebuje dobrej rady:) Stworzyłem układ do przełączania zaworów pneumatycznych. Samo sterowanie jest banalne bo wejścia kontrolera ( PORTC ustawiłem jako wejściowy) zwieram z masą poprzez przyciski 3 pozycyjne, a na wyjściach są układy ULN2803. Za ULN sa zaciski na zawory i diody sygnalizacyjne. Po napisaniu mega banalnego próbnego programu zeby sprawdzic połączenia, diody sygnalizacyjne świecą tak jak chcę, według kolejności przełączania przycisków ale sprawdzam miernikiem napięcia na zaciskach i tak przy włączeniu pierwszego przycisku w położenie 1 chcę aby świeciły 2 diody (i swiecą) - napięcie w tym przypadku na zaciskach wynosi 23,56 V czyli prawie tyle ile chce bo chce 24V. Zaczyna się ciekawie kiedy przycisk pierwszy przełączę w położenie drugie świeci jedna dioda (tak jak chce) ale napięcie na zacisku wynosi juz 18V. Kolejne przyciski to kolejne spadki napiecia na zaciskach na 4 przycisku juz mam tylko 10V. Sprawdzalem napięcia na kontrolerze i największe jest na pierwszej nóżce portu wyjścia 4,5 V, ale na kolejnych także są niższe i na 4 to już tylko 1,5 V. Nie wiem czy mam źle ustawione fusebity (JTAGA wyłączyłem ale to port C) czy jest jakaś inna przyczyna (np. brak obciążenia na zaciskach za ULN2803). Im dalszy bit portu tym mniejsze napięcie. Koniecznie potrzebuje 24V na wyjściu (takie cewki zaworow). Będę bardzo wdzięczny za pomoc.
Mam pewien problem, albo po prostu potrzebuje dobrej rady:) Stworzyłem układ do przełączania zaworów pneumatycznych. Samo sterowanie jest banalne bo wejścia kontrolera ( PORTC ustawiłem jako wejściowy) zwieram z masą poprzez przyciski 3 pozycyjne, a na wyjściach są układy ULN2803. Za ULN sa zaciski na zawory i diody sygnalizacyjne. Po napisaniu mega banalnego próbnego programu zeby sprawdzic połączenia, diody sygnalizacyjne świecą tak jak chcę, według kolejności przełączania przycisków ale sprawdzam miernikiem napięcia na zaciskach i tak przy włączeniu pierwszego przycisku w położenie 1 chcę aby świeciły 2 diody (i swiecą) - napięcie w tym przypadku na zaciskach wynosi 23,56 V czyli prawie tyle ile chce bo chce 24V. Zaczyna się ciekawie kiedy przycisk pierwszy przełączę w położenie drugie świeci jedna dioda (tak jak chce) ale napięcie na zacisku wynosi juz 18V. Kolejne przyciski to kolejne spadki napiecia na zaciskach na 4 przycisku juz mam tylko 10V. Sprawdzalem napięcia na kontrolerze i największe jest na pierwszej nóżce portu wyjścia 4,5 V, ale na kolejnych także są niższe i na 4 to już tylko 1,5 V. Nie wiem czy mam źle ustawione fusebity (JTAGA wyłączyłem ale to port C) czy jest jakaś inna przyczyna (np. brak obciążenia na zaciskach za ULN2803). Im dalszy bit portu tym mniejsze napięcie. Koniecznie potrzebuje 24V na wyjściu (takie cewki zaworow). Będę bardzo wdzięczny za pomoc.

