Witam.
Zaczynam przygodę z mikrokontrolerami. Zakupiłem programator firmy AVT USBasp.
http://sklep.avt.pl/photo/_pdf/AVT5325.pdf
Mam problemy z wgraniem programu do układu.
Wygląda to w ten sposób.
Za pomocą WinAVR:
1. Tworzę makefile.
2. Kompiluje program do .hex
3. Wybieram opcję tools>program i wyskakuje błąd.
> "make.exe" program
avrdude -p atmega8 -P usb -c usbasp -U flash:w:led.hex
avrdude: error: programm enable: target doesn't answer. 1
avrdude: initialization failed, rc=-1
Double check connections and try again, or use -F to override
this check.
avrdude done. Thank you.
make.exe: *** [program] Error 1
> Process Exit Code: 2
> Time Taken: 00:02
Program jaki kompiluję wygląda jak poniżej. Jest pobrany ze strony http://hobby.abxyz.bplaced.net
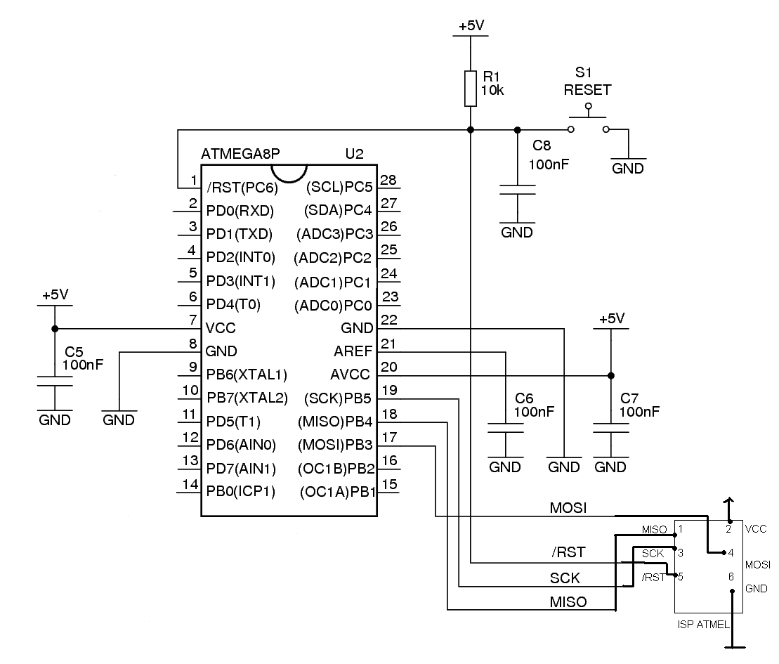
Układ w mojej płytce wygląda w ten sposób. Wszystkie masy/napięcia łącze razem i podpinam GND/Vcc z programatora.
Nie wiem gdzie jest błąd
Bardzo proszę o jakąkolwiek pomoc.
Zaczynam przygodę z mikrokontrolerami. Zakupiłem programator firmy AVT USBasp.
http://sklep.avt.pl/photo/_pdf/AVT5325.pdf
Mam problemy z wgraniem programu do układu.
Wygląda to w ten sposób.
Za pomocą WinAVR:
1. Tworzę makefile.
2. Kompiluje program do .hex
3. Wybieram opcję tools>program i wyskakuje błąd.
> "make.exe" program
avrdude -p atmega8 -P usb -c usbasp -U flash:w:led.hex
avrdude: error: programm enable: target doesn't answer. 1
avrdude: initialization failed, rc=-1
Double check connections and try again, or use -F to override
this check.
avrdude done. Thank you.
make.exe: *** [program] Error 1
> Process Exit Code: 2
> Time Taken: 00:02
Program jaki kompiluję wygląda jak poniżej. Jest pobrany ze strony http://hobby.abxyz.bplaced.net
Kod: C / C++
Układ w mojej płytce wygląda w ten sposób. Wszystkie masy/napięcia łącze razem i podpinam GND/Vcc z programatora.
Nie wiem gdzie jest błąd
Bardzo proszę o jakąkolwiek pomoc.
