logo elektroda
logo elektroda
X
logo elektroda
REKLAMA
REKLAMA
Adblock/uBlockOrigin/AdGuard mogą powodować znikanie niektórych postów z powodu nowej reguły.

President Harry ASC - brak dźwięku przy nadawaniu, czerwona dioda się świeci

kamil278 25 Kwi 2012 16:26 5897 11
REKLAMA
  • #1 10831778
    kamil278
    Poziom 2  
    Witam.
    Mój problem to radio President Harry. Otóż odbiór jest ok, ale gdy przechodzę w tryb nadawania, to zapala się czerwona dioda, ale mnie nie słychać.
    Dodam, że rozkręcałem mikrofon z obu stron i wszystkie przewody dobrze się trzymają.

    Z góry dziękuję za odpowiedź.

    Kolego, trzeba błędy pokazać palcem? Nie kasować wpisów moderacyjnych! Proszę poprawić wszystkie swoje wpisy w tym temacie, łącznie z tytułem. Regulamin pkt 3.1.13. /Olek II/
  • REKLAMA
  • #2 10832300
    kriss51
    VIP Zasłużony dla elektroda
    Jeśli zapala się czerwona dioda TX, a odbiór jest ok to mikrofon sprawny. Przyczyną może być spalona końcówka lub driver. Odlutuj końcówkę i zmierz ją. Sprawdź także jakie napięcie jest na kolektorze końcówki bez przyciskania mikrofonu.
  • #3 10832478
    karol
    Poziom 15  
    Kolego! A nośna jest? Jeżeli jest to prawdopodobnie będzie to "mikrofonowa" sprawa.
  • REKLAMA
  • #4 10832556
    kamil278
    Poziom 2  
    Czy kabelek mógł pęknąć w przewodzie?
    Ja nie sądzę że to końcówka mocy.
    Dodam że radio chodziło już z trzema antenami.
  • #5 10832579
    kriss51
    VIP Zasłużony dla elektroda
    kamil278 napisał:
    Czy kabelek mógł pęknąć w przewodzie?
    Ja nie sądzę że to końcówka mocy.


    Kolego jaja se z nas robisz? Nie sądzisz że padła końcówka, a mocy nie mierzyłeś? Co myślisz że tu wróżki są i na odległość powiedzą co jest grane? Masz zrobić pomiary i dopiero potem pytać. Jeśli twierdzisz że to obwód mikrofonu to zmierz kabel, przełącznik w mikrofonie. Na drugi raz opisz dokładniej usterkę. I jeszcze jedno nie piszemy tu o gruszkach tylko o mikrofonach.
  • REKLAMA
  • #6 10835665
    karol
    Poziom 15  
    Panowie elektronicy! Nie bądźmy tacy okrutni dla początkujących. Wszak kiedyś tam my też zaczynaliśmy. Teraz to już właściwie rutyna. Kamil, żeby sprawdzić czy końcówka "chodzi" wystarczy pomiar w.cz. na 50 omowym rezystorze na wyjściu przy pomocy prostej sondy wcz. Końcówki, drivery psują się na dwa sposoby. Permanentne zwarcie do masy, lub odpali się złącze (opcja nieco trudniejsza). Rzecz kolejna, czy kablel mikrofonowy może mieć przerwę?Oczywiście tak. Nie raz odcinałem 5-10cm coby życie jemu przedłużyć. Patent na to: Omomierz + igła, szpilka, jak chcesz.

    Treść poprawiłem. Na przyszłość, po znakach przestankowych, stosujemy spację. /Olek II/
  • #7 10836246
    SP5ANJ
    Spoczywaj w Pokoju
    Witam.
    kamil278 napisał:
    ... ale gdy przechodze w tryb nadawania (ściskam gruszkę) to zapala się czerwona dioda (4) ale mnie wogule nie słychać.

    Czy poprawnie czytam, że zapalają się cztery diody w nadawaniu (4). :?:

    Cytat:
    ... czy kabelek mugł pęknąć w przewodzie??

    To bardzo częsty przypadek w tych kabelkach kręconych przez Chińczyków i nie tylko.

    Zobacz, że w kabelkach kręconych z osłoną gumową - pęknięcia się nie zdarzają. :spoko:


    Pozdrawiam.
  • #8 10836999
    bc211
    Poziom 30  
    Te kable najczęściejsię urywają w zimie, na mrozie. Karol metoda dobra tylko trzeba wiedzieć z której strony zacząć dziurawienie kabla. Na wskaźniku jest 3 zielone Led-y i jeden czerwony plus dodatkowo jeden czerwony Tx od załączonego nadawania. Ja zrozumiałem, że zapala tylko Tx podobnie jak Krzysztof i zanim podłączę wato-miarkę chcę wiedzieć co pokazuje wskaźnik siły nadawania. Olek II kapcia zawożę do wulkanizacji kiedy jestem pewny, że jest dziura bo np. może być też skrzywiona felga :D
  • REKLAMA
  • #9 10838277
    kamil278
    Poziom 2  
    Ale ja posiadam dwa mikrofony oba są 6 pinowe czy mogę je pozamieniać czy nic się nie stanie?? Wtedy wiedział bym gdzie szukać czy w radiu czy w mikrofonie. Bo jak w radiu to muszę się udać do serwisu.
    A co do tych wskazówek led to świecą wszystkie cztery gdy przechodzę w tryb nadawania.
  • #10 10838997
    karol
    Poziom 15  
    Kamil! Ty leniuszek jesteś.Odszukaj schematy połączeń mikrofonów w obydwu radiach i porównaj.Wybacz jestem starym sklerotykiem i nie pamiętam takich detali.Jak potrzebuję to szukam.Zaraz do serwisu.Po co?Jak poradzisz sobie z tym to źłotówki zostaną w kieszonce a poza tym satysfakcja.Dla ułatwienia to jest ten przewodzik w tzw.ekranie(miedziany oplot) najczęściej żółty.
  • #11 10839680
    SP5ANJ
    Spoczywaj w Pokoju
    Witam.
    karol napisał:
    Kamil! Ty leniuszek jesteś.

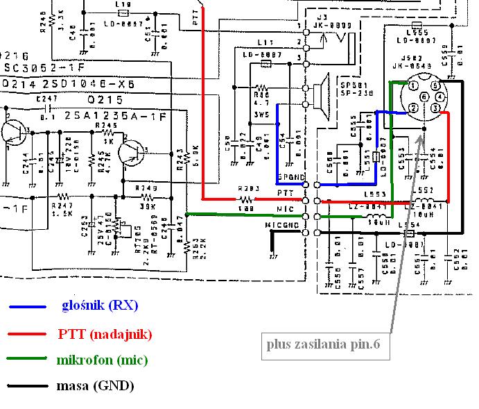
    W samej podpowiedzi niech będzie rysunek dla Leniuszków :

    President Harry ASC - brak dźwięku przy nadawaniu, czerwona dioda się świeci

    Aby wyprzedzić Nasz Regulamin - tu jest podpowiedź - jako rysunek z tą właśnie "podpowiedzią".


    Regulamin pkt 3.1.17.


    Pozdrawiam.

    PS. Może kolega jednak nie jest tym "leniuszkiem" (liczę na to) a tylko NIE potrafi skorzystać czy odczytać ze schematu - Informacji - z tego radia/schematu.
    PS1. Przypominam, że jest to dział serwisowy w myśl regulaminu tego Forum. :!:
  • #12 10840181
    kamil278
    Poziom 2  
    Dzięki wszystkim zlokalizowałem problem był pęknięty kabelek w przewodzie mikrofonowym. Podpiąłem ten drugi mikrofon i radyjko śmiga.
REKLAMA