Trafiłem tą konsolę na znanym portalu aukcyjnym i chciałbym dać jej drugie życie podpinając pod TV LCD. Niestety przez RF ciężko jest dostroić do zadowalającego stanu, więc zostaje wyprowadzenie gniazda cinch.
Jest kilka tematów na forum, ale nikt nie przedstawił 100% sposobu. Jeden z użytkowników forum znalazł rozwiązanie (nawet wyprowadził RGB):
http://www.youtube.com/watch?v=672FS9VQxq4
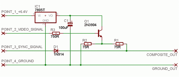
Znalazłem w sieci takie schematy:
http://www.pong-picture-page.de/catalog/product_info.php?products_id=1835
dla AY-3-8500, ale coś nie chce działać.
Może ktoś prześledzić i potwierdzić, że są dobre?
Czy może jest jakiś inny sposób?
Jest kilka tematów na forum, ale nikt nie przedstawił 100% sposobu. Jeden z użytkowników forum znalazł rozwiązanie (nawet wyprowadził RGB):
http://www.youtube.com/watch?v=672FS9VQxq4
Znalazłem w sieci takie schematy:
http://www.pong-picture-page.de/catalog/product_info.php?products_id=1835
dla AY-3-8500, ale coś nie chce działać.
Może ktoś prześledzić i potwierdzić, że są dobre?
Czy może jest jakiś inny sposób?
