Witam!
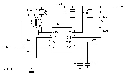
Mam nadajnik wedle schematu:
Częstotliwość nastawiona na 36kHz.
Czy starczy podłączyć pod zasilanie i SFH506-36 zbije do zera Output, czy też jego wyjście zareaguje tylko na sygnał 36KHz o określonym czasie trwania?
Na SFH506-36 mam zbudowany Igor's Plug dla GIRDERA. Działa, odbiera kody pilotów. Nie mogę za to uruchomić nadajnika wedle schematu. Napisałem aplikację kodującą ramkę RC5, ale GIRDER, albo nie odbiera nic, albo odbiera śmieci przy dziwnym ustawieniu czujki GIRDERA względem diody nadawczej mojego nadajnika. Jak czujka i dioda są względem siebie centralnie ustawione to GIRDER w ogóle nie reaguje. Podejrzewam bardziej generator, niż program, więc pytam się czy czujnik powinien zareagować już na samą nośną(generator pracuje jeśli jest odłączony od portu COM, poziom niski na RESET go blokuje).
Mam nadajnik wedle schematu:
Częstotliwość nastawiona na 36kHz.
Czy starczy podłączyć pod zasilanie i SFH506-36 zbije do zera Output, czy też jego wyjście zareaguje tylko na sygnał 36KHz o określonym czasie trwania?
Na SFH506-36 mam zbudowany Igor's Plug dla GIRDERA. Działa, odbiera kody pilotów. Nie mogę za to uruchomić nadajnika wedle schematu. Napisałem aplikację kodującą ramkę RC5, ale GIRDER, albo nie odbiera nic, albo odbiera śmieci przy dziwnym ustawieniu czujki GIRDERA względem diody nadawczej mojego nadajnika. Jak czujka i dioda są względem siebie centralnie ustawione to GIRDER w ogóle nie reaguje. Podejrzewam bardziej generator, niż program, więc pytam się czy czujnik powinien zareagować już na samą nośną(generator pracuje jeśli jest odłączony od portu COM, poziom niski na RESET go blokuje).
