logo elektroda
logo elektroda
X
logo elektroda
REKLAMA
REKLAMA
Adblock/uBlockOrigin/AdGuard mogą powodować znikanie niektórych postów z powodu nowej reguły.

Golf 2, Volkswagen, deska nie świeci rozrusznik kręci ale nie odpala.

greyhawk 05 Maj 2012 14:45 7648 15
REKLAMA
  • #1 10863143
    greyhawk
    Poziom 10  
    Witam

    posiadam to autko jakies pol roku, do tej pory jezdzilo wrecz smigalo zadziwiajaco dobrze, nic sie nie psuło, dolewalem plyny, wymienialem opony zainwestowalem w podwozie. Jak do tej pory nie moglem nic zlego o autku powiedziec.

    przyszedl taki dzien niedawno, w ktorym, niz gruchy ni z pietruchy zgasl silnik (w trasie) oraz cala deska rozdzielcza. przekrecilem kluczyk, diodki wesolo zamigaly i odpalilem bez problemow. po ujechaniu kilku kilometrow sytuacja powtorzyla sie, tylko ze tym razem slychac bylo przekazniki ale swiatelka i wskazniki ani drgna.

    na samym poczatku mialem podobne objawy ale to znany problem kostki pod stacytjka, pomyslalem sobie, ze zadziwiajaco szybko sprawa powrocila, podjechalem do sklepu kupilem sciagacz, stacyjke i 2 kostki. wymiana nic nie dala, jest dokladnie tak samo jak bylo przed wymiana.

    dzialaja:
    -swiatla postojowe oraz drogowe
    -swiatla awaryjne
    -radio
    -oswietlenie wewnatrz kabiny
    -wycieraczki
    -wentylator

    no generalnie wszystko po za deska

    oczywiscie rozrusznik kreci (nie zauwazylem roznicy)
    ale silnik nie odpala

    wszystkie bezpieczniki sprawdzilem i sa sprawne

    w zasadzie nie mam pomyslu co dalej

    prosze o pomoc
  • REKLAMA
  • #2 10863312
    Zico63
    Poziom 37  
    To jest wina braku zasilania skrzynki, linii "15". Albo drobnostka w rodzaju wysynietego/ugnitego konektorka we wtyku kostki stacyjki, albo wtyk w skrzynkę bezpieczników. Może być tam też jakieś zabezpieczenie przeciwkradzieżowe. Ma coś takiego ten Golf?.
    Gdyby tylko silnik nie palił - byłoby sporo do szukania; tak to jest łatwe. I śledzimy CZARNY przewód.
  • #3 10863340
    greyhawk
    Poziom 10  
    ok juz lece sprawdzic, ale co oznacza zailanie skrzynki 15?? chodzi o obwod 15 w skrzynce bezpiecznikow??

    klopot taki ze tutj generalnie wszystkie kable sa czarne :(
  • #4 10863355
    Zico63
    Poziom 37  
    Na schematach w/g norm niemieckich, 15 oznacza linię zasilaną jak zapłon, przekręceniem kluczyka - w odróżnieniu od "X" która jest od czego innego.
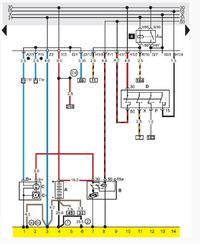
    Nie chodzi o bezpiecznik a o czarny bez żadnego paska przewód od stacyjki do skrzynki. Golf to jeden z najprzyjemniejszych do napraw pojazdów, żadnego klopotu z dostepem do wiązki - po zdjęciu plastyku przed kolanami kierowcy. Tu jest zasilanie skrzynki ze stacyjki:
    Golf 2, Volkswagen, deska nie świeci rozrusznik kręci ale nie odpala.
    Na górze widać umownie rysowane, aczkolwiek faktycznie istniejące ścież ki w skrzynce bezpieczników.
    Poszczególne zasilania poszczególnych elementów "z zapłonu" rozdzielają się wewnątrz skrzynki i wychodzą różnymi wtyczkami. Awaria dopiera tam daje niedziałanie wybranych tylko urządzeń.
  • REKLAMA
  • #5 10863446
    greyhawk
    Poziom 10  
    no ok ale nadal nie rozumiem co mam zrobic, wychodzi z kostki pod stacyjka 1 calkowicie czarny przewod, nastepnie jest "skrecony" tak ze rozdziela sie na 2 ktore ida sobie gdzies w strone deski rozdzielczej, wymienilem nieprofesjonalne skrecenia na kostke elektryczna (wiem na ze na 100% pewne polaczenie) ale nadal jest tak samo jak bylo.
  • #6 10863467
    Zico63
    Poziom 37  
    Rocznik? "Stara" czy "nowa" skrzynka: przerywacz kierunkowskazów po prawej na górze czy na dole?
  • #7 10863501
    greyhawk
    Poziom 10  
    1991, ciezko powiedziec cos o skrzynkach, a kierunkowskazy (tzn wajcha) sa po lewej

    ps. bardzo dziekuje za starania kolego Zico.
  • REKLAMA
  • #8 10863597
    Zico63
    Poziom 37  
    Ciężko będzie przy stanie opanowania wiedzy elektrycznej Kolegi, ale może damy radę.
    1991 to nowa skrzynka.
    Z kierunkowskazem chodziło mi o PRZERYWACZ (kostkę) w skrzynce) nie przełącznik. To szybko identyfikuje typ instalacji.
    Tak wygląda nowa skrzynka z tyłu i chodzi tu o czerwoną wtyczkę H1, przewód czarny 01:
    www.a2resource.com/electrical/CE2.html
    Czy po włączeniu stacyjki jest na nim prąd? czy po włączeniu stacyjki jest na czarnym PRZY STACYJCE prąd. Jak przy stacyjce jest a na skrzynce nie ma - trzeba Golfa trochę w kabinie rozebrać, iść po kablach - co się stało i gdzie te kable idą. Nawiasem mówiąc, nic się nie powinien rozdzielać, na dwa.

    Dodano po 11 [minuty]:

    Albo nowym, własnym kawałkiem przewodu doprowadzić prąd od stacyjki do skrzynki, w opisane miejsca i zobaczyć.
    Czy jest u Kolegi jakiś alarm czy coś? Przykładany "immobiliser"?

    Poprawiłem link, żeby nie "rozjeżdżał" strony. [ociz]
  • REKLAMA
  • #9 10863778
    ociz
    VIP Zasłużony dla elektroda
    Nie widzę nigdzie informacji jaki silnik.
  • #10 10863974
    greyhawk
    Poziom 10  
    ociz napisał:
    Nie widzę nigdzie informacji jaki silnik.

    1.6 benzyna + lpg
  • #11 10863990
    Zico63
    Poziom 37  
    Jak jest "gaz" to na odległość poddaję się: radosna twórczość gazowników przerasta wyobraźnię tzw. normalnych ludzi... Tam mogą być takie "epokowe wynalazki" że co prawda da się do tego dojść, lecz nie na "opowiadanego".
    Sprawdź Kolego, co pisałem, a reszta - no cóż :sm37:
  • #12 10864048
    greyhawk
    Poziom 10  
    no jest napiecie po przekreceniu kluczyka na czarnym kabelku

    idzie on do immobilizera (jak i ten drugi co sie rozdwaja)

    istnieje opcja pominiecia immo?

    generalnie nawet dla eksploatacji byloby pozniej latwiej
  • #13 10864073
    ociz
    VIP Zasłużony dla elektroda
    Oczywiście że tak, tak jak ktoś zainstalował ten "immobilizer" tak samo możesz go wywalić i przywrócić instalację do oryginału.
  • #14 10864128
    greyhawk
    Poziom 10  
    ten immo byl w orginale (tak mysle)

    a na kostce o ktorej pisal kolega nie ma napiecia po przekreceniu kluczyka (H1 01) tylko przewod tam jest czerwono-czarny.

    no i jak ominac ten immo?
  • #15 10864242
    ociz
    VIP Zasłużony dla elektroda
    Bo H1/1 to rozrusznik, ktoś tu trochę namieszał. ;)
    Pseudo immo nie fabryczne, co najwyżej oryginalne i dokładane przez dilera.
    H1/4 sprawdź. Zresztą na rysunkach wszystko widać jak na dłoni.
    30 - stały plus
    15 - plus po kluczyku
    X - odbiorniki które nie pracują podczas rozruchu, światła, nawiew itp.
    50 - rozrusznik

    PS Popraw pisownię we wszystkich swoich postach (zdania zaczynamy wielką literą a kończymy kropką), bo inaczej temat poleci do kosza. To polecenie moderatora.
  • #16 10864260
    greyhawk
    Poziom 10  
    poradzilem sobie
    wywalilem immo

    dziekuje
REKLAMA