logo elektroda
logo elektroda
X
logo elektroda
REKLAMA
REKLAMA
Adblock/uBlockOrigin/AdGuard mogą powodować znikanie niektórych postów z powodu nowej reguły.

Midland Alan 98 Plus EU/UK - nie działa blokada szumów, luzy w potencjometrze

adrians12 06 Maj 2012 07:30 1902 5
REKLAMA
  • #1 10865326
    adrians12
    Poziom 9  
    Witam
    Dostałem od znajomego radiotelefon midland alan 98 plus w wersji EU, UK z ESP
    Po podłączeniu okazało się ze nie działa blokada szumów. Ale gdy odłączam antenę i w głośniczku słychać lekki szum kręcąc potencjometrem blokada zamyka się i otwiera.
    Potencjometr ma luzy na gałce w odróżnieniu do volume gdzie siedzi sztywno po rozkręceniu widać było opiłki metalu w potencjometrze od squelcha. Reszta działa w porządku.
    Proszę o pomoc w rozwiązaniu problemu.
    Dziękuje
  • REKLAMA
  • Pomocny post
    #2 10865345
    kriss51
    VIP Zasłużony dla elektroda
    Jeśli w potencjometrze były opiłki to może już nie żyć. Trzeba by rozpocząć naprawę od jego zmierzenia czy nie przerywa lub od razu wymienić na nowy.
  • REKLAMA
  • Pomocny post
    #3 10866223
    SP5ANJ
    Spoczywaj w Pokoju
    Witam.
    adrians12 napisał:
    Dostałem od znajomego radiotelefon midland alan 98 plus w wersji EU, UK z ESP

    Jeżeli mówimy o tym radiu jak na zdjęciu (od środka) a modeli 98 było chyba 4 sztuki (D, M, E i teraz jak u Ciebie Plus) :

    Midland Alan 98 Plus EU/UK - nie działa blokada szumów, luzy w potencjometrze

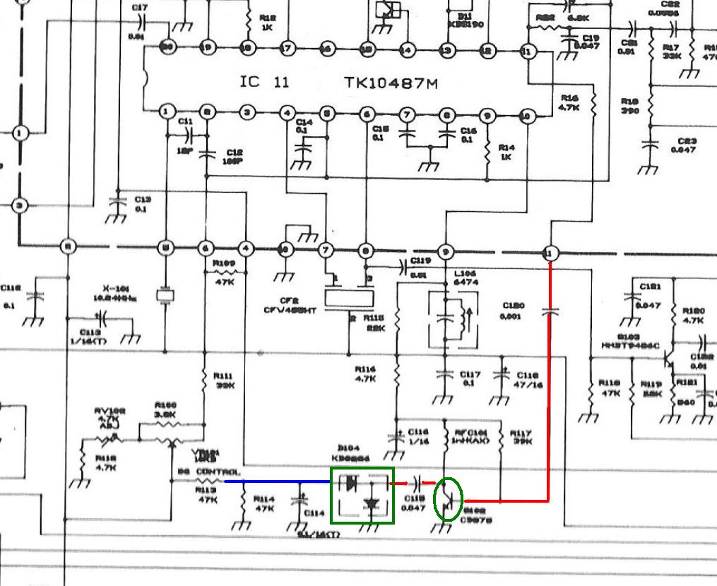
    To SQ było zrealizowane za pomocą wzmacniacza oraz detekcji na dwóch diodach i podawanego napięcia na VR (ślizgacz) ujemnego napięcia (po tych diodach).

    Na rysunku - czerwone sygnał do SQ - niebieskie to wyprostowane ujemne napięcie a zielone to na co zwrócić uwagę i sprawdzić.

    Midland Alan 98 Plus EU/UK - nie działa blokada szumów, luzy w potencjometrze

    Podwójne diody SMD czasami "padają".


    Pozdrawiam.
  • REKLAMA
  • #4 10868796
    adrians12
    Poziom 9  
    Witam i dziękuje za wskazówki.
    Chyba wprowadziłem was w lekki błąd dokładna nazwa to Midland 98 Plus
    Dołączam pdf
    Przepraszam i Dziękuje
    Załączniki:
  • REKLAMA
  • #5 10872450
    adrians12
    Poziom 9  
    Obmierzyłem potencjometry pierwszy od volume to 10K i drugi od squelcha to 50K. Gdyż robiłem to po raz pierwszy, zmierzyłem ten dobrze działający wiec volume widać było ze jest ok bo na min miernik pokazywał 9.75 i nie przerwanie kręcił się do zera, za to squelch na min 19,5 i na maksymalnym rozkręceniu 16,4 całkiem inaczej zachowywał się jak poprzedni potencjometr, czy można stwierdzić ze potencjometr jest na pewno jest uszkodzony ?
    Pozdrawiam
  • #6 10876615
    adrians12
    Poziom 9  
    Powodem był uszkodzony potencjometr.
REKLAMA