Witam serdecznie,
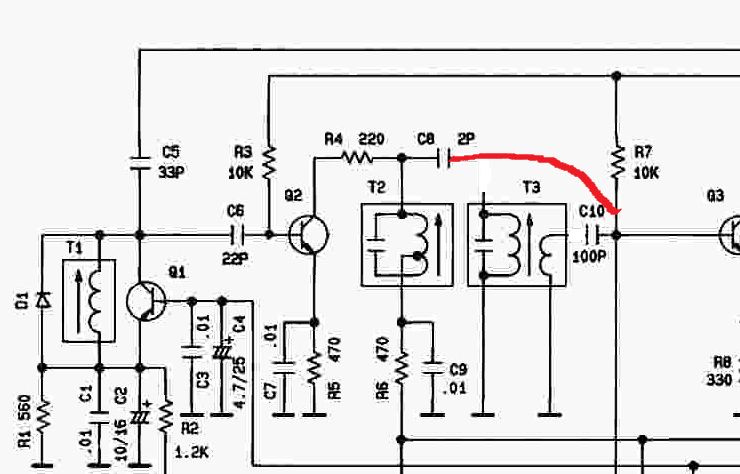
Radio jak w temacie, naprawiłem już tego parę sztuk ale z tym mam problem. Usterka objawia się bardzo słabą czułością w AM, brak charakterystycznego szumu, po podpięciu do anteny bazowej( przy SQ na minimum) wszystkie onwy, alany chcą rozsadzić głośnik a tu tylko cichy szumek i trochę trzasków. Słychać respondentów jednak cicho i tylko tych znajdujących się blisko. Zazwyczaj podobny objaw jest przy zimnych lutach koło syntezy jednak nie tym razem.
Tranzystory Q1..Q7 sprawne, podobnie jak diody D1..D4. Nadawanie działa, zasilania syntezy i 9V z Q15 sprawne podobnie jak filtry 10,7 MHz, i 455 kHz.
Proszę o sugestie, posiadam oscyloskop, nie mam niestety generatora w.cz., co by tu jeszcze sprawdzić?
Radio jak w temacie, naprawiłem już tego parę sztuk ale z tym mam problem. Usterka objawia się bardzo słabą czułością w AM, brak charakterystycznego szumu, po podpięciu do anteny bazowej( przy SQ na minimum) wszystkie onwy, alany chcą rozsadzić głośnik a tu tylko cichy szumek i trochę trzasków. Słychać respondentów jednak cicho i tylko tych znajdujących się blisko. Zazwyczaj podobny objaw jest przy zimnych lutach koło syntezy jednak nie tym razem.
Tranzystory Q1..Q7 sprawne, podobnie jak diody D1..D4. Nadawanie działa, zasilania syntezy i 9V z Q15 sprawne podobnie jak filtry 10,7 MHz, i 455 kHz.
Proszę o sugestie, posiadam oscyloskop, nie mam niestety generatora w.cz., co by tu jeszcze sprawdzić?
