logo elektroda
logo elektroda
X
logo elektroda
REKLAMA
REKLAMA
Adblock/uBlockOrigin/AdGuard mogą powodować znikanie niektórych postów z powodu nowej reguły.

Atmega 8 i sharp 340k - kto pomoże z kodem?

emix995 22 Maj 2012 22:01 2058 11
REKLAMA
  • #1 10924658
    emix995
    Poziom 10  
    Witam chciałem zrobić na początek takie "urządzenie " które będzie działało na zasadzie:
    Jeżeli czujnik sharp 340k coś wykryje to dioda się zapala
    Kod: Text
    Zaloguj się, aby zobaczyć kod

    tylko właśnie coś nie działa.
    Sharp dobrze działa bo jak jest włączony i kamerą popatrzę na sharpa (diodę ir) to świeci.
    Czy może ktoś pomóc z kodem? [/syntax][/quote]
  • REKLAMA
  • #2 10925700
    sp3ots
    Poziom 38  
    Witam !

    Przyznam się że nie wiem co to jest: sharp 340k, ale zastanawiam się nad Twoim programem, chodzi o ten fragment:
    
    If Portb.0 = 1 Then
    Portd.1 = 1                                              'zaświeć diodę
    End If          
    

    Wygląda na to że Twój program zaświeci tylko LEDa, nie ma żadnej możliwości aby LED zgasł !
    Czy dioda miała być tylko jeden raz zapalona ?
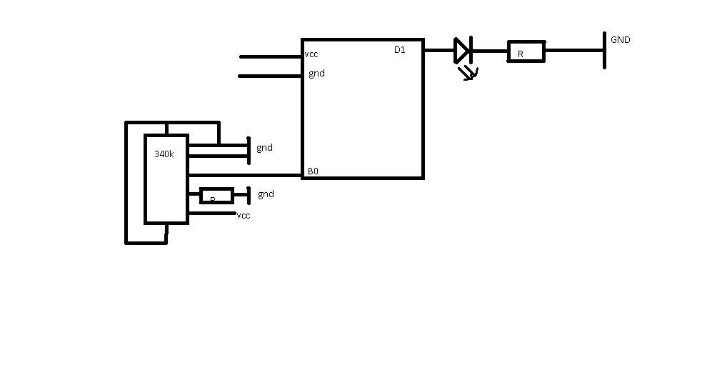
    Schematu nie pokazałeś, zwłaszcza gdzie jest podłączony Portb.0.

    Pozdrawiam. Stefan
  • REKLAMA
  • #3 10926192
    marco47
    Poziom 41  
    Napisz tak:

    Kod: text
    Zaloguj się, aby zobaczyć kod


    Wtedy będziesz miał poprawnie zapalaną i gaszoną diodę LED, przy wykryciu czegoś :D przez czujnik sharp 340k.
  • REKLAMA
  • #4 10926997
    Konto nie istnieje
    Poziom 1  
  • #5 10927022
    landy13
    Poziom 31  
    No i zamiast: If PortB.0=... ma być: If PinB.0...
  • REKLAMA
  • #6 10927140
    marco47
    Poziom 41  
    Cytat:
    No i zamiast: If PortB.0=... ma być: If PinB.0...

    Też prawda. Poprawione.
    Błędna sugestia poprzednika, i automatyczne przejście błędu dalej. :D
  • #7 10928287
    emix995
    Poziom 10  
    Nie wiem co jest ale dioda cały czas się pali czy czujnik podłączony czy nie.
  • #8 10928464
    marco47
    Poziom 41  
    Aby dokładnie stwierdzić gdzie leży przyczyna błędnego działania diody LED, należy zamieścić schemat jak to wszystko połączyłeś.

    Błąd może być po stronie sprzętowej lub oprogramowania.

    Aby wykluczyć błędne działanie czujnika, należy zamiast niego podawać jedynkę i zero logiczne na wejście PINB.0
    W takt tych podawanych zmian powinna zapalać się i gasić dioda LED.

    Jeżeli to nastąpi, lub nie, to będziesz wiedział gdzie szukać przyczyn złego działania układu.
  • #10 10934312
    marco47
    Poziom 41  
    Według opisu sterownik ma być zasilany napięciem stałym o wartości 12V.
    Jak wiesz w samochodzie napięcie zmienia się od 14.8V (górna granica) do takiej w której akumulator może być rozładowany, czyli poniżej 11V.

    W opisie nie określono, czy wartości napięcia zasilania sterownika mogą być zawarte w tych widełkach, dlatego nie można stwierdzić z całą pewnością czy można zasilać z instalacji samochodowej.

    Poszukaj coś specjalnie przygotowanego do zasilania z instalacji samochodowej.
  • #11 10934438
    emix995
    Poziom 10  
    Bo chciałem pod wejście zapalniczki podłączyć.

    Srr że w paincie ale nie mam dostępu do programów tylko paint ;/
    Atmega 8 i sharp 340k - kto pomoże z kodem?
  • #12 11188622
    emix995
    Poziom 10  
    Witam postanowiłem wrócić do projektu z sharp 340k
    na jednej z atmeg8 miałem akurat taki program
    Kod: text
    Zaloguj się, aby zobaczyć kod

    ale sharp zapala ledy nawet jeżeli nie ma nic w okolicy 2m
    Proszę o pomoc z programem, (jeżeli 340k coś wykryje ma zapalić led)
REKLAMA